LEMON Manuals: Even more car manuals for everyone: 1960-2025
Home >> Nissan-Datsun >> 2004 >> Sentra SE-R >> Repair and Diagnosis >> Body & Frame >> Door Locks >> Power Door Lock System >> Power Door Lock >> Schematic
April 5, 2026: LEMON Manuals is launched! Read the announcement.

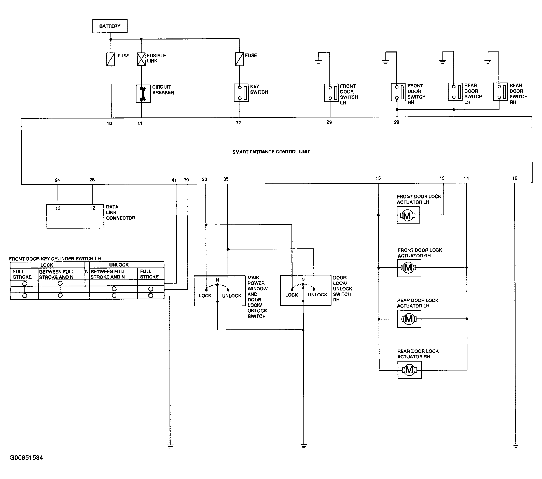
Power Door Lock: Schematic

Fig 1: Schematic Diagram
G00851584Courtesy of NISSAN MOTOR CO., U.S.A.