LEMON Manuals: Even more car manuals for everyone: 1960-2025
Home >> Nissan-Datsun >> 2004 >> Sentra SE-R >> Repair and Diagnosis >> Body & Frame >> Door Locks >> Remote Keyless Entry System >> Remote Keyless Entry System >> Wiring Diagram-KEYLES- >> Smart Entrance Control Unit And Reference Value Measured Between Each Terminal And Ground
April 5, 2026: LEMON Manuals is launched! Read the announcement.

Smart Entrance Control Unit And Reference Value Measured Between Each Terminal And Ground

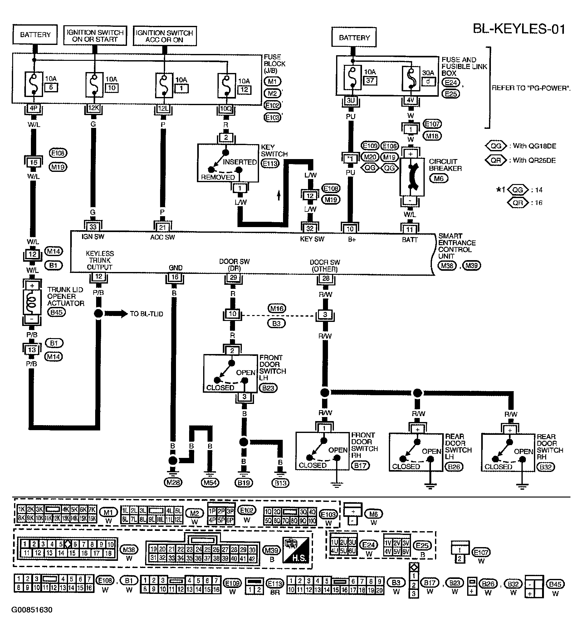
Fig 1: Wiring Diagram - BL-KEYLES-01
G00851630Courtesy of NISSAN MOTOR CO., U.S.A.
Fig 2: Wiring Color Condition - BL-KEYLES-01
G00851631Courtesy of NISSAN MOTOR CO., U.S.A.
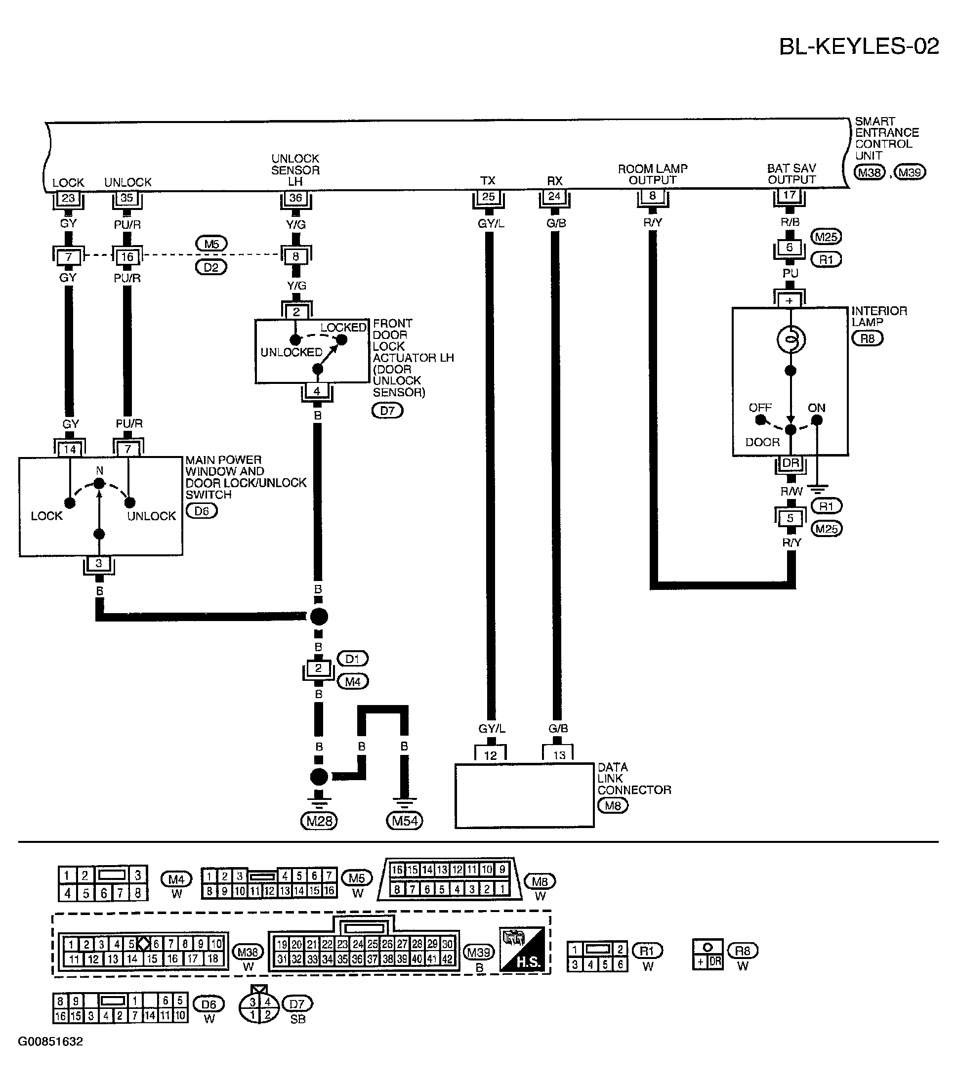
Fig 3: Wiring Diagram - BL-KEYLES-02
G00851632Courtesy of NISSAN MOTOR CO., U.S.A.
Fig 4: Wiring Color Condition - BL-KEYLES-02
G00851633Courtesy of NISSAN MOTOR CO., U.S.A.
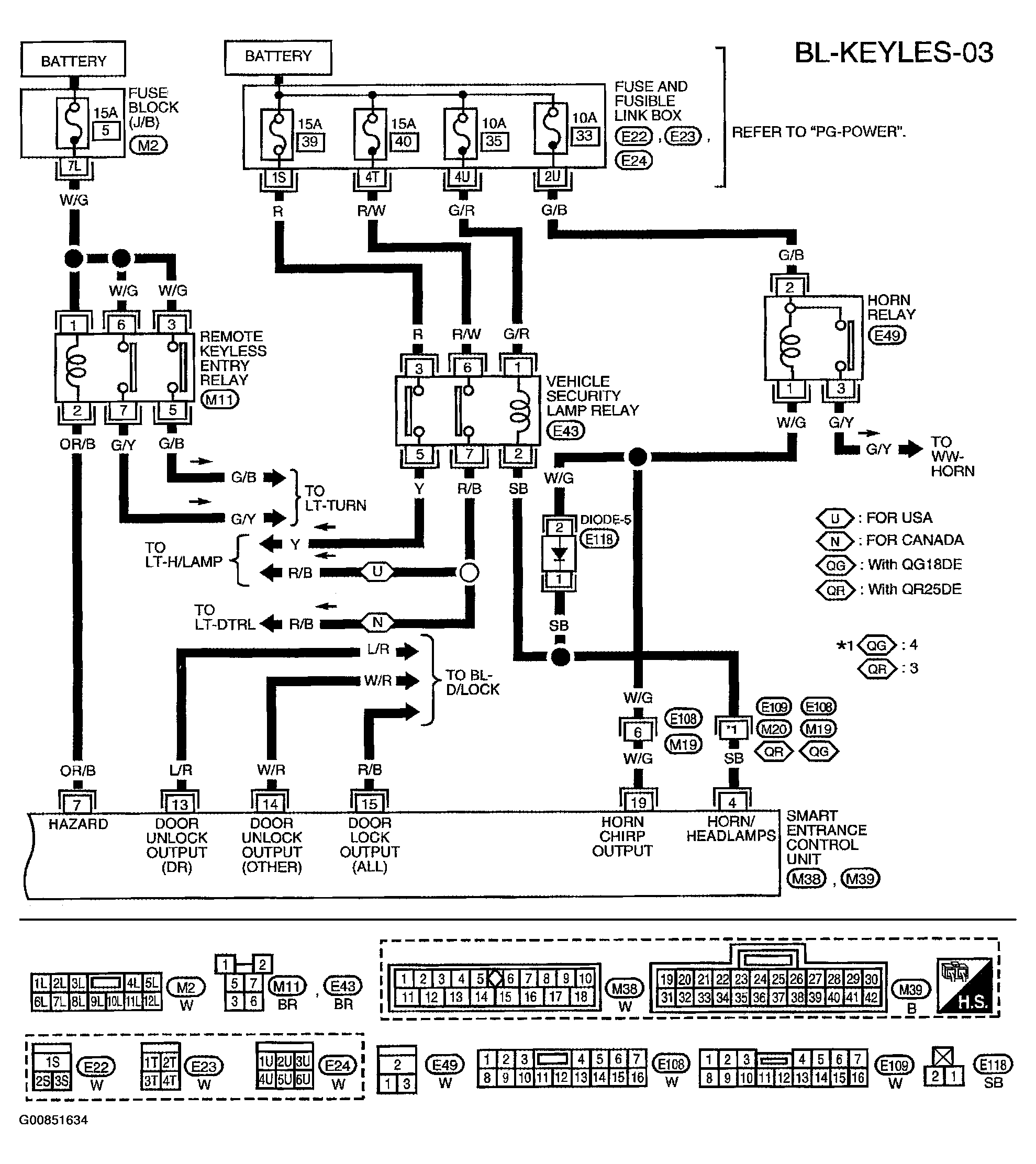
Fig 5: Wiring Diagram - BL-KEYLES-03
G00851634Courtesy of NISSAN MOTOR CO., U.S.A.
Fig 6: Wiring Color Condition - BL-KEYLES-03
G00851635Courtesy of NISSAN MOTOR CO., U.S.A.