LEMON Manuals: Even more car manuals for everyone: 1960-2025
Home >> Nissan-Datsun >> 2004 >> Sentra SE-R >> Repair and Diagnosis >> Engine Performance >> System >> Engine Control System - Qr25DE >> DTC P0102, P0103: MAF Sensor >> Wiring Diagram
April 5, 2026: LEMON Manuals is launched! Read the announcement.

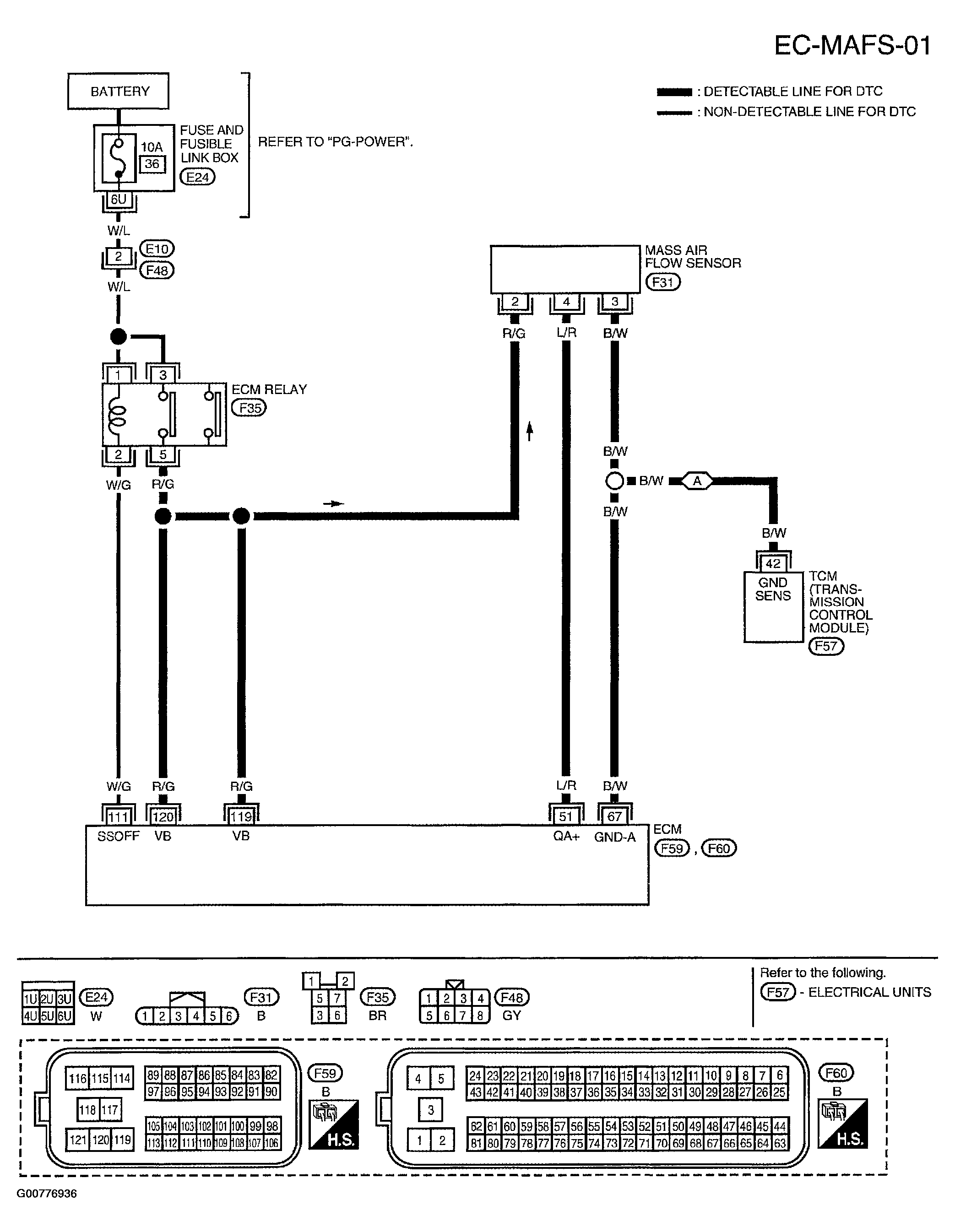
DTC P0102, P0103: MAF Sensor: Wiring Diagram

NOTE: For references to "PG-Power" in wiring diagrams, see POWER DISTRIBUTION in SYSTEM WIRING DIAGRAMS.
Fig 1: MAF Sensor Wiring Diagram
G00776936Courtesy of NISSAN MOTOR CO., U.S.A.

Specification data are reference values and are measured between each terminal and ground.

CAUTION: Do not use ECM ground terminals when measuring input/output voltage. Doing so may result in damage to the ECM's transistor. Use a ground other than ECM terminals, such as the ground.
Fig 2: MAF Sensor Specification Data
G00776937Courtesy of NISSAN MOTOR CO., U.S.A.