LEMON Manuals: Even more car manuals for everyone: 1960-2025
Home >> Nissan-Datsun >> 2004 >> Sentra SE-R >> Repair and Diagnosis >> Engine Performance >> System >> Engine Control System - Qr25DE >> DTC P0172: Fuel Injection System Function >> Wiring Diagram >> A/T Models ULEV And M/T Models
April 5, 2026: LEMON Manuals is launched! Read the announcement.

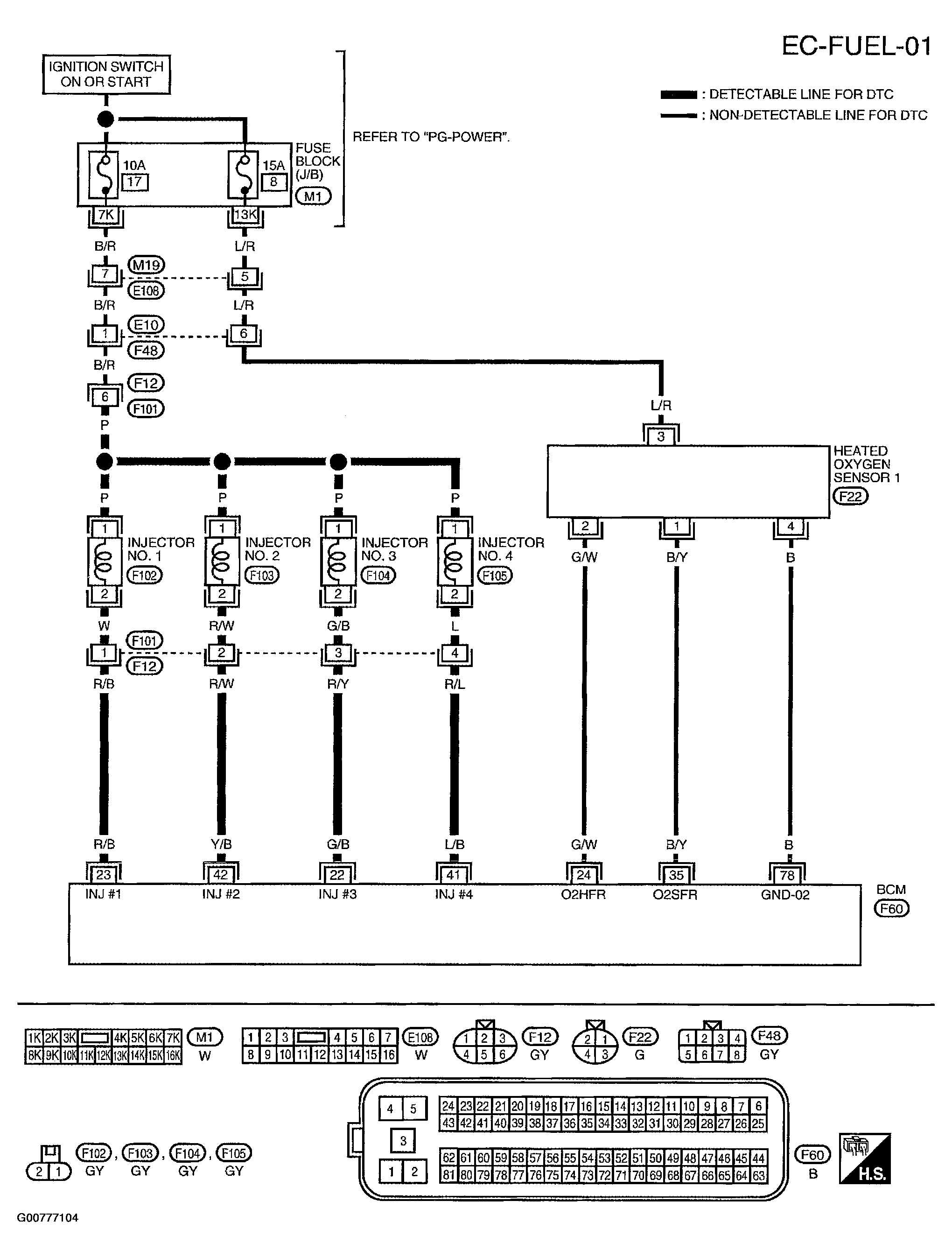
A/T Models ULEV And M/T Models

Fig 1: Fuel Injection System Wiring Diagram (A/T Models ULEV & M/T Models)
G00777104Courtesy of NISSAN MOTOR CO., U.S.A.