LEMON Manuals: Even more car manuals for everyone: 1960-2025
Home >> Nissan-Datsun >> 2004 >> Sentra SE-R >> Repair and Diagnosis >> Engine Performance >> System >> Engine Control System - Qr25DE >> Ignition Signal >> Wiring Diagram
April 5, 2026: LEMON Manuals is launched! Read the announcement.

Ignition Signal: Wiring Diagram

NOTE: For references to "PG-Power" in wiring diagrams, see POWER DISTRIBUTION in SYSTEM WIRING DIAGRAMS.
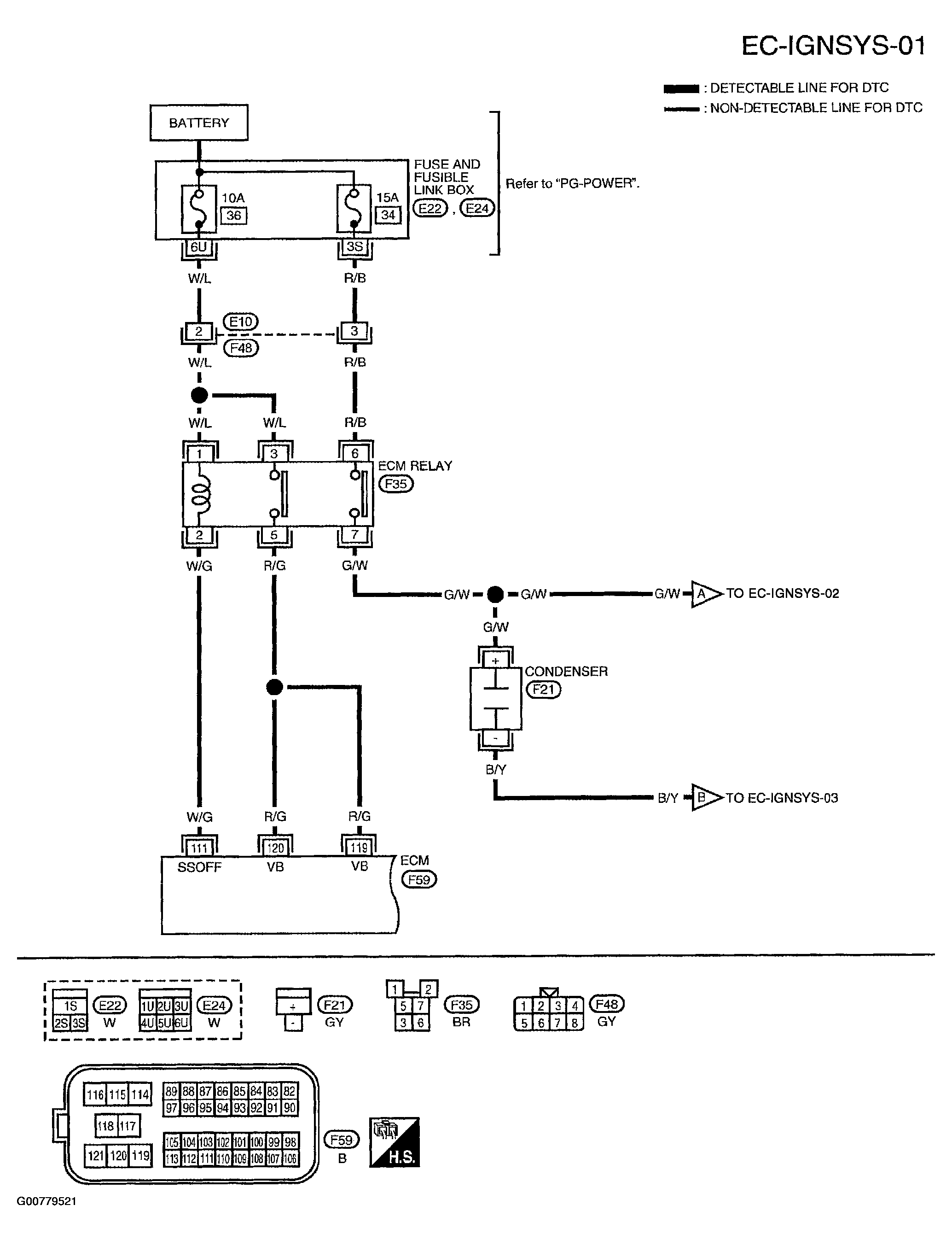
Fig 1: Ignition Signal Wiring Diagram (1 Of 3)
G00779521Courtesy of NISSAN MOTOR CO., U.S.A.

Specification data are reference values and are measured between each terminal and ground.

CAUTION: Do not use ECM ground terminals when measuring input/output voltage. Doing so may result in damage to the ECM's transistor. Use a ground other than ECM terminals, such as the ground.
Fig 2: Ignition Signal Specification Data (EC-IGNSYS-01)
G00779522Courtesy of NISSAN MOTOR CO., U.S.A.
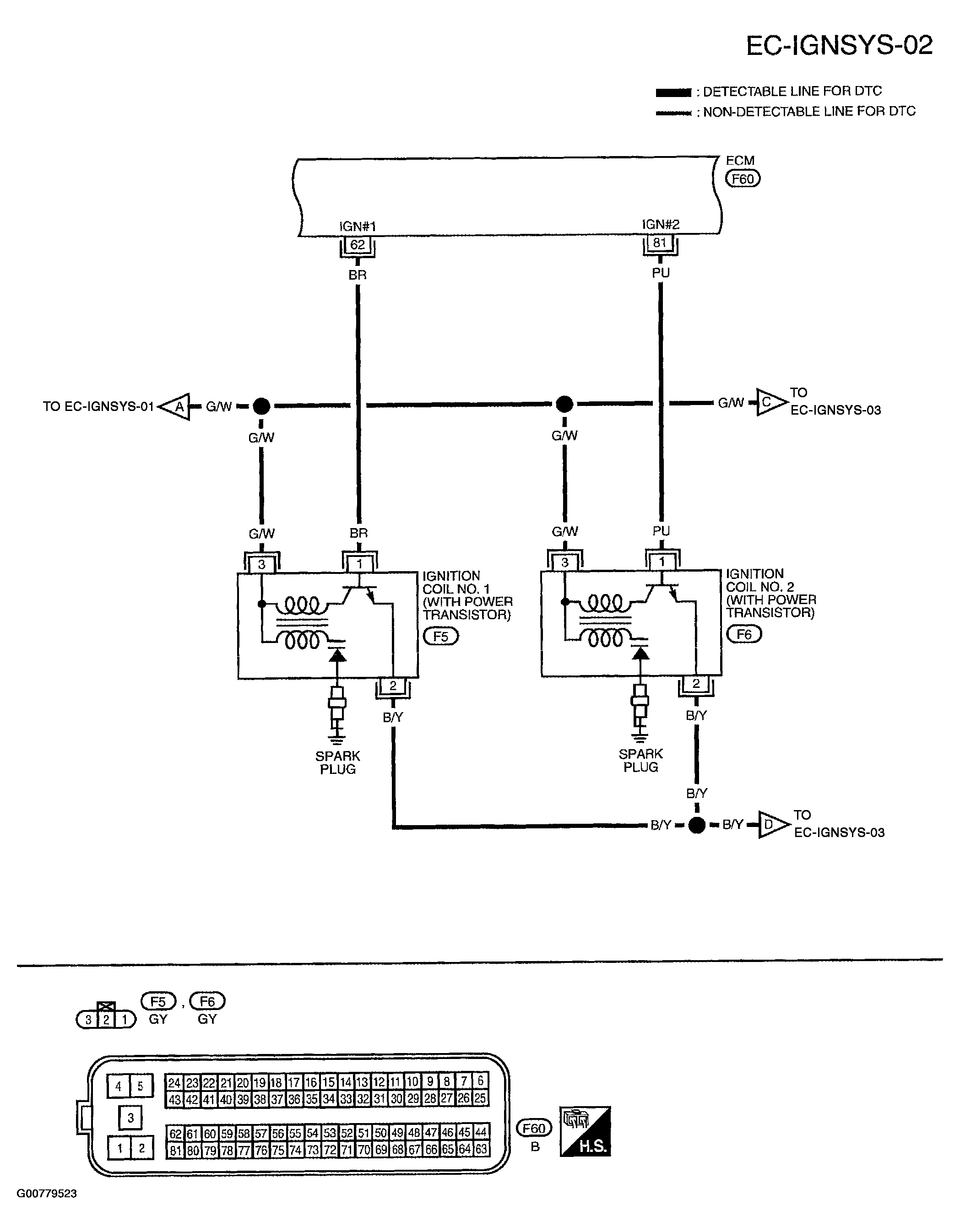
Fig 3: Ignition Signal Wiring Diagram (2 Of 3)
G00779523Courtesy of NISSAN MOTOR CO., U.S.A.

Specification data are reference values and are measured between each terminal and ground. Pulse signal is measured by CONSULT-II.

CAUTION: Do not use ECM ground terminals when measuring input/output voltage. Doing so may result in damage to the ECM's transistor. Use a ground other than ECM terminals, such as the ground.
Fig 4: Ignition Signal Specification Data (EC-IGNSYS-02)
G00779524Courtesy of NISSAN MOTOR CO., U.S.A.
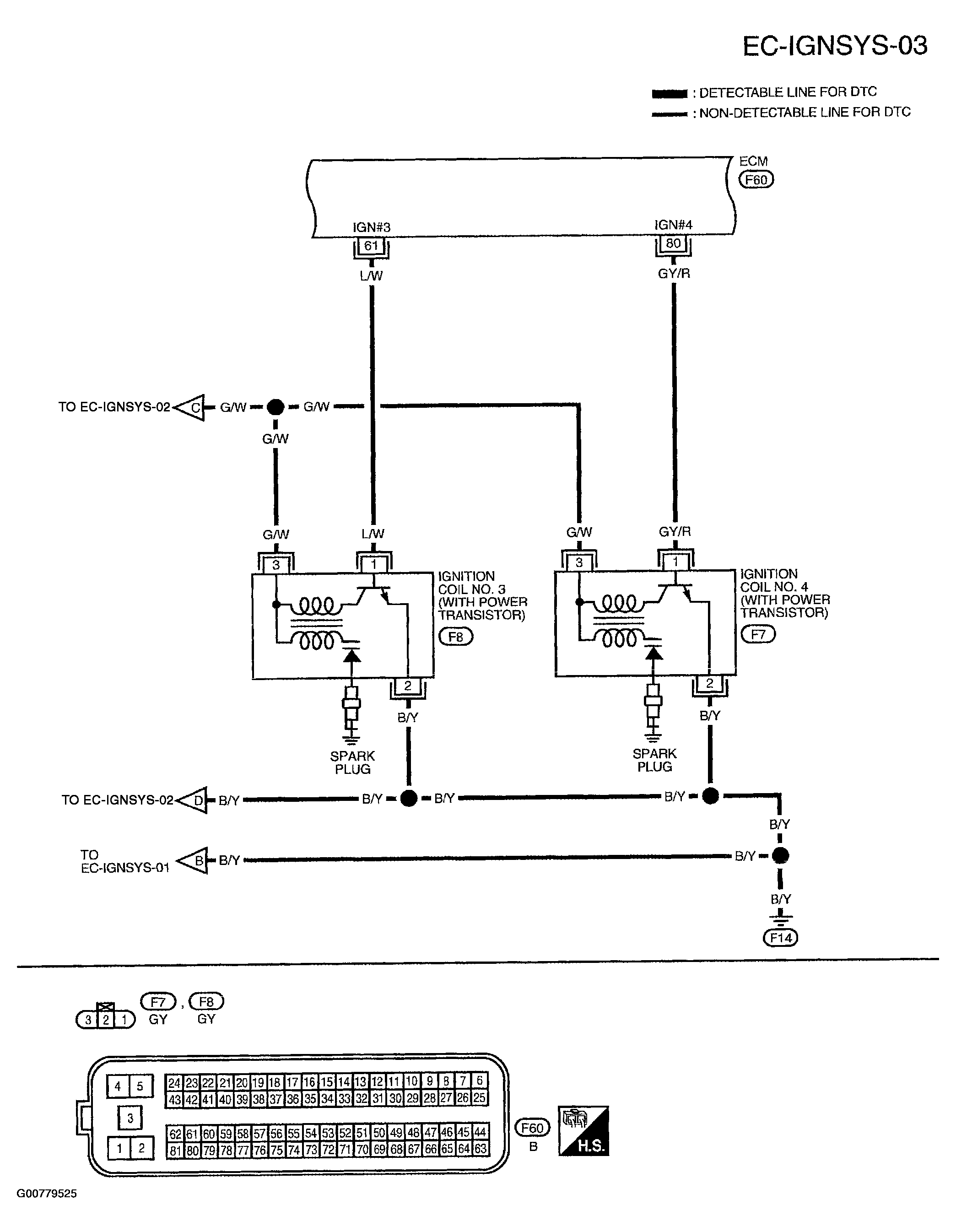
Fig 5: Ignition Signal Wiring Diagram (3 Of 3)
G00779525Courtesy of NISSAN MOTOR CO., U.S.A.

Specification data are reference values and are measured between each terminal and ground. Pulse signal is measured by CONSULT-II.

CAUTION: Do not use ECM ground terminals when measuring input/output voltage. Doing so may result in damage to the ECM's transistor. Use a ground other than ECM terminals, such as the ground.
Fig 6: Ignition Signal Specification Data (EC-IGNSYS-03)
G00779526Courtesy of NISSAN MOTOR CO., U.S.A.