LEMON Manuals: Even more car manuals for everyone: 1960-2025
Home >> Nissan-Datsun >> 2004 >> Sentra SE-R >> Repair and Diagnosis >> External Pages >> Different car >> Section 1030 (Navigation System) >> Navigation System >> Wiring Diagram - COMM -
April 5, 2026: LEMON Manuals is launched! Read the announcement.

Wiring Diagram - COMM -

WARNING: This page is about a different car, the 2003 Nissan Murano. However, it is still accessible from the selected car via links, so may be relevant.
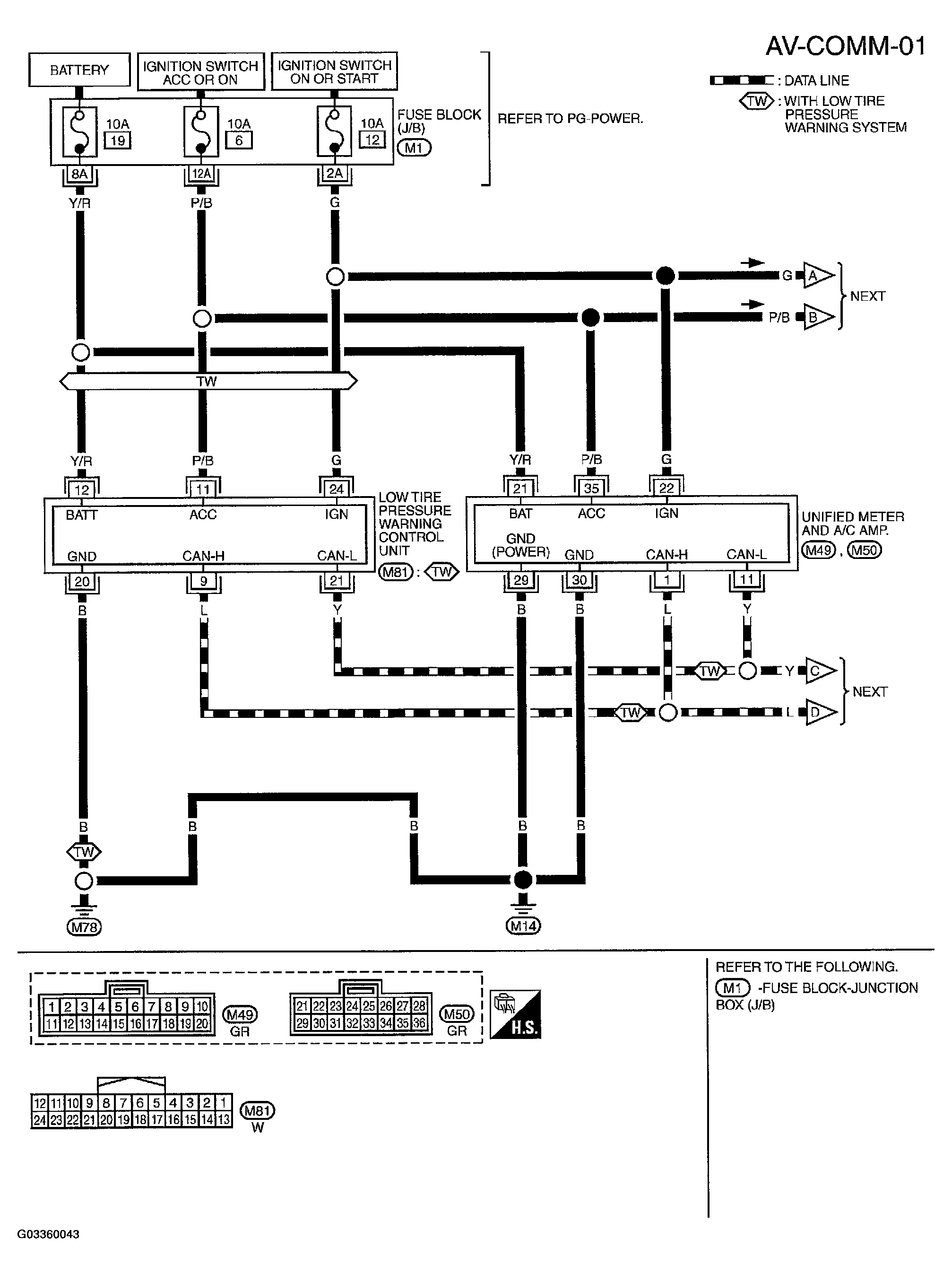
Fig 1: Wiring Diagram - CAN Communication System (1 Of 3)
G03360043Courtesy of NISSAN MOTOR CO., U.S.A.
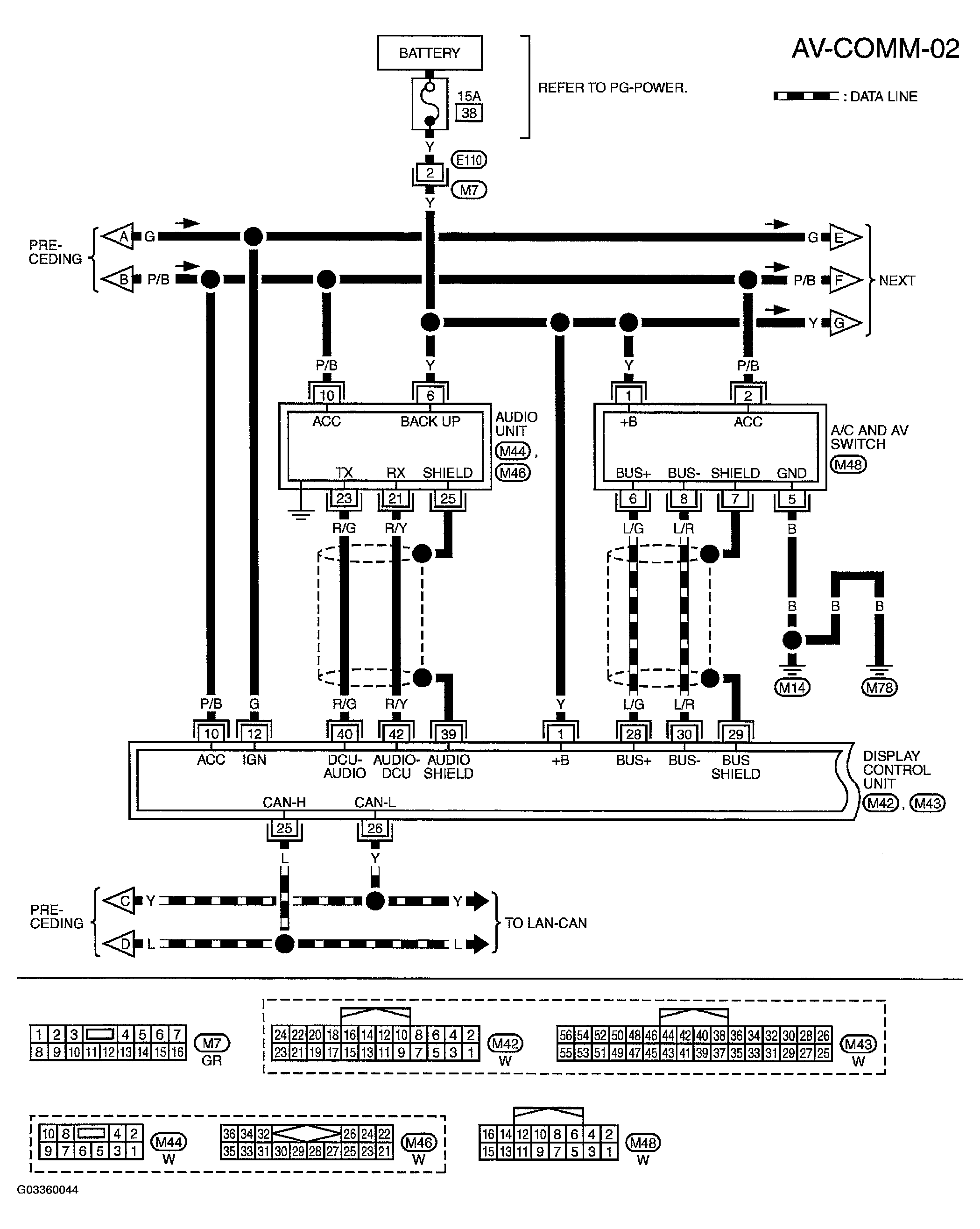
Fig 2: Wiring Diagram - CAN Communication System (2 Of 3)
G03360044Courtesy of NISSAN MOTOR CO., U.S.A.
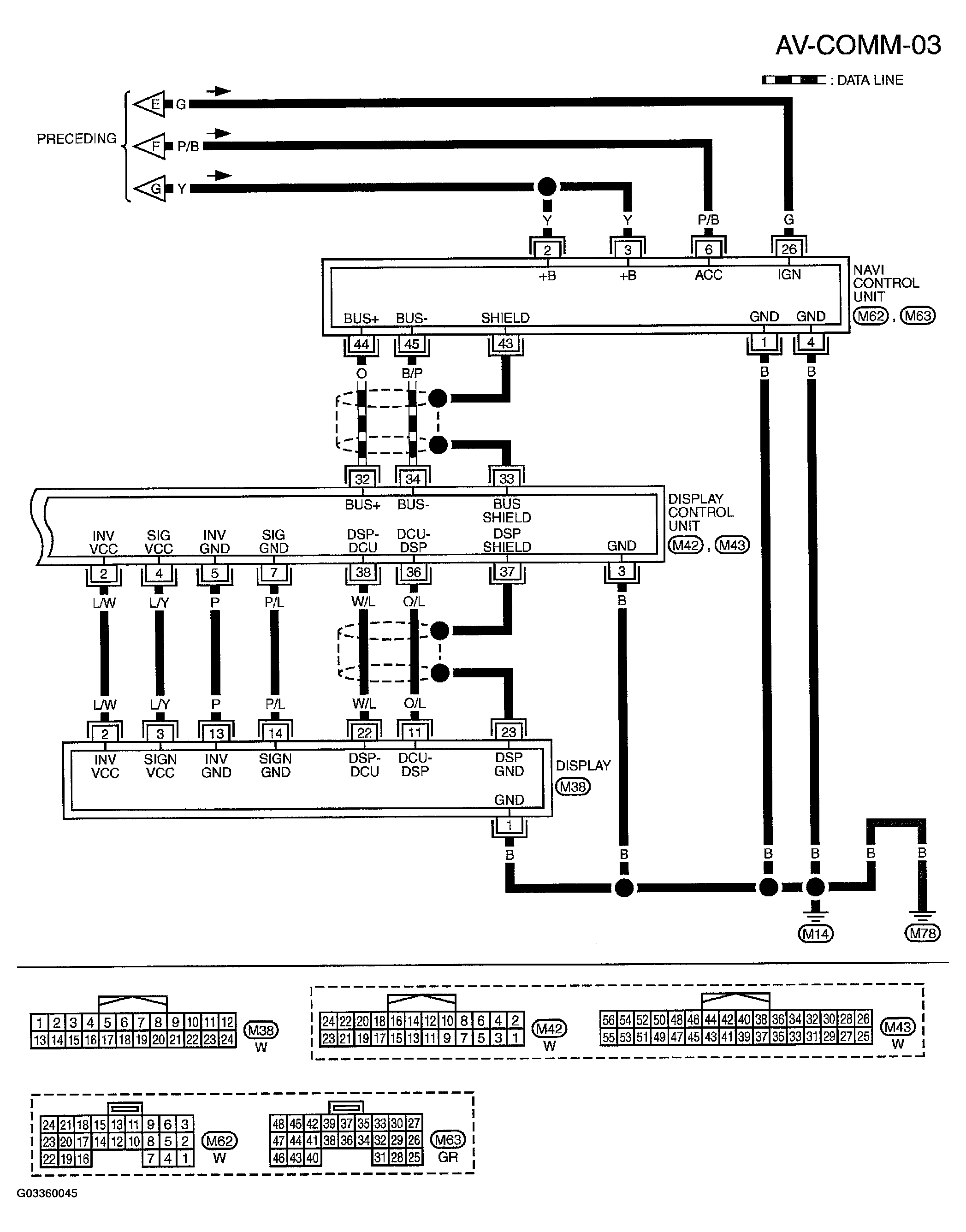
Fig 3: Wiring Diagram - CAN Communication System (3 Of 3)
G03360045Courtesy of NISSAN MOTOR CO., U.S.A.