LEMON Manuals: Even more car manuals for everyone: 1960-2025
Home >> Nissan-Datsun >> 2004 >> Sentra SE-R >> Repair and Diagnosis >> External Pages >> Different car >> Section 1038 (Auto Light System - Sedan) >> Schematic
April 5, 2026: LEMON Manuals is launched! Read the announcement.

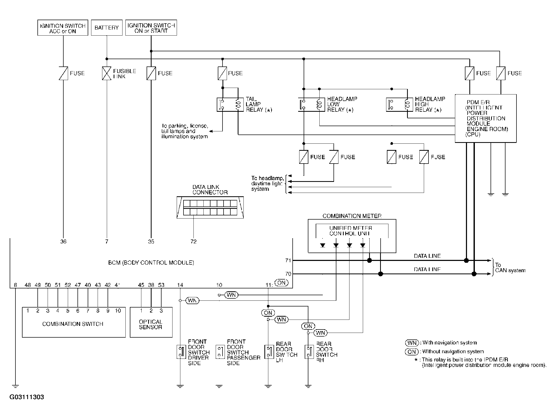
Section 1038 (Auto Light System - Sedan): Schematic

WARNING: This page is about a different car, the 2003 Infiniti G35. However, it is still accessible from the selected car via links, so may be relevant.
Fig 1: Auto Light Schematic Diagram
G03111303Courtesy of NISSAN MOTOR CO., U.S.A.