LEMON Manuals: Even more car manuals for everyone: 1960-2025
Home >> Nissan-Datsun >> 2004 >> Sentra SE-R >> Repair and Diagnosis >> External Pages >> Different car >> Section 1085 (Automatic HVAC System) >> Refrigeration System >> Refrigerant System Protection >> Pressure Relief Valve
April 5, 2026: LEMON Manuals is launched! Read the announcement.

Pressure Relief Valve

WARNING: This page is about a different car, the 2004 Nissan Quest. However, it is still accessible from the selected car via links, so may be relevant.

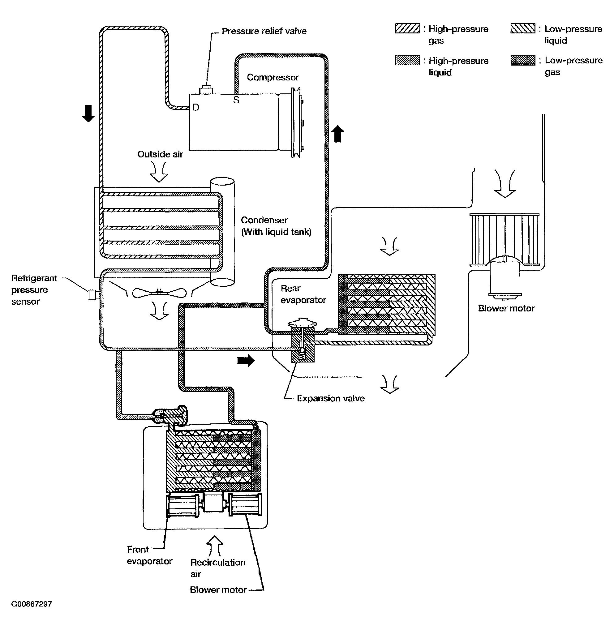
The refrigerant system is also protected by a pressure relief valve, located in the rear head of the compressor. When the pressure of refrigerant in the system increases to an abnormal level [more than 2,990 kPa (30.5 kg/cm2 , 433.6 psi)], the release port on the pressure relief valve automatically opens and releases refrigerant into the atmosphere.

Fig 1: Identifying HVAC Components
G00867297Courtesy of NISSAN MOTOR CO., U.S.A.