LEMON Manuals: Even more car manuals for everyone: 1960-2025
Home >> Nissan-Datsun >> 2004 >> Sentra SE-R >> Repair and Diagnosis >> External Pages >> Different car >> Section 1106 (Navigation System) >> Navigation System >> Wiring Diagram - COMM -
April 5, 2026: LEMON Manuals is launched! Read the announcement.

Wiring Diagram - COMM -

WARNING: This page is about a different car, the 2004 Nissan Quest. However, it is still accessible from the selected car via links, so may be relevant.
NOTE: For references to PG-POWER, see GROUND DISTRIBUTION & POWER DISTRIBUTION .
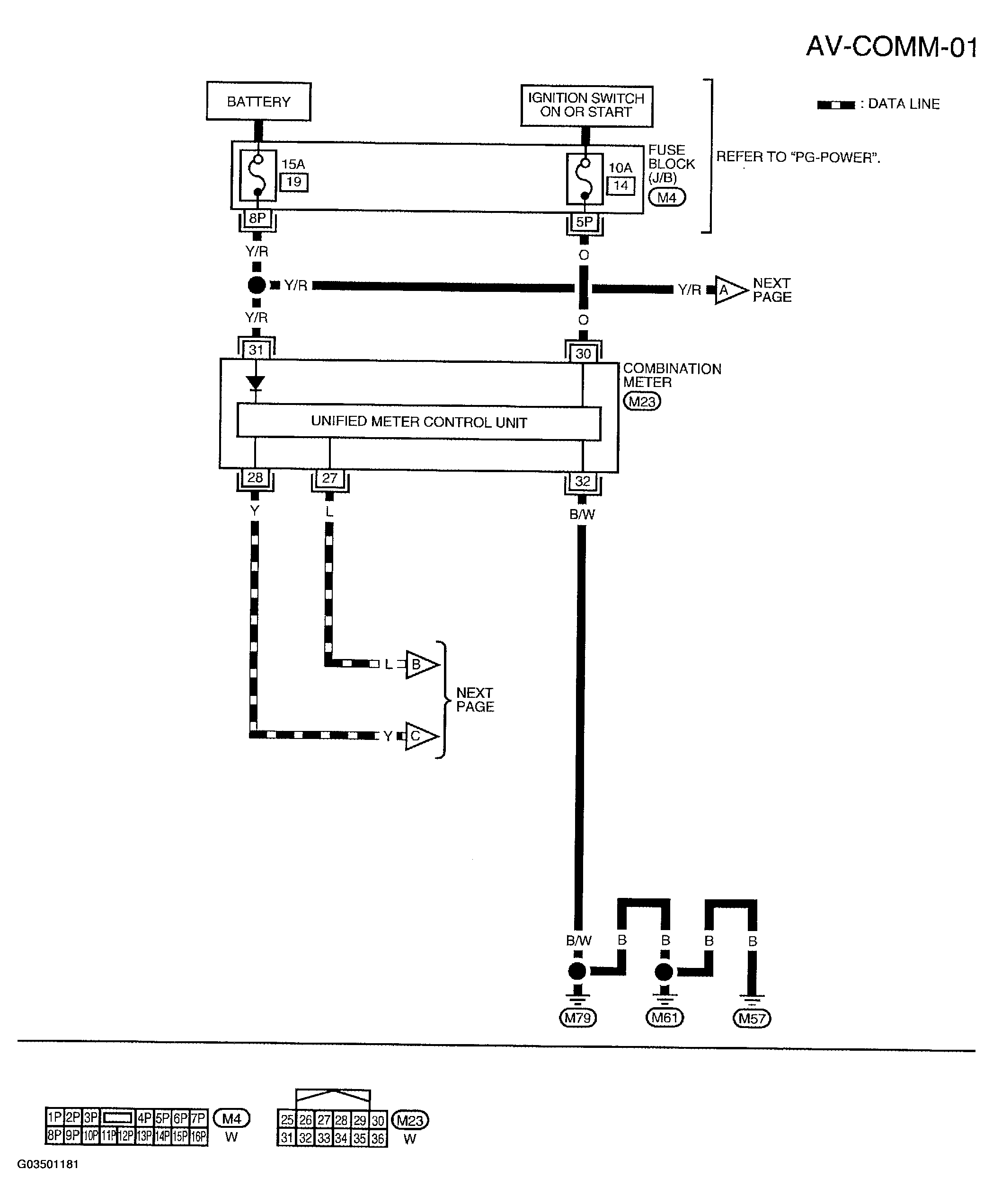
Fig 1: Wiring Diagram - AV-COMM-01
G03501181Courtesy of NISSAN MOTOR CO., U.S.A.
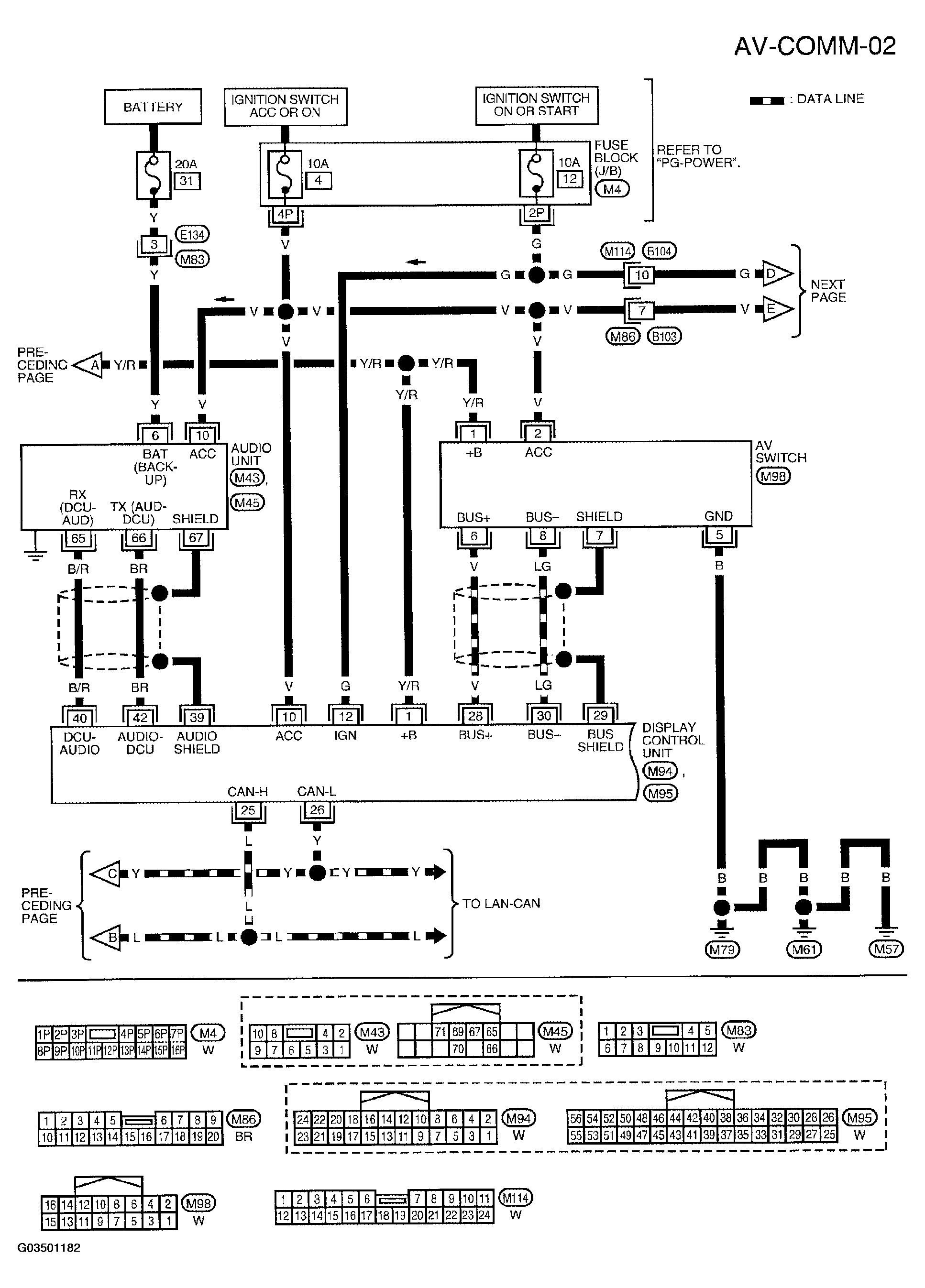
Fig 2: Wiring Diagram - AV-COMM-02
G03501182Courtesy of NISSAN MOTOR CO., U.S.A.
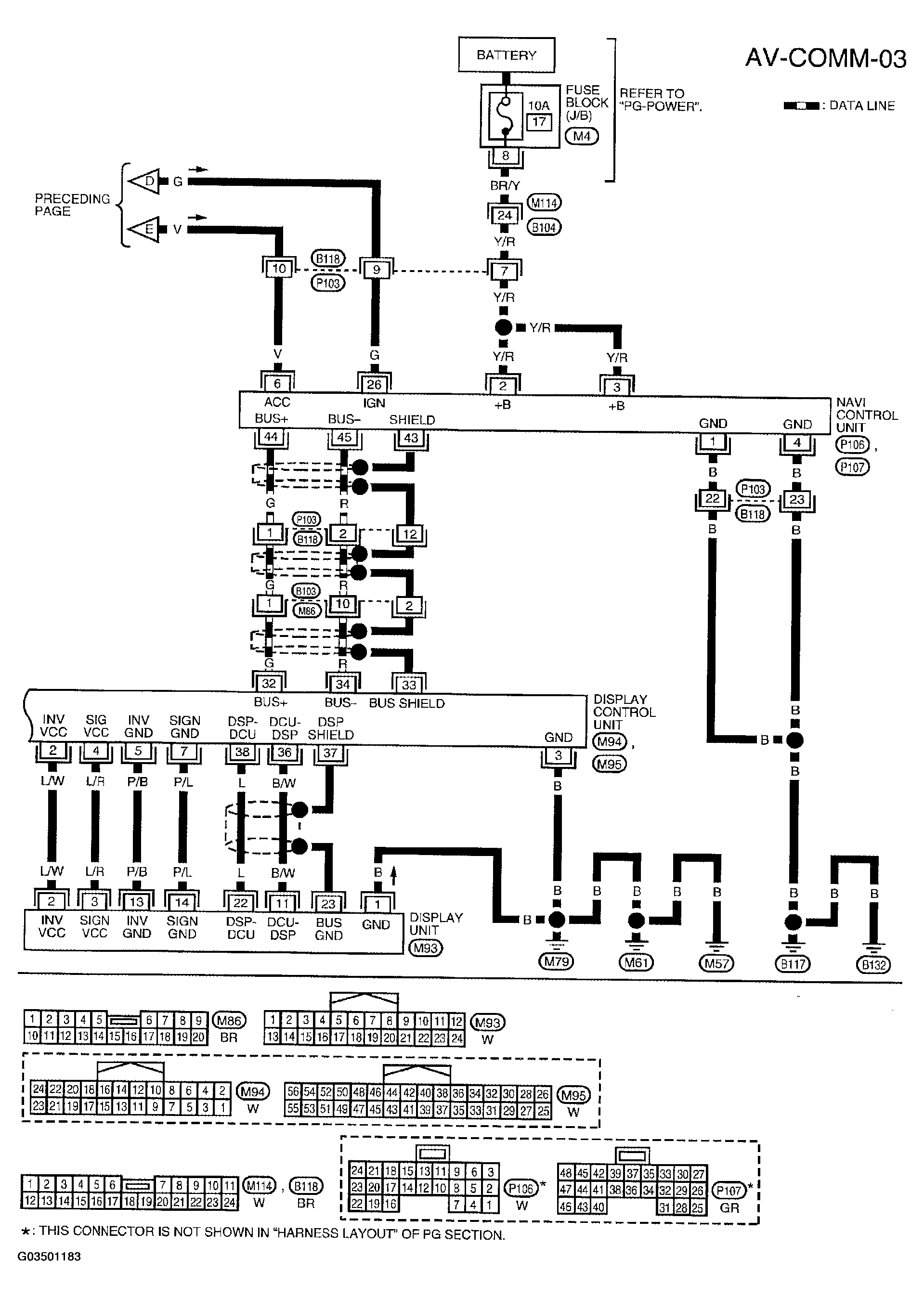
Fig 3: Wiring Diagram - AV-COMM-03
G03501183Courtesy of NISSAN MOTOR CO., U.S.A.