LEMON Manuals: Even more car manuals for everyone: 1960-2025
Home >> Nissan-Datsun >> 2004 >> Sentra SE-R >> Repair and Diagnosis >> External Pages >> Different car >> Section 1110 (Engine Control System) >> Mil And Data Link Connector >> Wiring Diagram
April 5, 2026: LEMON Manuals is launched! Read the announcement.

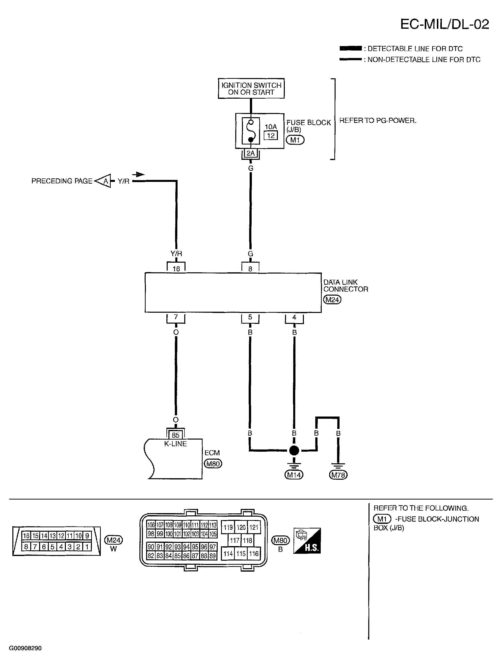
Mil And Data Link Connector: Wiring Diagram

WARNING: This page is about a different car, the 2004 Nissan Murano. However, it is still accessible from the selected car via links, so may be relevant.
Fig 1: Wiring Diagram - EC-MIL/DL-01
G00908289Courtesy of NISSAN MOTOR CO., U.S.A.
Fig 2: Wiring Diagram - EC-MIL/DL-02
G00908290Courtesy of NISSAN MOTOR CO., U.S.A.