LEMON Manuals: Even more car manuals for everyone: 1960-2025
Home >> Nissan-Datsun >> 2004 >> Sentra SE-R >> Repair and Diagnosis >> External Pages >> Different car >> Section 1113 (Transfer) >> Transfer Assembly >> Disassembly and Assembly >> Assembly Inspection >> Tooth Contact
April 5, 2026: LEMON Manuals is launched! Read the announcement.

Tooth Contact

WARNING: This page is about a different car, the 2004 Nissan Murano. However, it is still accessible from the selected car via links, so may be relevant.
  1. Remove the pinion sleeve assembly. Refer to "PINION SLEEVE ASSEMBLY ".
  2. Apply red lead to the drive gear.
    CAUTION: Apply red lead to both the faces of 3 to 4 gears at 4 locations evenly spaced on the drive gear.
  3. Install the pinion sleeve shims and pinion sleeve assembly. Refer to "PINION SLEEVE ASSEMBLY ".
  4. Remove the plug on the upper side of the transfer case. When installing plug, apply sealant on screw part, and tighten it at the specified torque. Refer to "COMPONENTS ".
    Fig 1: Applying Red Lead To The Drive Gear Teeth
    G00770363Courtesy of NISSAN MOTOR CO., U.S.A.
  5. Rotate the companion flange back and forth several times, and check the drive pinion gear to drive gear tooth contact by viewing from the plug hole.
    Fig 2: Rotating The Companion Flange Back And Forth
    G00770364Courtesy of NISSAN MOTOR CO., U.S.A.
    Fig 3: Tooth Contact Pattern
    G00770365Courtesy of NISSAN MOTOR CO., U.S.A.
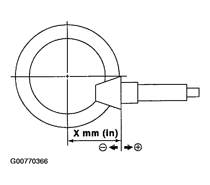
  6. If tooth contact is poorly adjusted, adjust pinion height (dimension X) in the following manner.
    Fig 4: Identifying Dimension X
    G00770366Courtesy of NISSAN MOTOR CO., U.S.A.