LEMON Manuals: Even more car manuals for everyone: 1960-2025
Home >> Nissan-Datsun >> 2004 >> Sentra SE-R >> Repair and Diagnosis >> External Pages >> Different car >> Section 1316 (Mirrors) >> Power Mirror Control System >> Inspection
April 5, 2026: LEMON Manuals is launched! Read the announcement.

Power Mirror Control System: Inspection

WARNING: This page is about a different car, the 2004 Lexus ES 330. However, it is still accessible from the selected car via links, so may be relevant.
  1. INSPECT OUTER MIRROR SWITCH ASSY 
    1. Inspect the mirror switch continuity.
      1. Left side for left/right adjustment switch:

        Inspect the left side mirror switch continuity.

        Standard: 

        LEFT SIDE OUTER MIRROR SWITCH ASSY TERMINAL SPECIFIED CONDITION CHART

        Terminal No. Switch position Specified condition
        - OFF No continuity
        3-4
        7-8
        UP Continuity
        3-8
        4-7
        DOWN Continuity
        4-9
        7-8
        LEFT Continuity
        4-7
        8-9
        RIGHT Continuity

        If the continuity is not as specified, replace the switch.

      2. Right side for left/right adjustment switch:

        Inspect the right side mirror switch continuity.

        Standard: 

        RIGHT SIDE OUTER MIRROR SWITCH ASSY TERMINAL SPECIFIED CONDITION CHART

        Terminal No. Switch position Specified condition
        - OFF No continuity
        2-4
        1-7-8
        UP Continuity
        4-7
        1-2-8
        DOWN Continuity
        1-7-8
        4-10
        LEFT Continuity
        4-7
        1-8-10
        RIGHT Continuity

        If the continuity is not as specified, replace the switch.

        Fig 1: Identifying Outer Mirror Switch Assy Connector Terminal
        G03484151Courtesy of © TOYOTA, LICENSE AGREEMENT TMS1002
  2. INSPECT OUTER REAR VIEW MIRROR ASSY LH 
    1. Inspect the mirror motor operation.

      Standard: 

      OUTER REAR VIEW MIRROR ASSY LH BATTERY MIRROR POSITION CHART

      Battery connection Mirror position
      Positive (+) - 3
      Negative (-) - 7
      Turn upward
      Positive (+) - 7
      Negative (-) - 3
      Turn downward
      Positive (+) - 6
      Negative (-) - 7
      Turn left
      Positive (+) - 7
      Negative (-) - 6
      Turn right
      Fig 2: Identifying Outer Rear View Mirror Assy LH Connector Terminal
      G03484152Courtesy of © TOYOTA, LICENSE AGREEMENT TMS1002
    2. Check the electro chromic outer mirror operation.
      1. Connect the positive lead from the dry cell battery to terminal 1 and the negative lead to terminal 2, then check that the mirror surface changes to "dark".
      2. Check that the mirror turns to "bright" after disconnecting the battery.
    3. Fig 3: Checking Electro Chromic Outer Mirror Operation
      G03484153Courtesy of © TOYOTA, LICENSE AGREEMENT TMS1002
    4. Check the mirror heater operation.
      1. Check the resistance between terminals 4 and 5 of the connector.

        Resistance: 3.4 - 4.5 Ω 

      2. Check that the mirror is heated up when connecting the battery positive (+) to terminal 4 and the battery negative (-) to terminal 5 of the connector.
  3. INSPECT OUTER REAR VIEW MIRROR ASSY RH 
    1. Inspect the mirror motor operation.

      Standard: 

      OUTER REAR VIEW MIRROR ASSY RH BATTERY MIRROR POSITION CHART

      Battery connection Mirror position
      Positive (+) - 3
      Negative (-) - 7
      Turn upward
      Positive (+) - 7
      Negative (-) - 3
      Turn downward
      Positive (+) -6
      Negative (-) - 7
      Turn left
      Positive (+) - 7
      Negative (-) - 6
      Turn right
      Fig 4: Identifying Outer Rear View Mirror Assy RH Connector Terminal
      G03484154Courtesy of © TOYOTA, LICENSE AGREEMENT TMS1002
    2. Check the electro chromic outer mirror operation.
      1. Connect the positive lead from the dry cell battery to terminal 1 and the negative lead to terminal 2, then check that the mirror surface changes to "dark".
      2. Check that the mirror turns to "bright" after disconnecting the battery.
    3. Check the mirror heater operation.
      1. Check the resistance between terminals 4 and 5 of the connector.

        Resistance: 3.4 - 4.5 Ω 

      2. Check that the mirror is heated up when connecting the battery positive (+) to terminal 4 and the battery negative (-) to terminal 5 of the connector.
        Fig 5: Checking Electro Chromic Outer Mirror Operation
        G03484155Courtesy of © TOYOTA, LICENSE AGREEMENT TMS1002
  4. INSPECT OUTER REAR VIEW MIRROR ASSY LH 
    1. Inspect the mirror motor operation.

      Standard: 

      OUTER REAR VIEW MIRROR ASSY LH BATTERY MIRROR POSITION CHART

      Battery connection Mirror position
      Positive (+) - 5
      Negative (-) - 6
      Turn upward
      Positive (+) - 6
      Negative (-) - 5
      Turn downward
      Positive (+) -11
      Negative (-) - 6
      Turn left
      Positive (+) - 6
      Negative (-) - 11
      Turn right
      Fig 6: Identifying Outer Rear View Mirror Assy LH Connector Terminal
      G03484156Courtesy of © TOYOTA, LICENSE AGREEMENT TMS1002
    2. Check the electro chromic outer mirror operation.
      1. Connect the positive lead from the dry cell battery to terminal 4 and the negative lead to terminal 10, then check that the mirror surface changes to "dark".
      2. Check that the mirror turns to "bright" after disconnecting the battery.
    3. Fig 7: Checking Electro Chromic Outer Mirror Operation
      G03484157Courtesy of © TOYOTA, LICENSE AGREEMENT TMS1002
    4. Check the mirror heater operation.
      1. Check the resistance between terminals 3 and 9 of the connector.

        Resistance: 3.4 - 4.5 Ω 

      2. Check that the mirror is heated up when connecting the battery positive (+) to terminal 3 and the battery negative (-) to terminal 9 of the connector.
  5. INSPECT OUTER REAR VIEW MIRROR ASSY RH 
    1. Inspect the mirror motor operation.

      Standard: 

      OUTER REAR VIEW MIRROR ASSY RH BATTERY MIRROR POSITION CHART

      Battery connection Mirror position
      Positive (+) - 5
      Negative (-) - 6
      Turn upward
      Positive (+) - 6
      Negative (-) - 5
      Turn downward
      Positive (+) - 11
      Negative (-) - 6
      Turn left
      Positive (+) - 6
      Negative (-) - 11
      Turn right
      Fig 8: Identifying Outer Rear View Mirror Assy RH Connector Terminal
      G03484158Courtesy of © TOYOTA, LICENSE AGREEMENT TMS1002
    2. Check the electro chromic outer mirror operation.
      1. Connect the positive lead from the dry cell battery to terminal 4 and the negative lead to terminal 10, then check that the mirror surface changes to "dark".
      2. Check that the mirror turns to "bright" after disconnecting the battery.
    3. Fig 9: Checking Electro Chromic Outer Mirror Operation
      G03484159Courtesy of © TOYOTA, LICENSE AGREEMENT TMS1002
    4. Check the mirror heater operation.
      1. Check the resistance between terminals 3 and 9 of the connector.

        Resistance: 3.4 - 4.5 Ω 

      2. Check that the mirror is heated up when connecting the battery positive (+) to terminal 3 and the battery negative (-) to terminal 9 of the connector.
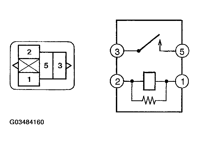
  6. INSPECT ACC RELAY 
    1. Inspect the ACC relay (marking: ACC) continuity.

      Standard: 

      ACC RELAY TERMINAL SPECIFIED CONDITION CHART

      Terminal No. Condition Specified condition
      1 <=> 2 Constant Continuity
      3 <=> 5 Constant No continuity
      3 <=> 5 Apply B+ between terminals 1 and 2 Continuity

      If the continuity is not as specified, replace the relay

      Fig 10: Checking ACC Relay Continuity
      G03484160Courtesy of © TOYOTA, LICENSE AGREEMENT TMS1002