LEMON Manuals: Even more car manuals for everyone: 1960-2025
Home >> Nissan-Datsun >> 2004 >> Sentra SE-R >> Repair and Diagnosis >> External Pages >> Different car >> Section 1416 (Driver Information System) >> Rear View Monitor >> Schematic
April 5, 2026: LEMON Manuals is launched! Read the announcement.

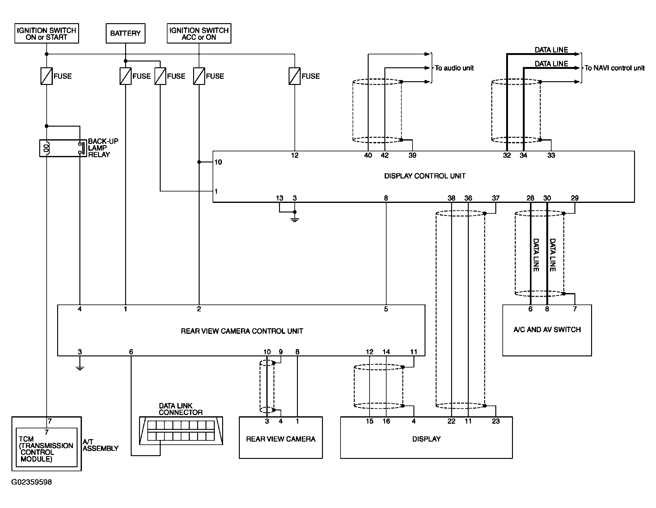
Rear View Monitor: Schematic

WARNING: This page does not describe the selected car, but rather 6 other vehicles, including the 2005 Infiniti FX45, 2005 Infiniti FX35, 2004 Infiniti FX45, 2004 Infiniti FX35, and 2003 Infiniti FX45. However, it is still accessible from the selected car via links, so may be relevant.
Fig 1: Schematic Diagram
G02359598Courtesy of NISSAN MOTOR CO., U.S.A.