LEMON Manuals: Even more car manuals for everyone: 1960-2025
Home >> Nissan-Datsun >> 2004 >> Sentra SE-R >> Repair and Diagnosis >> External Pages >> Different car >> Section 1420 (Audio Visual, Navigation & Telephone System) >> Audio >> Schematic - Base System -
April 5, 2026: LEMON Manuals is launched! Read the announcement.

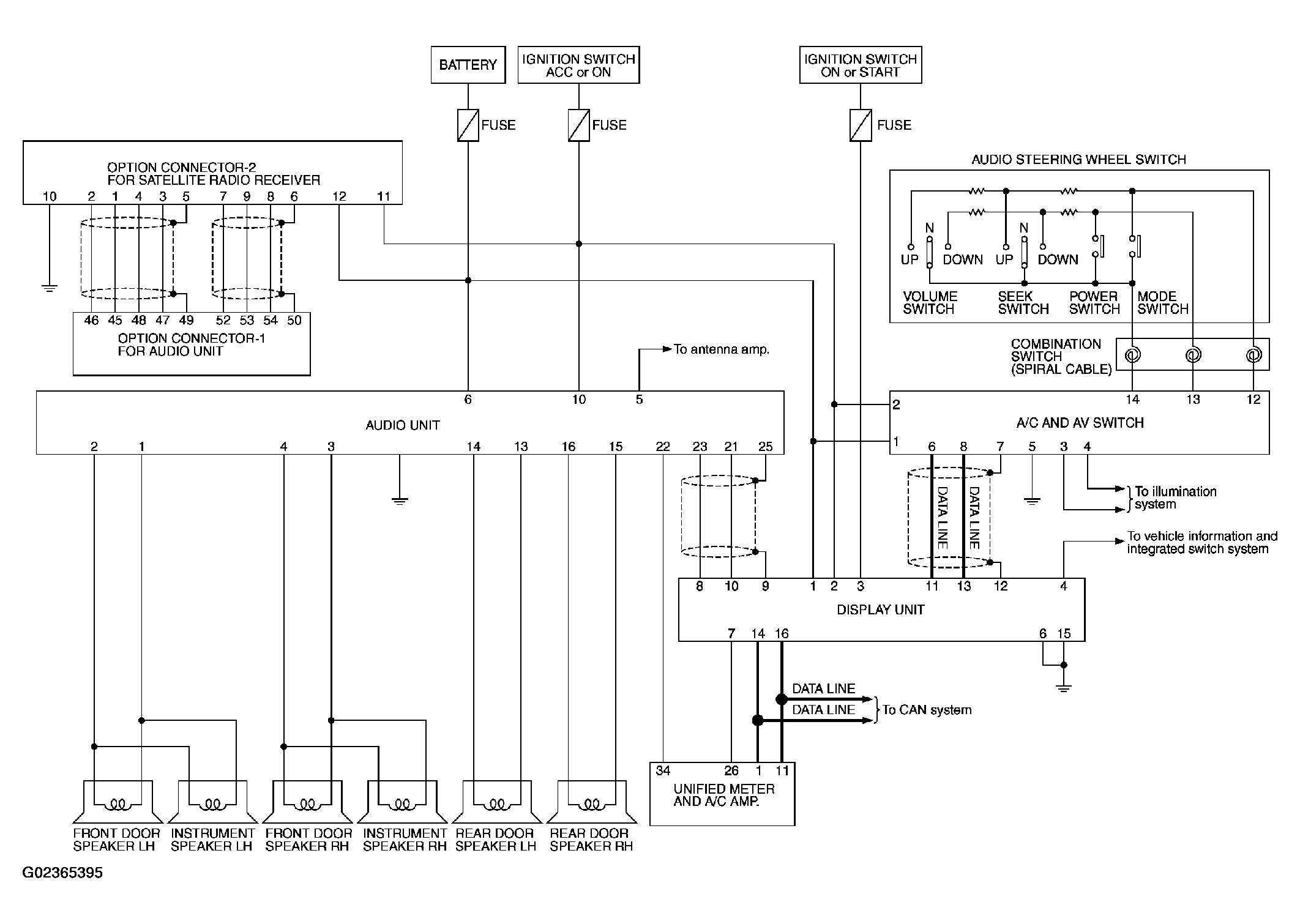
Schematic - Base System -

WARNING: This page is about a different car, the 2005 Infiniti FX45 and 2005 Infiniti FX35. However, it is still accessible from the selected car via links, so may be relevant.
Fig 1: Identifying Audio - Schematic Base System
G02365395Courtesy of NISSAN MOTOR CO., U.S.A.