LEMON Manuals: Even more car manuals for everyone: 1960-2025
Home >> Nissan-Datsun >> 2004 >> Sentra SE-R >> Repair and Diagnosis >> External Pages >> Different car >> Section 1430 (Engine Control System) >> DTC P0101: MAF Sensor >> Wiring Diagram
April 5, 2026: LEMON Manuals is launched! Read the announcement.

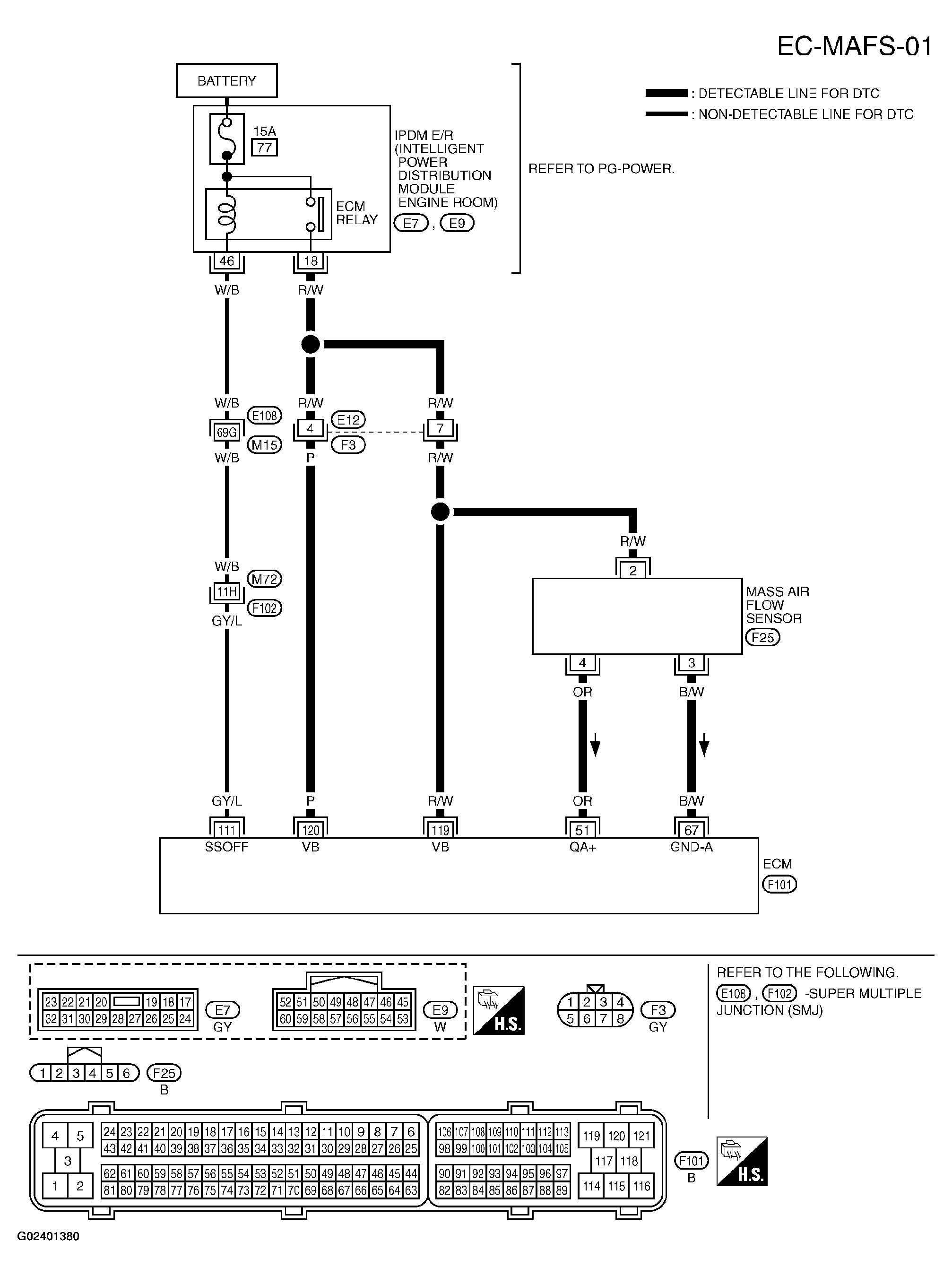
DTC P0101: MAF Sensor: Wiring Diagram

WARNING: This page is about a different car, the 2005 Nissan 350Z. However, it is still accessible from the selected car via links, so may be relevant.
Fig 1: MAF Sensor Wiring Diagram - EC-MAFS-01
G02401380Courtesy of NISSAN MOTOR CO., U.S.A.

Specification data are reference values and are measured between each terminal and ground.

CAUTION: Do not use ECM ground terminals when measuring input/output voltage. Doing so may result in damage to the ECM's transistor. Use a ground other than ECM terminals, such as the ground. 
Fig 2: Terminal Reference Chart
G02401381Courtesy of NISSAN MOTOR CO., U.S.A.