LEMON Manuals: Even more car manuals for everyone: 1960-2025
Home >> Nissan-Datsun >> 2004 >> Sentra SE-R >> Repair and Diagnosis >> External Pages >> Different car >> Section 1430 (Engine Control System) >> Mil And Data Link Connector >> Wiring Diagram
April 5, 2026: LEMON Manuals is launched! Read the announcement.

Mil And Data Link Connector: Wiring Diagram

WARNING: This page is about a different car, the 2005 Nissan 350Z. However, it is still accessible from the selected car via links, so may be relevant.
Fig 1: Wiring Diagram - MIL & Data Link Connector - EC-MIL/DL-01
G02402240Courtesy of NISSAN MOTOR CO., U.S.A.
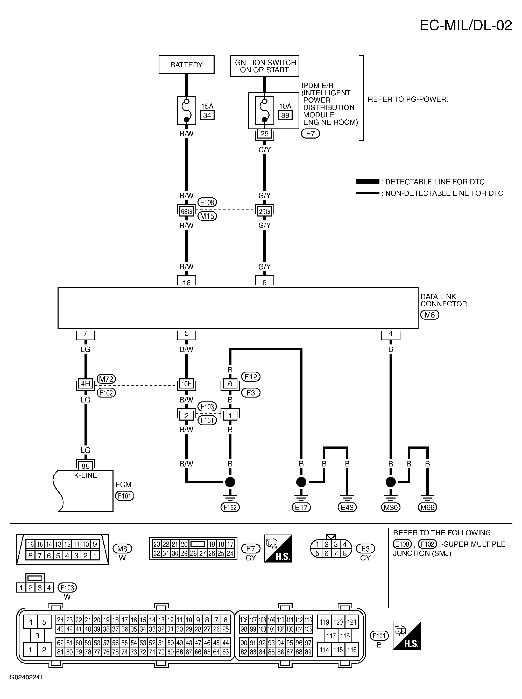
Fig 2: Wiring Diagram - MIL & Data Link Connector - EC-MIL/DL-02
G02402241Courtesy of NISSAN MOTOR CO., U.S.A.