LEMON Manuals: Even more car manuals for everyone: 1960-2025
Home >> Nissan-Datsun >> 2004 >> Sentra SE-R >> Repair and Diagnosis >> External Pages >> Different car >> Section 1493 (Audio, Visual, Navigation & Telephone System) >> Navigation System >> Wiring Diagram - COMM -
April 5, 2026: LEMON Manuals is launched! Read the announcement.

Wiring Diagram - COMM -

WARNING: This page is about a different car, the 2005 Nissan Quest. However, it is still accessible from the selected car via links, so may be relevant.
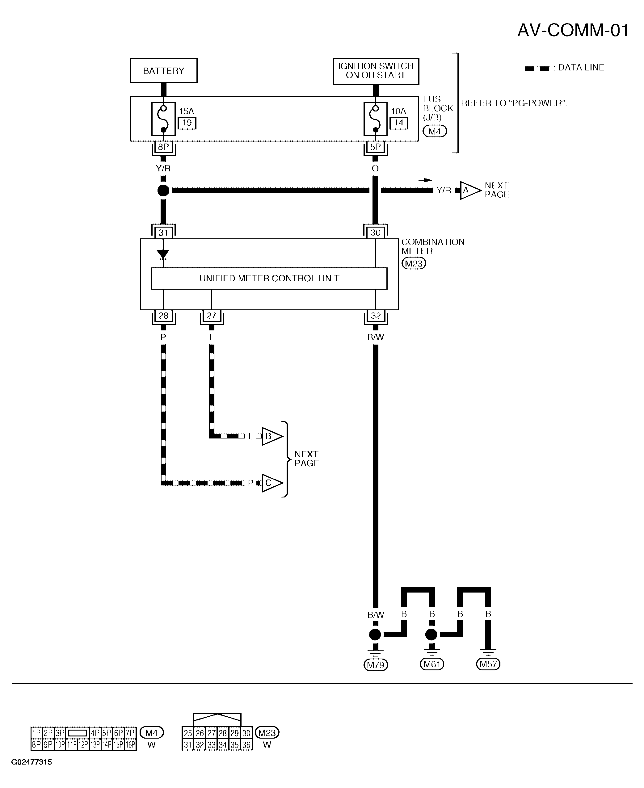
Fig 1: Wiring Diagram - AV-COMM-01
G02477315Courtesy of NISSAN MOTOR CO., U.S.A.
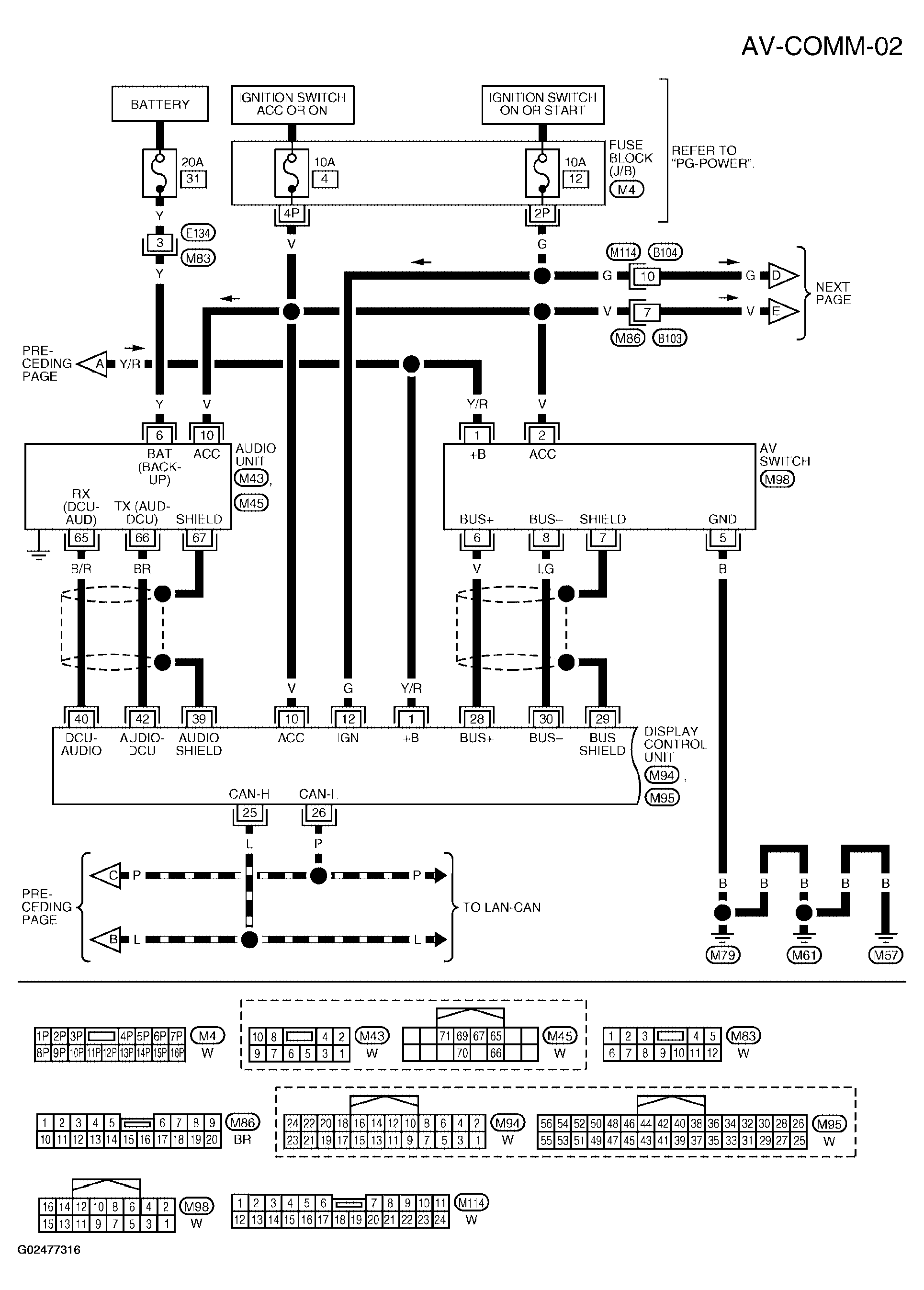
Fig 2: Wiring Diagram - AV-COMM-02
G02477316Courtesy of NISSAN MOTOR CO., U.S.A.
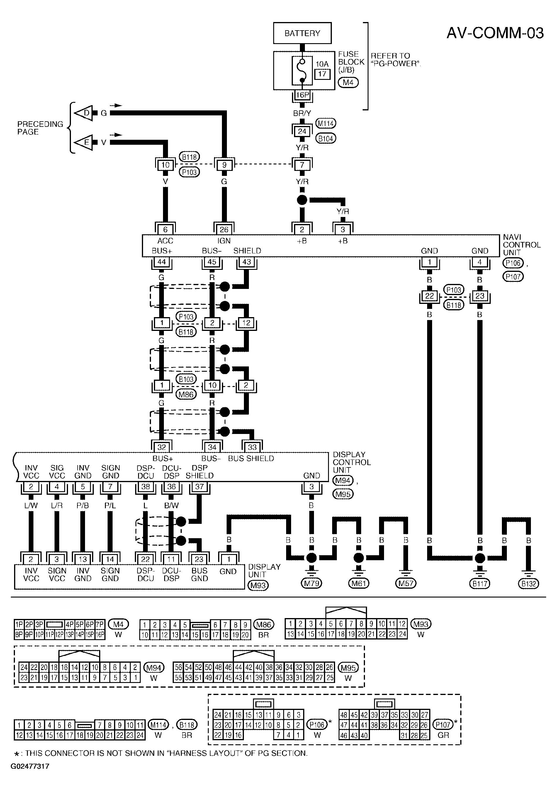
Fig 3: Wiring Diagram - AV-COMM-03
G02477317Courtesy of NISSAN MOTOR CO., U.S.A.
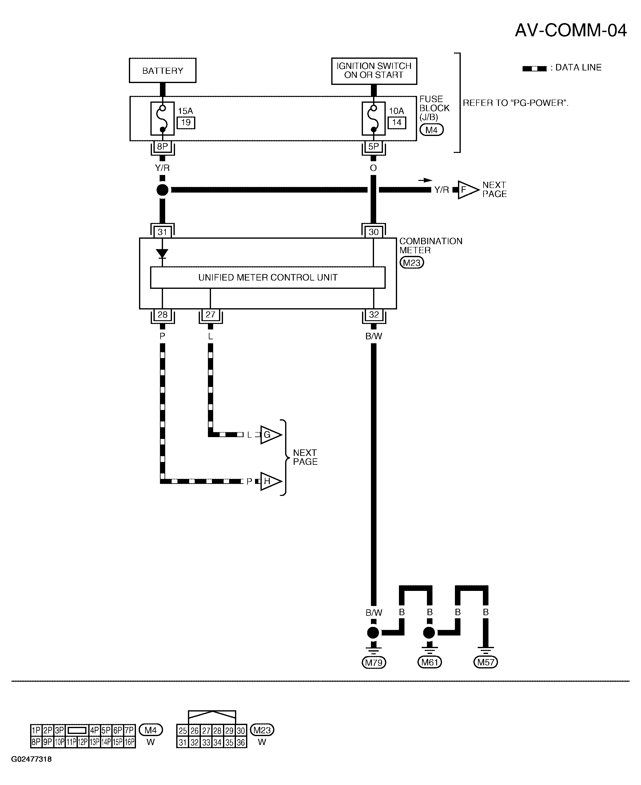
Fig 4: Wiring Diagram - AV-COMM-04
G02477318Courtesy of NISSAN MOTOR CO., U.S.A.
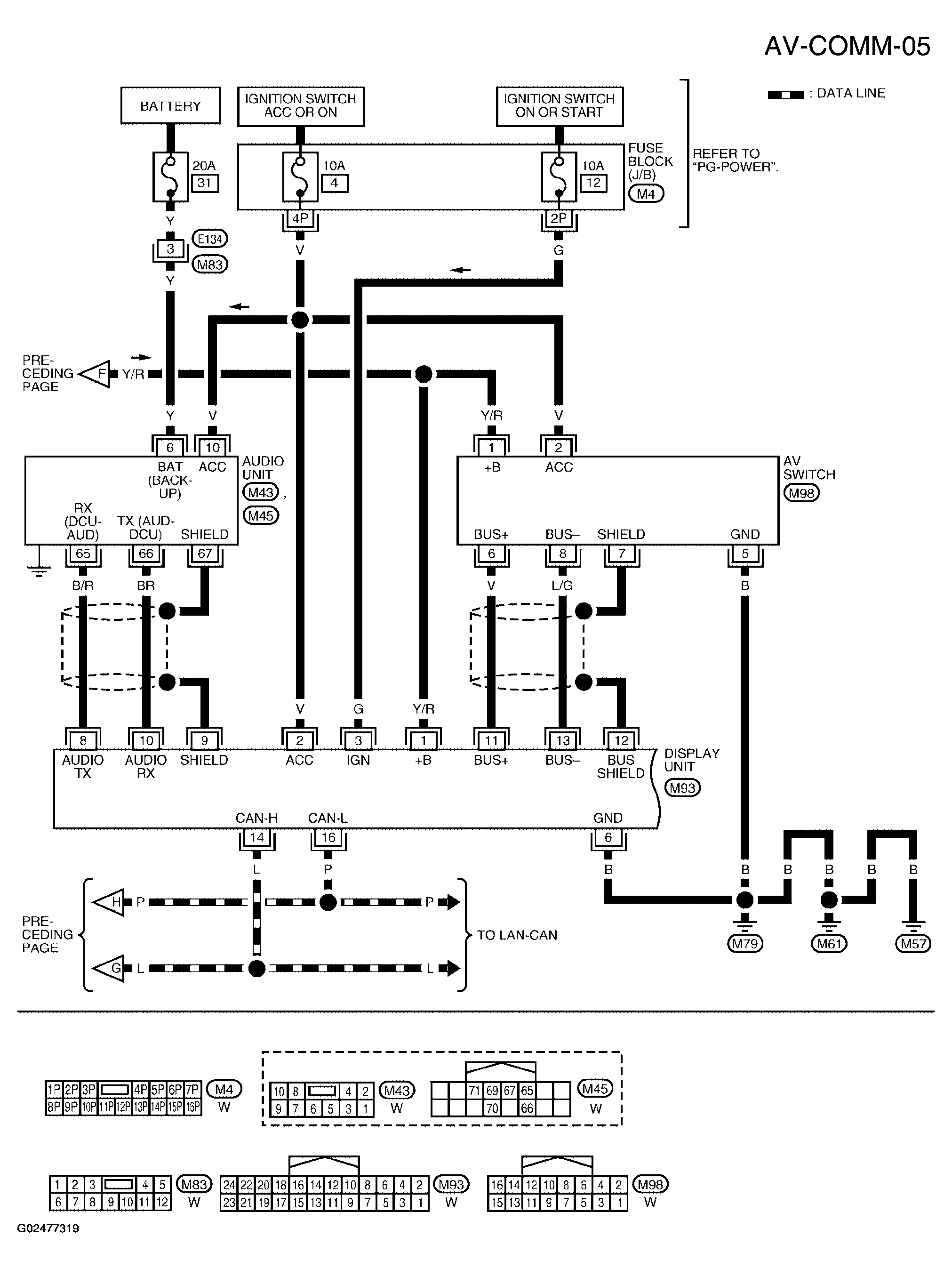
Fig 5: Wiring Diagram - AV-COMM-05
G02477319Courtesy of NISSAN MOTOR CO., U.S.A.