LEMON Manuals: Even more car manuals for everyone: 1960-2025
Home >> Nissan-Datsun >> 2004 >> Sentra SE-R >> Repair and Diagnosis >> External Pages >> Different car >> Section 1510 (Starting & Charging System) >> Starter >> Schematic - M/T Models - >> Notes
April 5, 2026: LEMON Manuals is launched! Read the announcement.

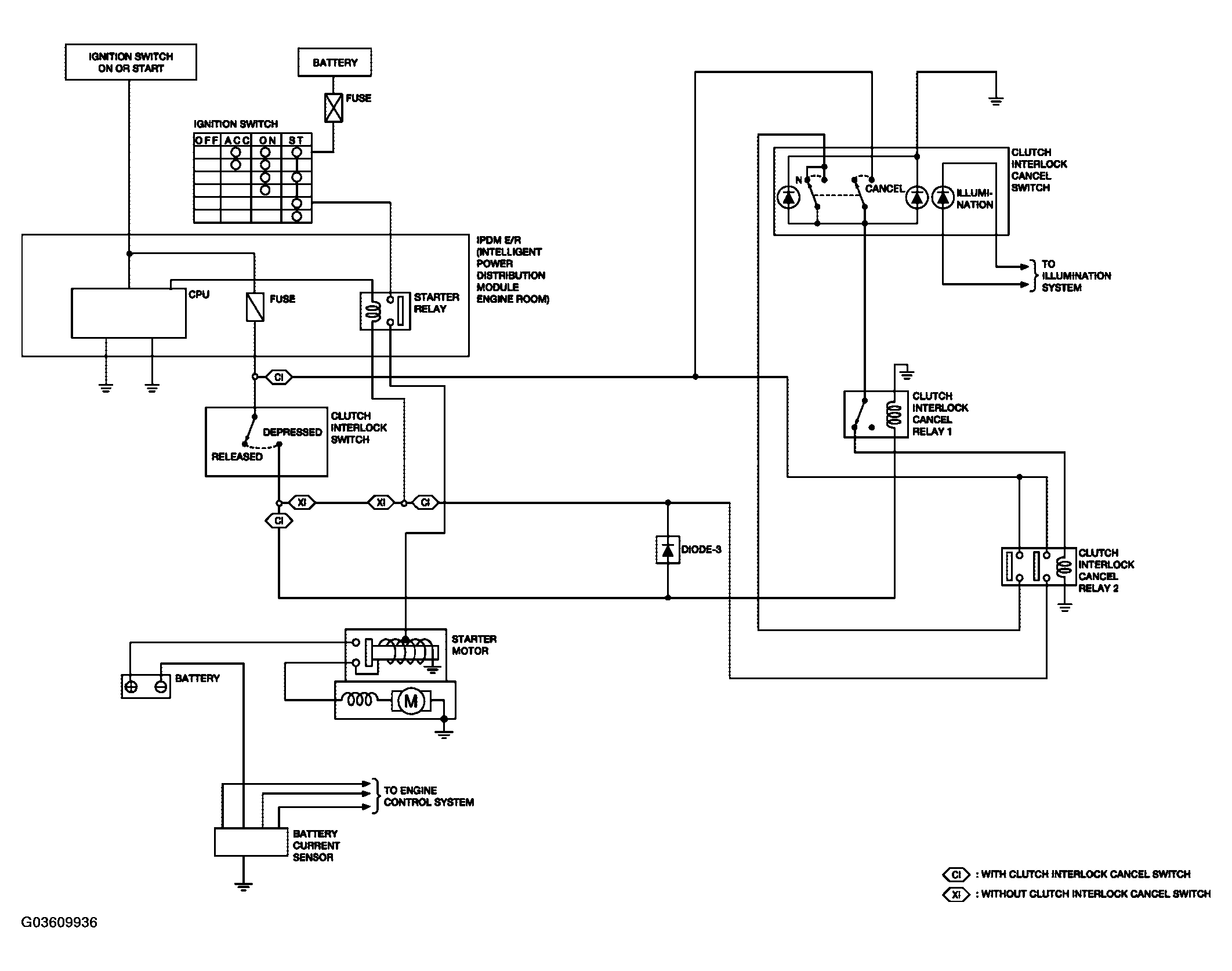
Schematic - M/T Models -: Notes

WARNING: This page is about a different car, the 2005 Nissan Xterra. However, it is still accessible from the selected car via links, so may be relevant.
Fig 1: Schematic Diagram - M/T Models -
G03609936Courtesy of NISSAN MOTOR CO., U.S.A.