LEMON Manuals: Even more car manuals for everyone: 1960-2025
Home >> Nissan-Datsun >> 2004 >> Sentra SE-R >> Repair and Diagnosis >> External Pages >> Different car >> Section 1645 (Driver Information System) >> Compass And Thermometer >> Wiring Diagram - COMPAS
April 5, 2026: LEMON Manuals is launched! Read the announcement.

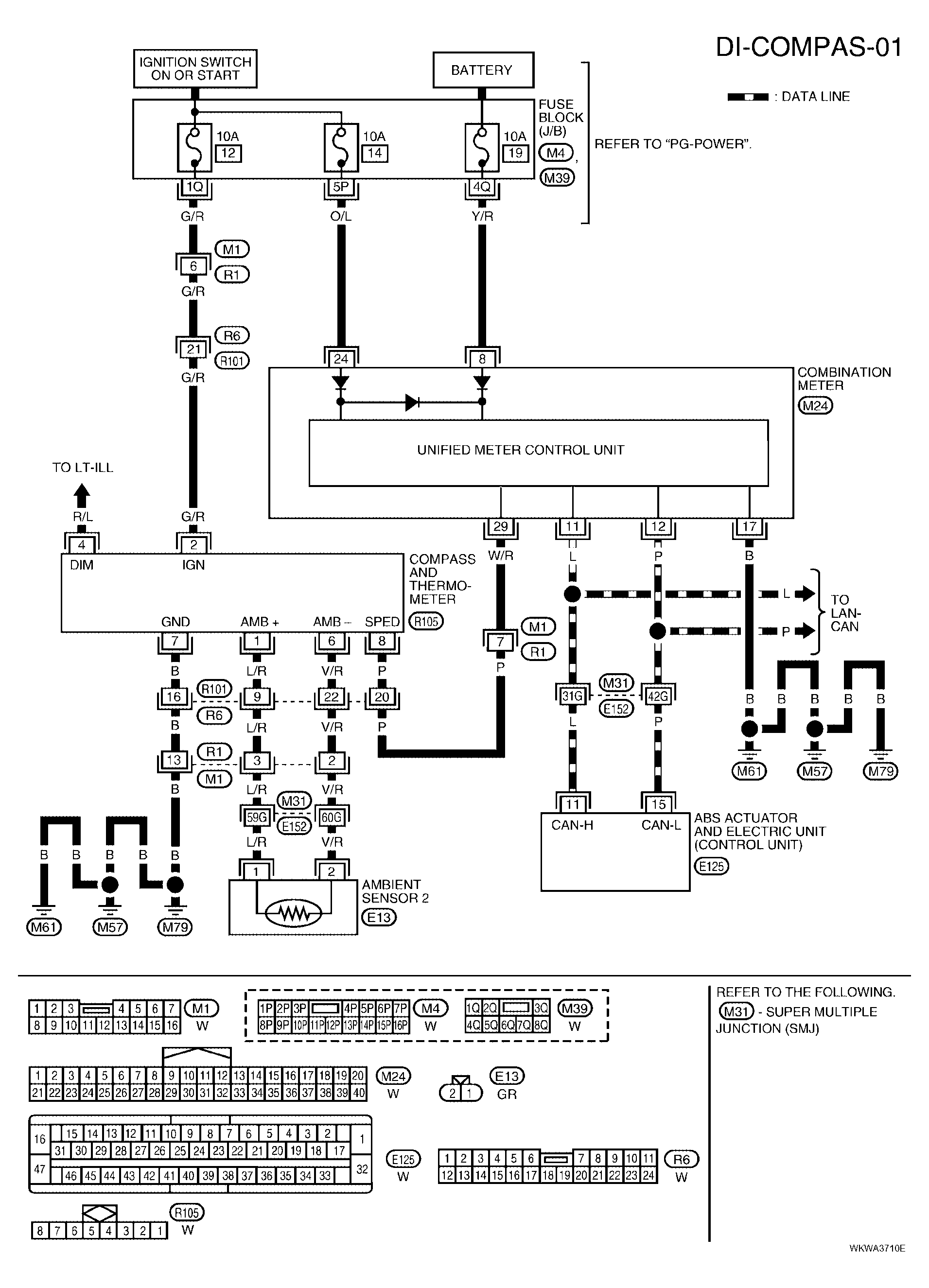
Wiring Diagram - COMPAS

WARNING: This page is about a different car, the 2006 Nissan Titan. However, it is still accessible from the selected car via links, so may be relevant.
NOTE: For PG-POWER references, refer to POWER SUPPLY, GROUND & CIRCUIT ELEMENTS .
Fig 1: Identifying Wiring Diagram (DI-COMPAS-01)
G04188779Courtesy of NISSAN MOTOR CO., U.S.A.