LEMON Manuals: Even more car manuals for everyone: 1960-2025
Home >> Nissan-Datsun >> 2004 >> Sentra SE-R >> Repair and Diagnosis >> External Pages >> Different car >> Section 1664 (Automatic Air Conditioner) >> Refrigeration System >> Refrigerant Cycle >> Notes
April 5, 2026: LEMON Manuals is launched! Read the announcement.

Refrigerant Cycle: Notes

WARNING: This page is about a different car, the 2006 Nissan Pathfinder. However, it is still accessible from the selected car via links, so may be relevant.
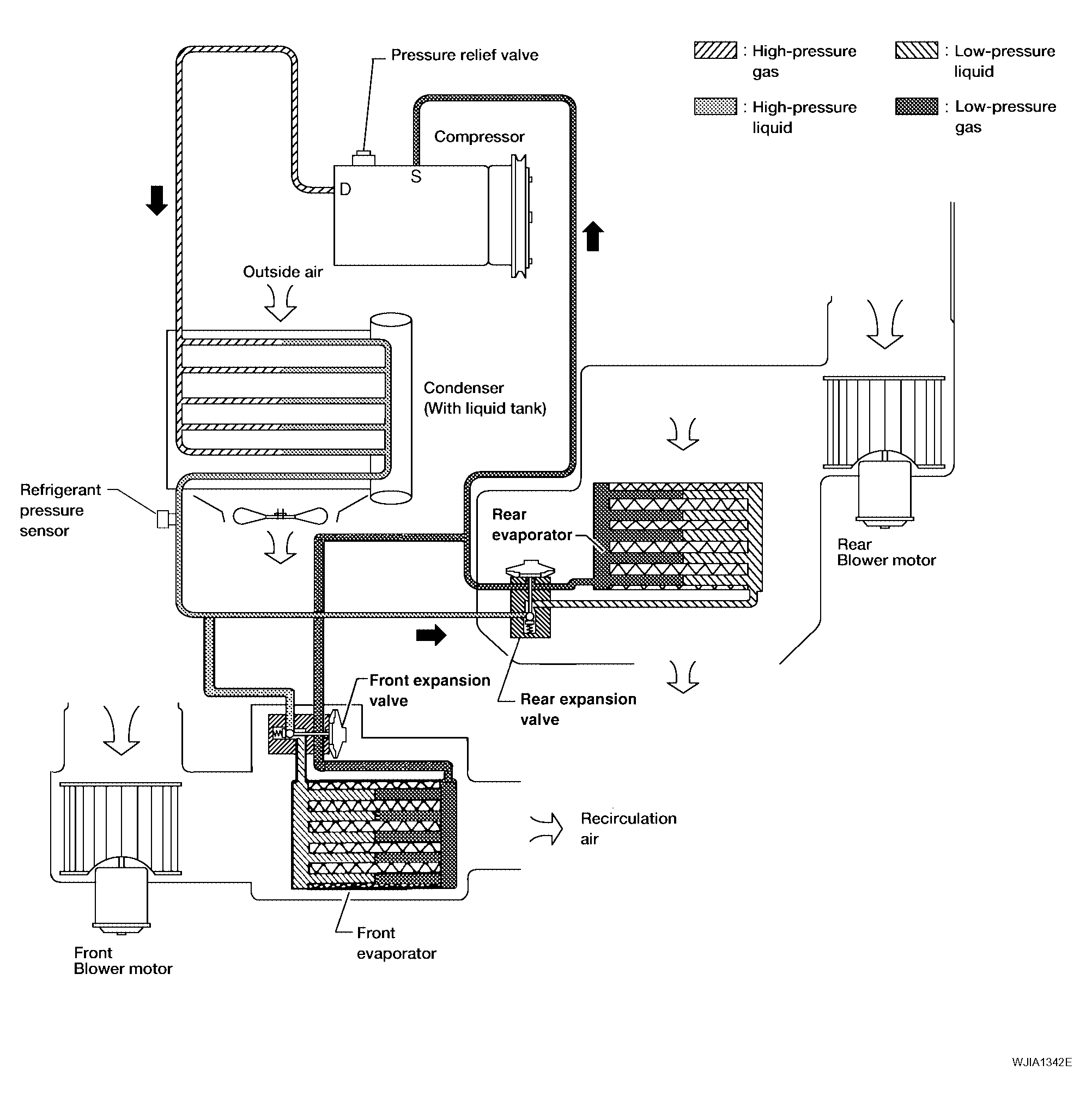
Fig 1: Pressure Relief Valve Operation Diagram
G04176414Courtesy of NISSAN MOTOR CO., U.S.A.