LEMON Manuals: Even more car manuals for everyone: 1960-2025
Home >> Nissan-Datsun >> 2004 >> Sentra SE-R >> Repair and Diagnosis >> External Pages >> Different car >> Section 1675 (Body, Lock & Security System) >> Remote Keyless Entry System >> Wiring Diagram - KEYLES
April 5, 2026: LEMON Manuals is launched! Read the announcement.

Wiring Diagram - KEYLES

WARNING: This page is about a different car, the 2006 Nissan Pathfinder. However, it is still accessible from the selected car via links, so may be relevant.
NOTE: For PG references see POWER SUPPLY, GROUND AND CIRCUIT ELEMENTS
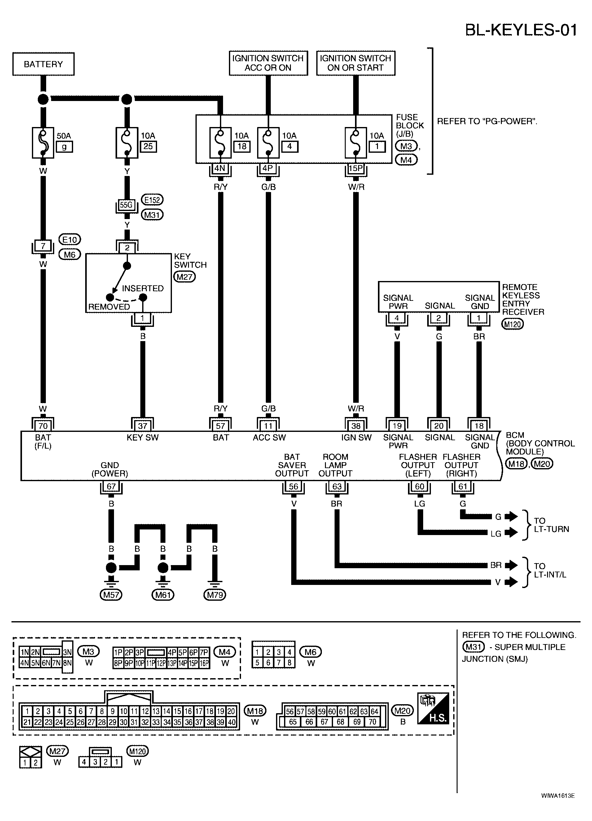
Fig 1: BL-KEYLES-01 - Wiring Diagram (1 Of 3)
G04175797Courtesy of NISSAN MOTOR CO., U.S.A.
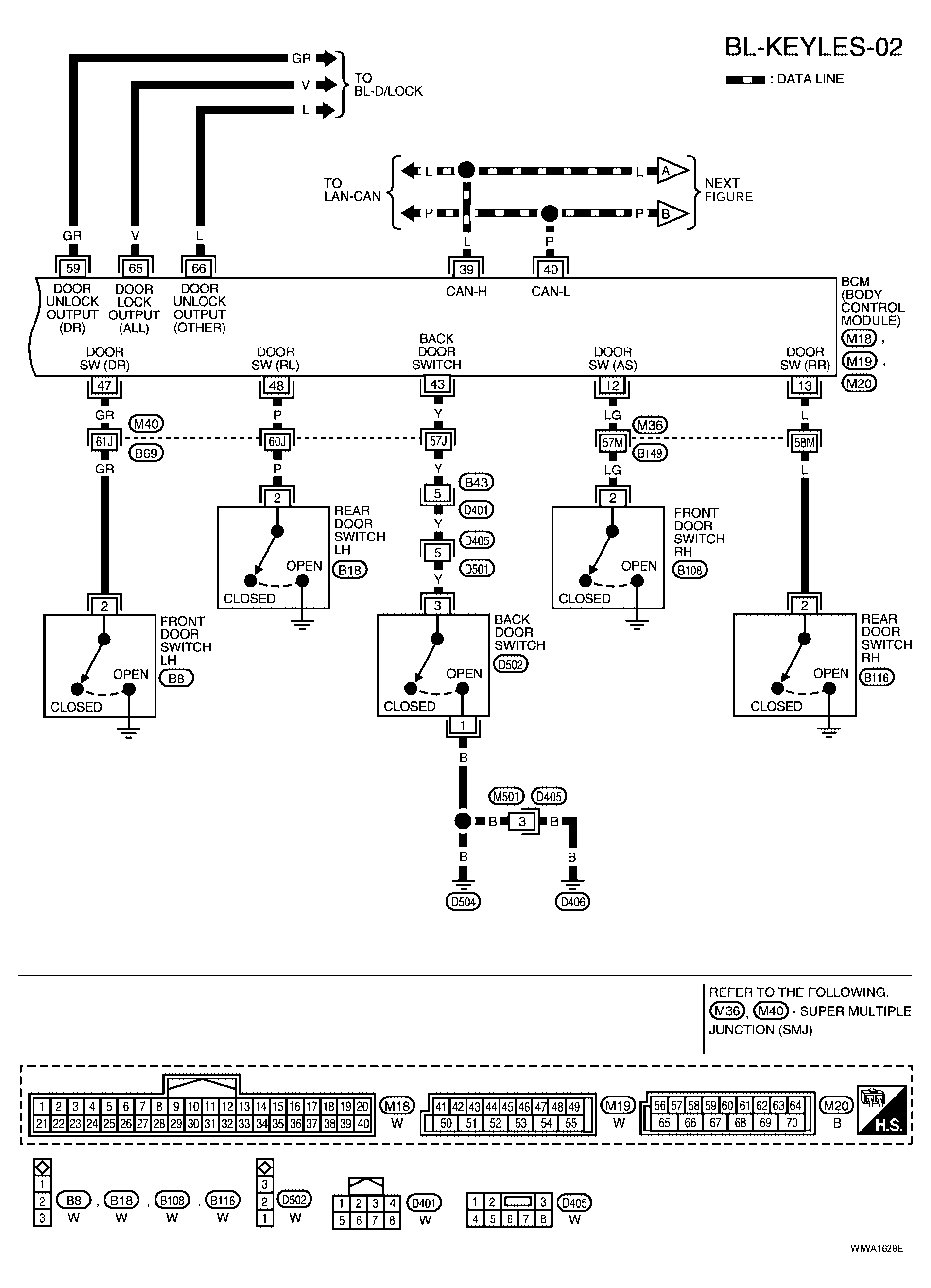
Fig 2: BL-KEYLES-02 - Wiring Diagram (2 Of 3)
G04175798Courtesy of NISSAN MOTOR CO., U.S.A.
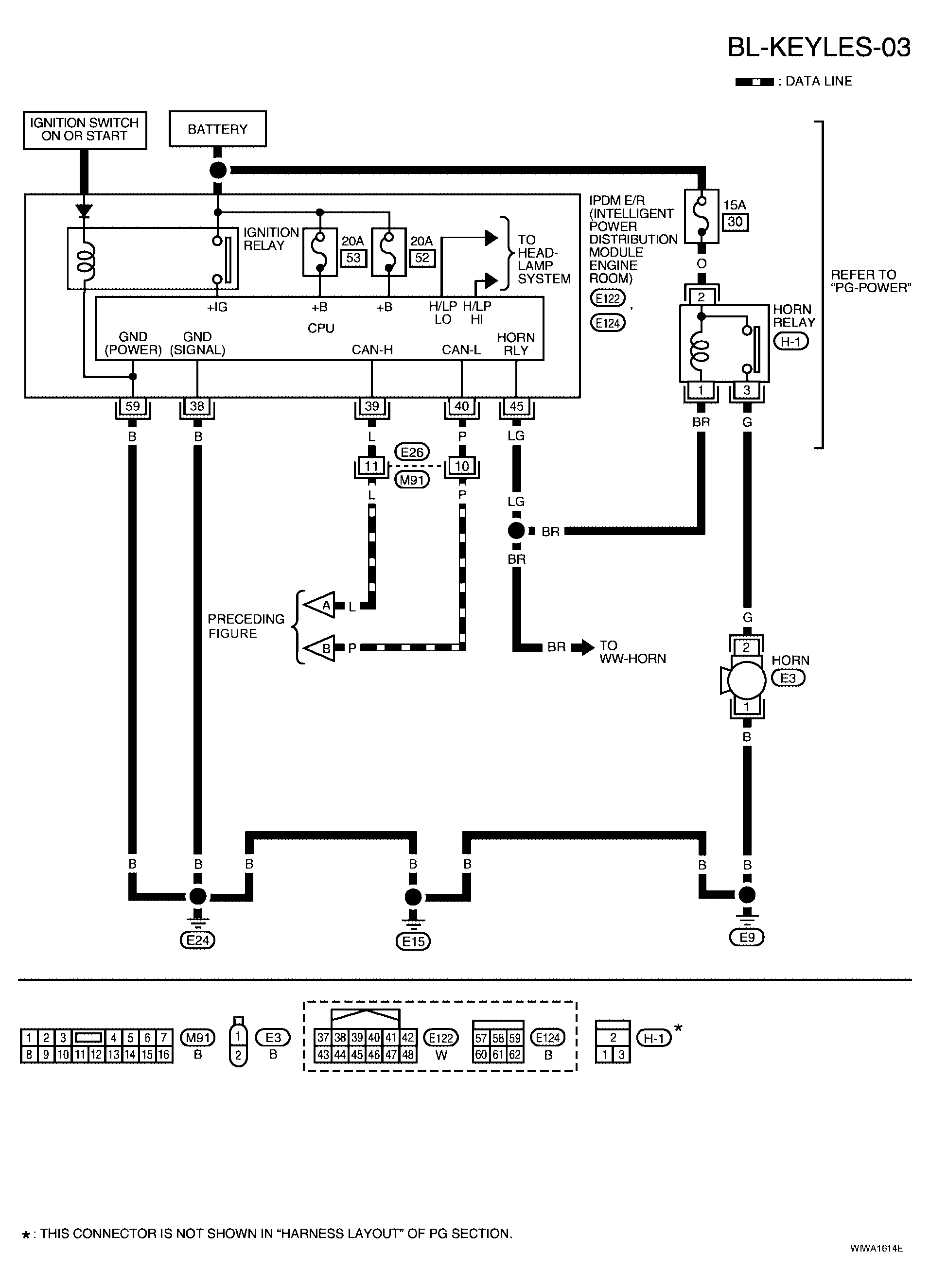
Fig 3: BL-KEYLES-03 - Wiring Diagram (3 Of 3)
G04175799Courtesy of NISSAN MOTOR CO., U.S.A.