LEMON Manuals: Even more car manuals for everyone: 1960-2025
Home >> Nissan-Datsun >> 2004 >> Sentra SE-R >> Repair and Diagnosis >> External Pages >> Different car >> Section 1748 (Body, Lock & Security System (Sedan)) >> Intelligent Key System >> Wiring Diagram - I/KEY-
April 5, 2026: LEMON Manuals is launched! Read the announcement.

Wiring Diagram - I/KEY-

WARNING: This page is about a different car, the 2006 Infiniti G35. However, it is still accessible from the selected car via links, so may be relevant.

For PG, go to SYSTEM WIRING DIAGRAMS .

Fig 1: BL/I/KEY-01 - Wiring Diagram
G04122372Courtesy of NISSAN MOTOR CO., U.S.A.
Fig 2: BL/I/KEY-02 - Wiring Diagram
G04122373Courtesy of NISSAN MOTOR CO., U.S.A.
Fig 3: BL/I/KEY-03 - Wiring Diagram
G04122374Courtesy of NISSAN MOTOR CO., U.S.A.
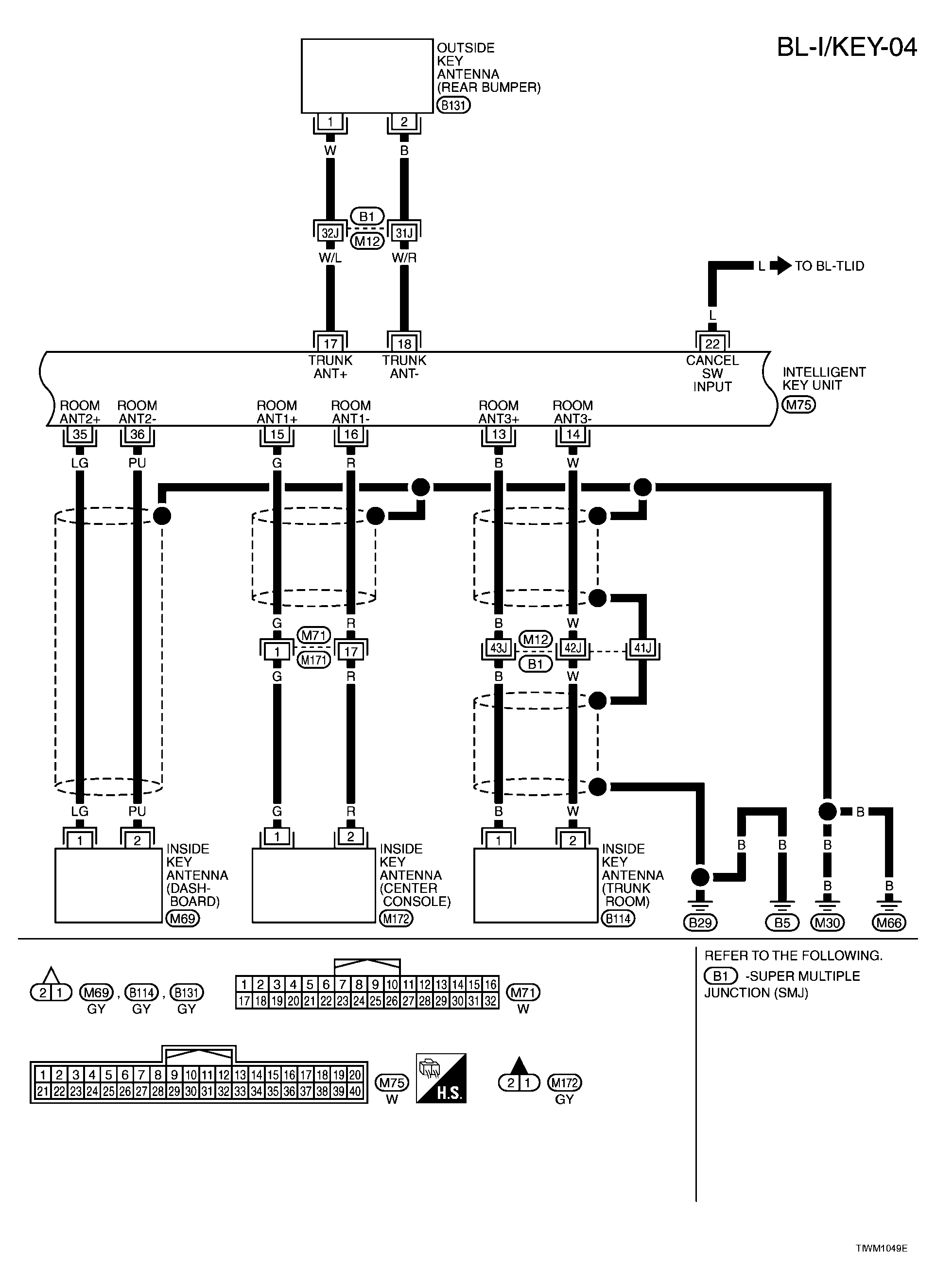
Fig 4: BL/I/KEY-04 - Wiring Diagram
G04122375Courtesy of NISSAN MOTOR CO., U.S.A.
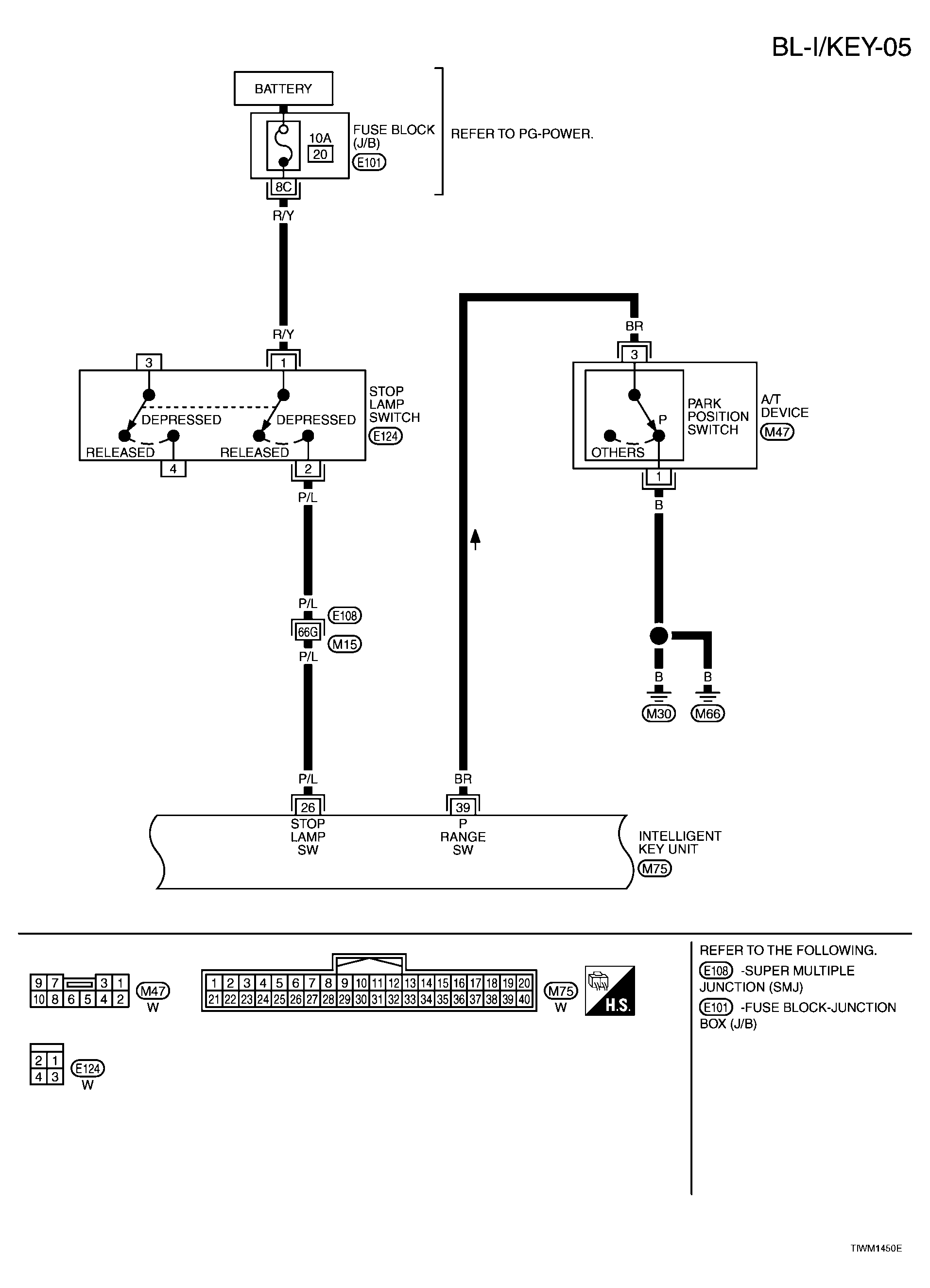
Fig 5: BL/I/KEY-05 - Wiring Diagram
G04122376Courtesy of NISSAN MOTOR CO., U.S.A.
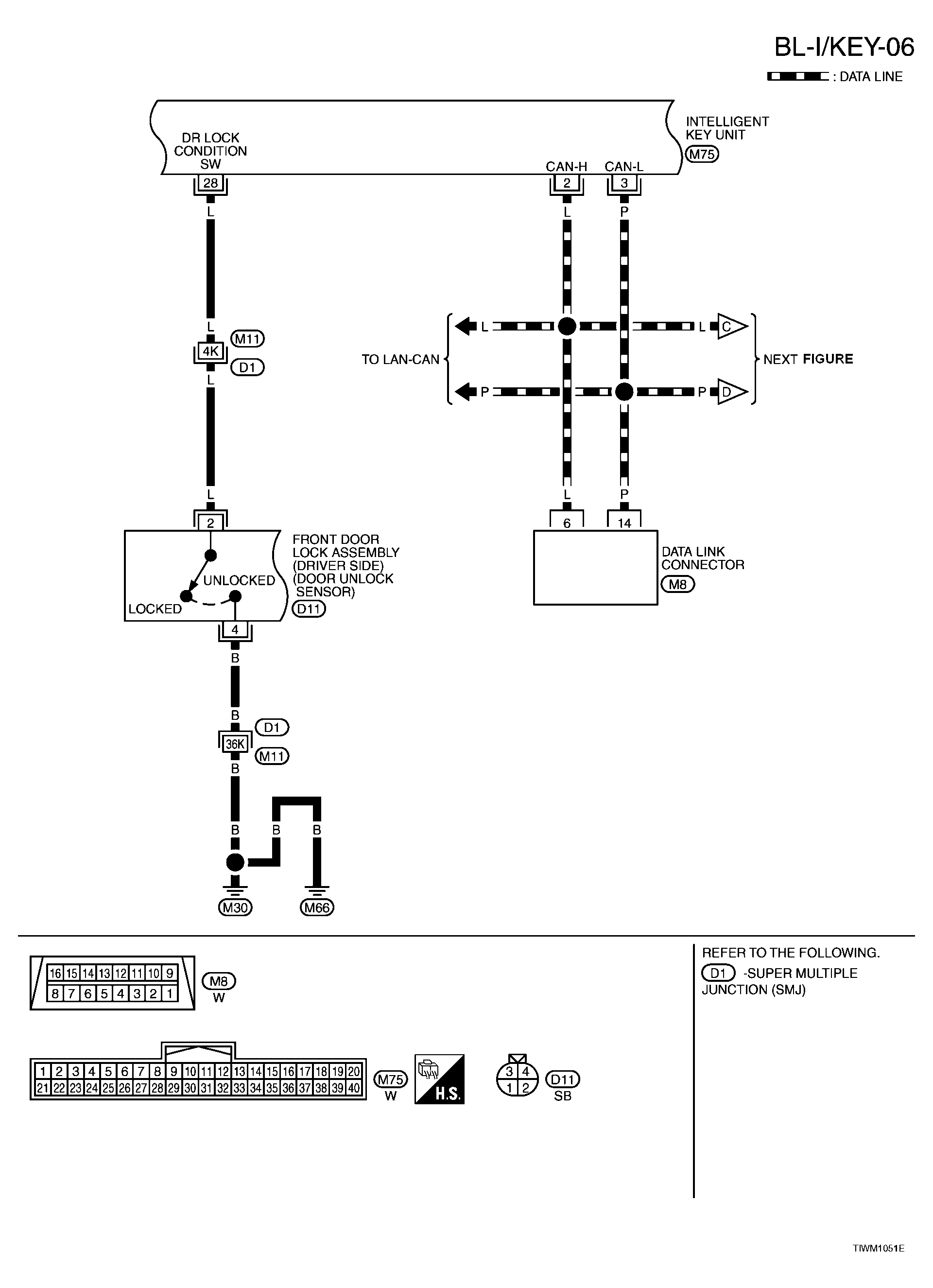
Fig 6: BL/I/KEY-06 - Wiring Diagram
G04122377Courtesy of NISSAN MOTOR CO., U.S.A.
Fig 7: BL/I/KEY-07 - Wiring Diagram
G04122378Courtesy of NISSAN MOTOR CO., U.S.A.
Fig 8: BL/I/KEY-08 - Wiring Diagram
G04122379Courtesy of NISSAN MOTOR CO., U.S.A.
Fig 9: BL/I/KEY-09 - Wiring Diagram
G04122380Courtesy of NISSAN MOTOR CO., U.S.A.
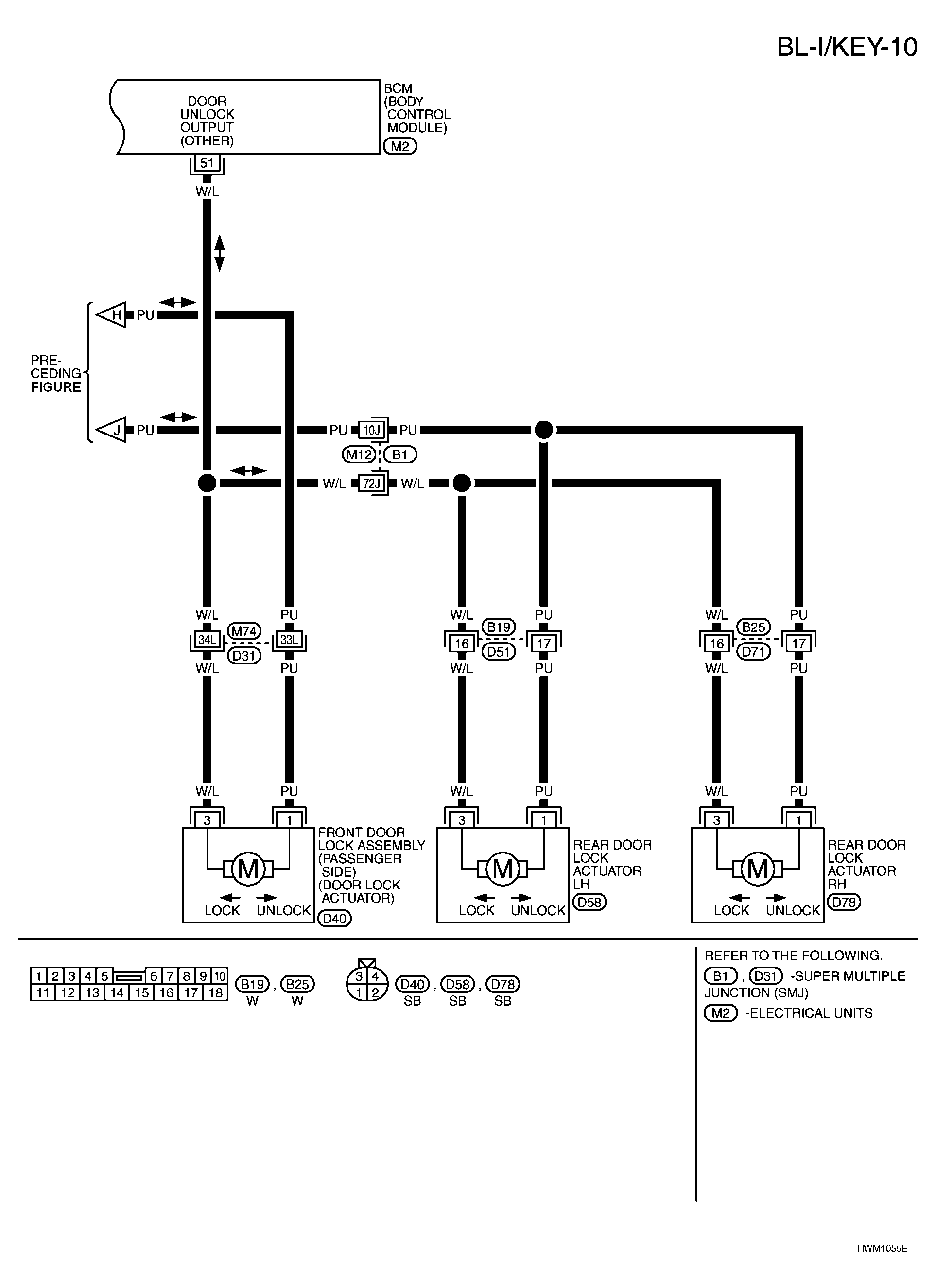
Fig 10: BL/I/KEY-10 - Wiring Diagram
G04122381Courtesy of NISSAN MOTOR CO., U.S.A.
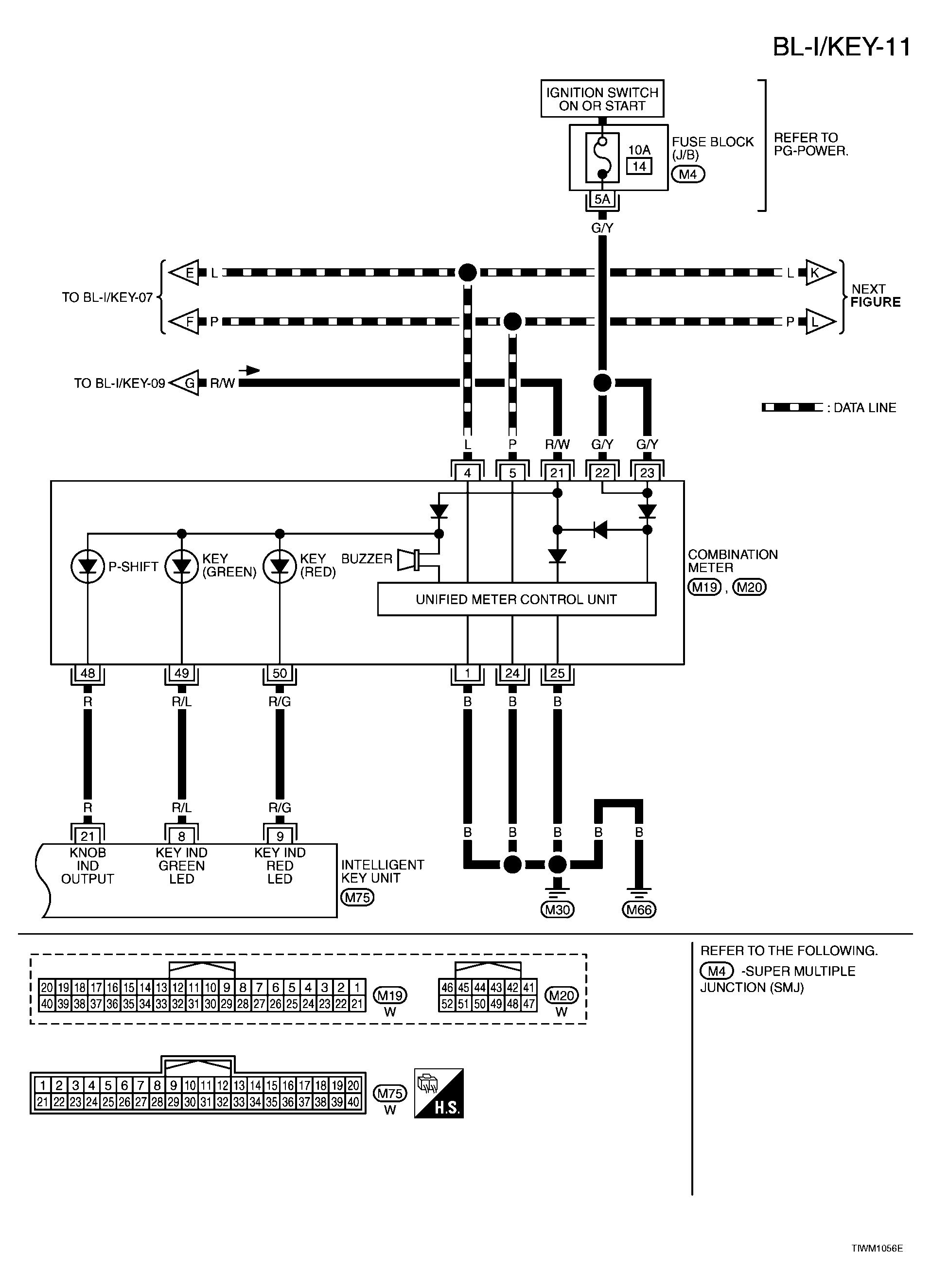
Fig 11: BL/I/KEY-11 - Wiring Diagram
G04122382Courtesy of NISSAN MOTOR CO., U.S.A.
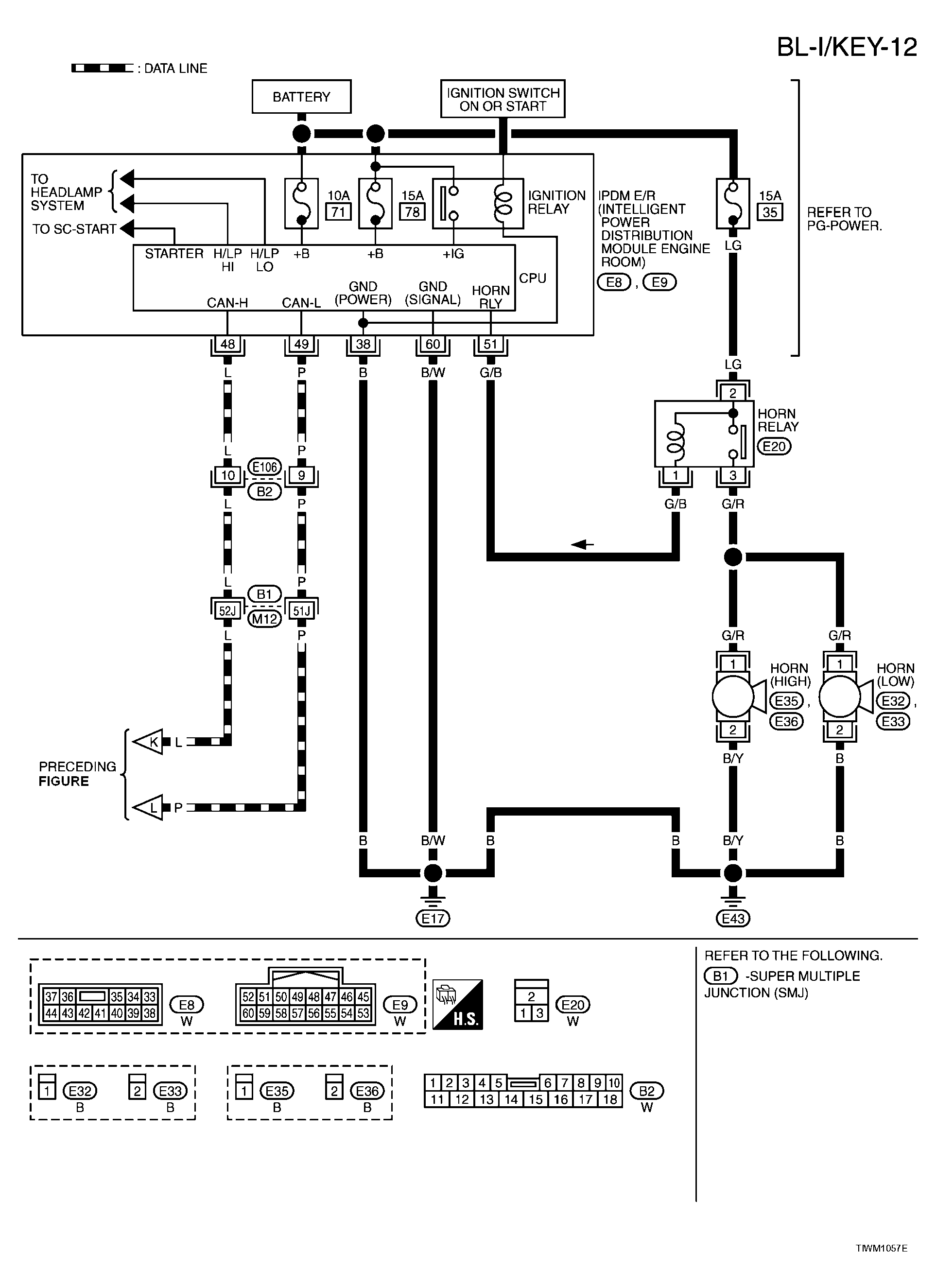
Fig 12: BL/I/KEY-12 - Wiring Diagram
G04122383Courtesy of NISSAN MOTOR CO., U.S.A.