LEMON Manuals: Even more car manuals for everyone: 1960-2025
Home >> Nissan-Datsun >> 2004 >> Sentra SE-R >> Repair and Diagnosis >> External Pages >> Different car >> Section 1748 (Body, Lock & Security System (Sedan)) >> Power Door Lock System >> Schematic / With Intelligent Key
April 5, 2026: LEMON Manuals is launched! Read the announcement.

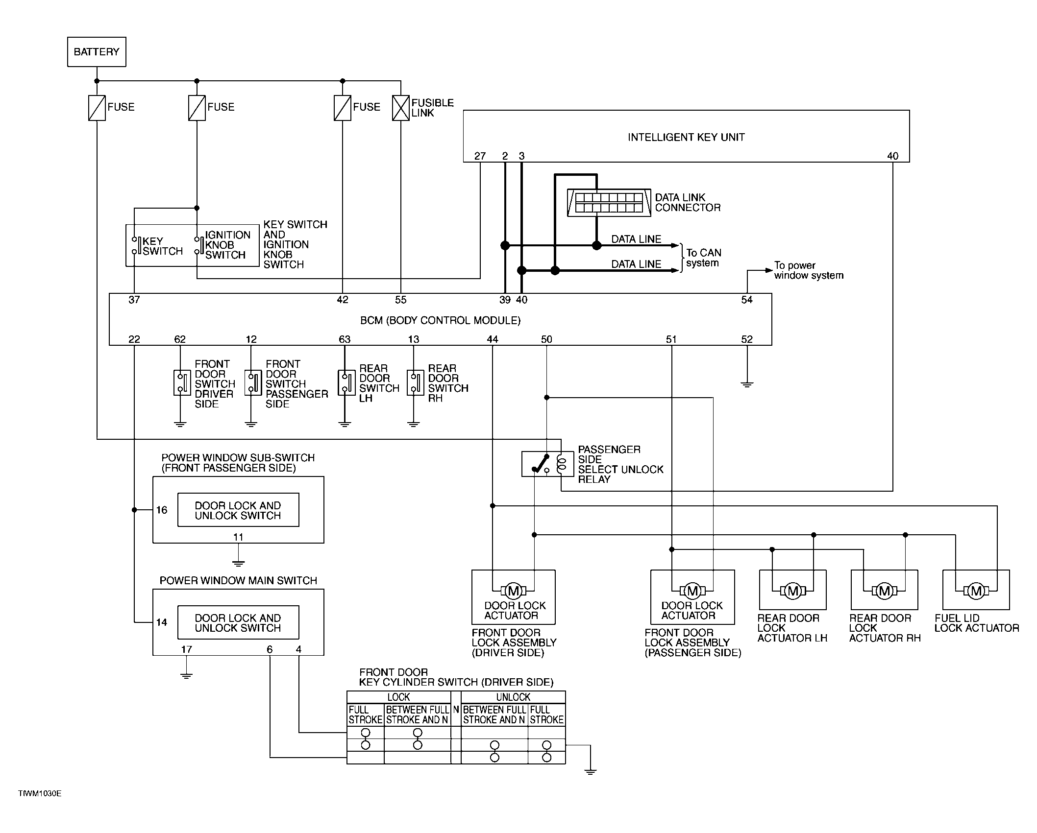
Schematic / With Intelligent Key

WARNING: This page is about a different car, the 2006 Infiniti G35. However, it is still accessible from the selected car via links, so may be relevant.
Fig 1: Power Door Lock System - Schematic Diagram (With Intelligent Key)
G04122253Courtesy of NISSAN MOTOR CO., U.S.A.