LEMON Manuals: Even more car manuals for everyone: 1960-2025
Home >> Nissan-Datsun >> 2004 >> Sentra SE-R >> Repair and Diagnosis >> External Pages >> Different car >> Section 1810 (Audio, Visual, Navigation & Telephone System) >> Integrated Display System >> Schematic (With Color Display Unit)
April 5, 2026: LEMON Manuals is launched! Read the announcement.

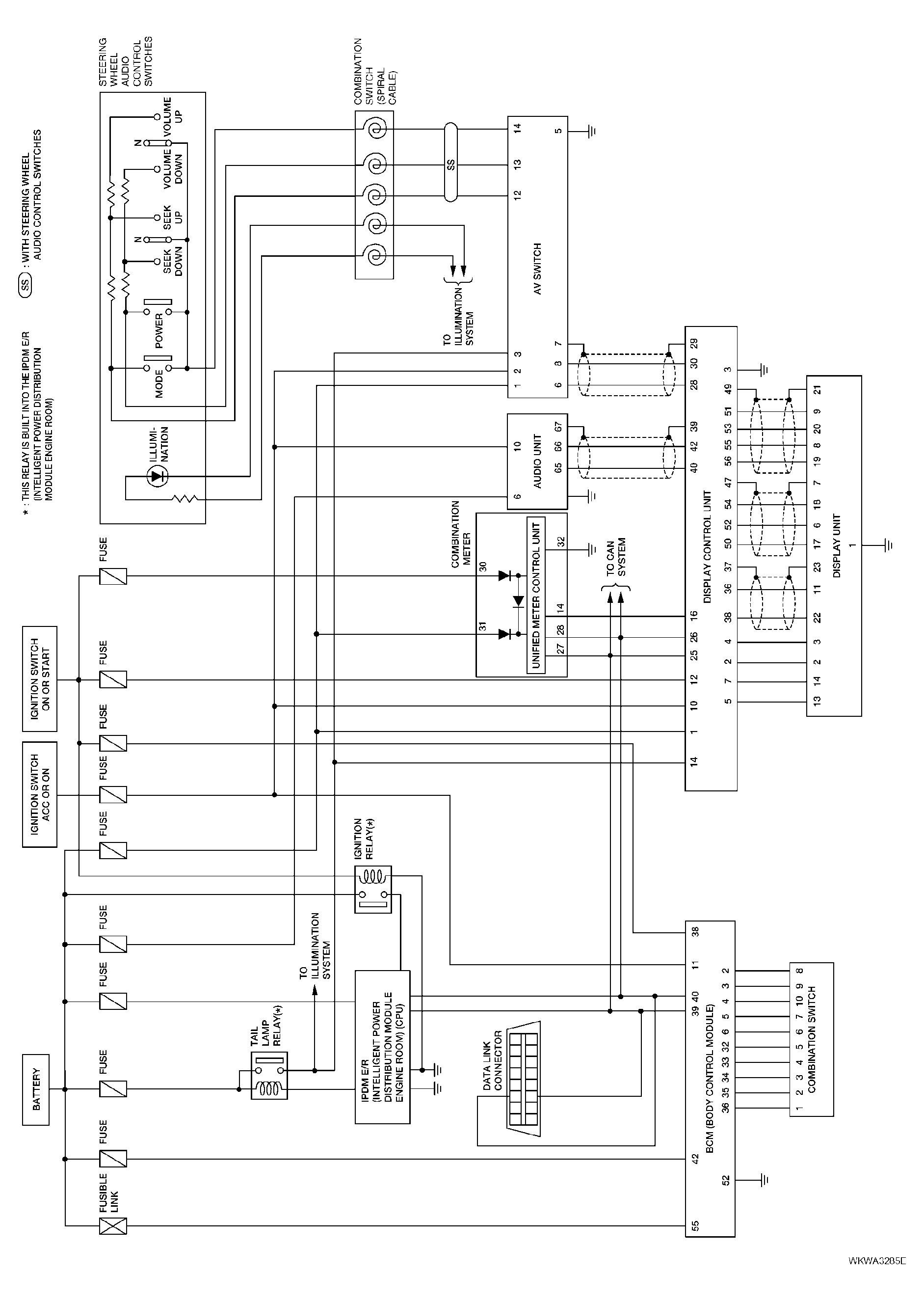
Schematic (With Color Display Unit)

WARNING: This page is about a different car, the 2006 Nissan Quest. However, it is still accessible from the selected car via links, so may be relevant.
Fig 1: Integrated Display System - Schematic Diagram (With Color Display Unit)
G04201561Courtesy of NISSAN MOTOR CO., U.S.A.