LEMON Manuals: Even more car manuals for everyone: 1960-2025
Home >> Nissan-Datsun >> 2004 >> Sentra SE-R >> Repair and Diagnosis >> External Pages >> Different car >> Section 1860 (Automatic Transmission) >> Overhaul >> Components >> 4WD models
April 5, 2026: LEMON Manuals is launched! Read the announcement.

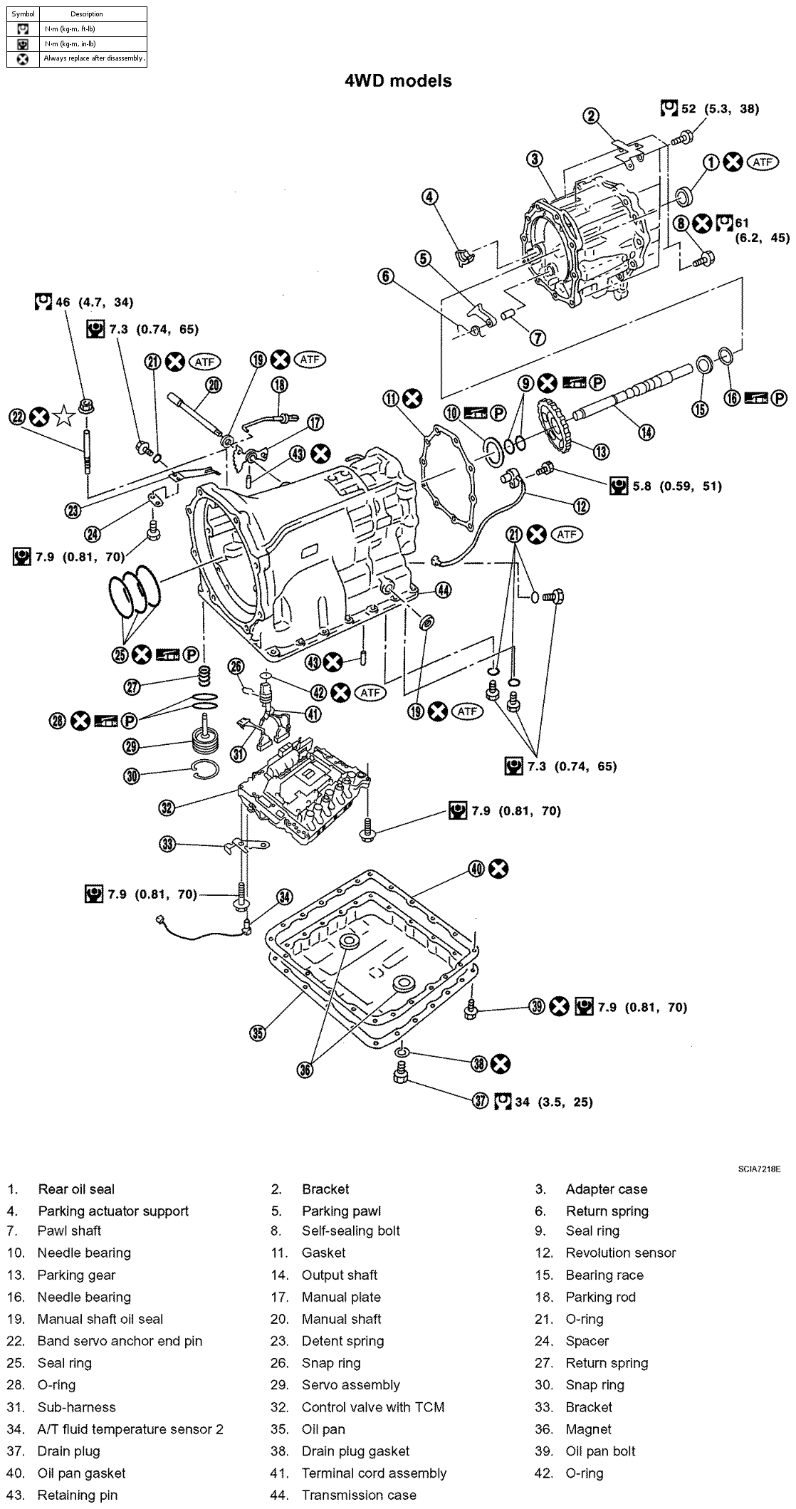
4WD models

WARNING: This page is about a different car, the 2006 Nissan Xterra. However, it is still accessible from the selected car via links, so may be relevant.
Fig 1: Automatic Transmission Replacement Components (4WD Models) With Torque Specifications
G04203901Courtesy of NISSAN MOTOR CO., U.S.A.