LEMON Manuals: Even more car manuals for everyone: 1960-2025
Home >> Nissan-Datsun >> 2004 >> Sentra SE-R >> Repair and Diagnosis >> External Pages >> Different car >> Section 1935 (Lighting) >> Taillight Relay >> Inspection
April 5, 2026: LEMON Manuals is launched! Read the announcement.

Taillight Relay: Inspection

WARNING: This page is about a different car, the 2006 Scion tC. However, it is still accessible from the selected car via links, so may be relevant.
  1. INSPECT TAILLIGHT RELAY 
    1. Measure the resistance according to the value(s) in the table below.
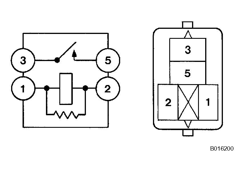
      Fig 1: Identifying Taillight Relay Connector Terminals
      G04224215Courtesy of © TOYOTA, LICENSE AGREEMENT TMS1002

      Standard resistance 

    CONNECTOR TERMINAL RESISTANCE SPECIFICATIONS

    Tester Connection Specified Condition
    3 - 5 10 kΩ or higher
    3 - 5 Below 1 Ω(when battery voltage is applied to terminals 1 - 2)