LEMON Manuals: Even more car manuals for everyone: 1960-2025
Home >> Nissan-Datsun >> 2004 >> Sentra SE-R >> Repair and Diagnosis >> External Pages >> Different car >> Section 1968 (Audio Visual, Navigation, & Telephone System - Sedan) >> Audio >> Schematic / Base System
April 5, 2026: LEMON Manuals is launched! Read the announcement.

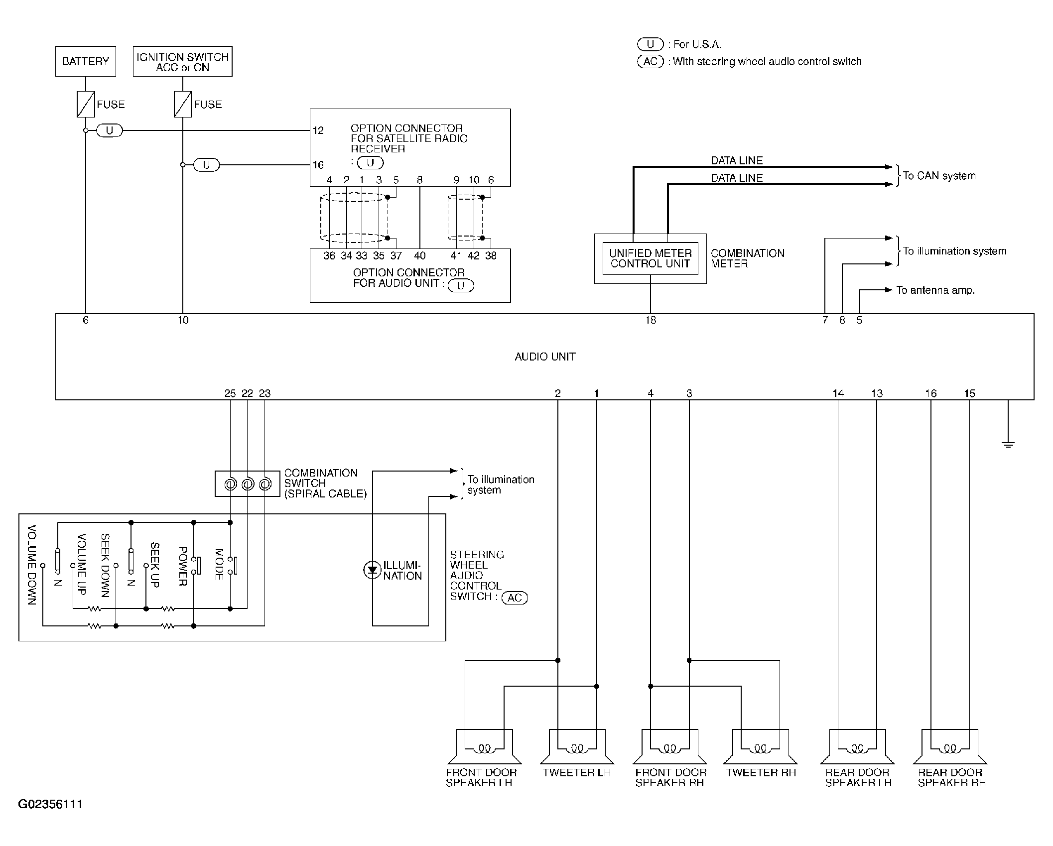
Schematic / Base System

WARNING: This page is about a different car, the 2005 Infiniti G35. However, it is still accessible from the selected car via links, so may be relevant.
Fig 1: Base System - Schematic Diagram
G02356111Courtesy of NISSAN MOTOR CO., U.S.A.