LEMON Manuals: Even more car manuals for everyone: 1960-2025
Home >> Nissan-Datsun >> 2004 >> Sentra SE-R >> Repair and Diagnosis >> External Pages >> Different car >> Section 1996 (Automatic Transmission) >> Shift Control System >> Control Device Removal and Installation >> Notes
April 5, 2026: LEMON Manuals is launched! Read the announcement.

Control Device Removal and Installation: Notes

WARNING: This page is about a different car, the 2007 Nissan Pathfinder. However, it is still accessible from the selected car via links, so may be relevant.
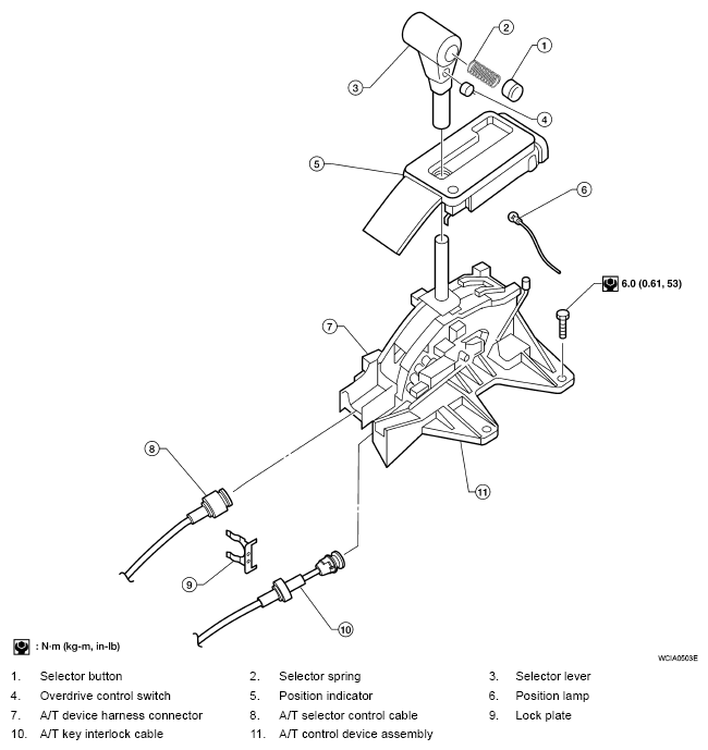
Fig 1: Shift Control System Replacement Components With Torque Specifications
G04909685