LEMON Manuals: Even more car manuals for everyone: 1960-2025
Home >> Nissan-Datsun >> 2004 >> Sentra SE-R >> Repair and Diagnosis >> External Pages >> Different car >> Section 2018 (Audio, Visual, Navigation & Telephone System) >> Audio >> Schematic >> Base And Mid Level System
April 5, 2026: LEMON Manuals is launched! Read the announcement.

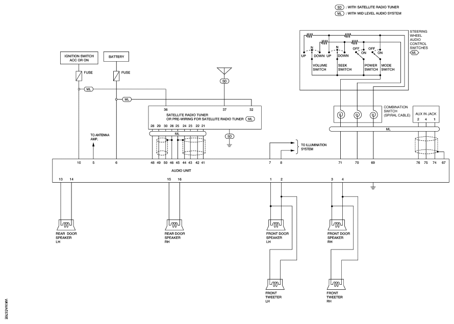
Base And Mid Level System

WARNING: This page is about a different car, the 2007 Nissan Pathfinder. However, it is still accessible from the selected car via links, so may be relevant.
Fig 1: Identifying Base And Mid Level System Audio Schematic
G04914157