LEMON Manuals: Even more car manuals for everyone: 1960-2025
Home >> Nissan-Datsun >> 2004 >> Sentra SE-R >> Repair and Diagnosis >> External Pages >> Different car >> Section 2018 (Audio, Visual, Navigation & Telephone System) >> Navigation System >> Schematic
April 5, 2026: LEMON Manuals is launched! Read the announcement.

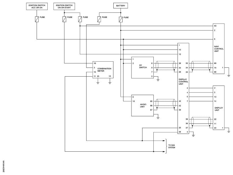
Navigation System: Schematic

WARNING: This page is about a different car, the 2007 Nissan Pathfinder. However, it is still accessible from the selected car via links, so may be relevant.
Fig 1: Identifying Navigation System Schematic Diagram
G04914287


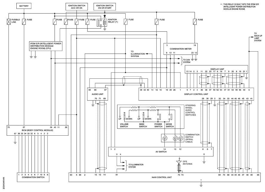
Fig 1: Identifying Navigation System Schematic
G04914295