LEMON Manuals: Even more car manuals for everyone: 1960-2025
Home >> Nissan-Datsun >> 2004 >> Sentra SE-R >> Repair and Diagnosis >> External Pages >> Different car >> Section 2069 (Driver Information System) >> Combination Meters >> Internal Circuit
April 5, 2026: LEMON Manuals is launched! Read the announcement.

Internal Circuit

WARNING: This page is about a different car, the 2008 Nissan Maxima. However, it is still accessible from the selected car via links, so may be relevant.
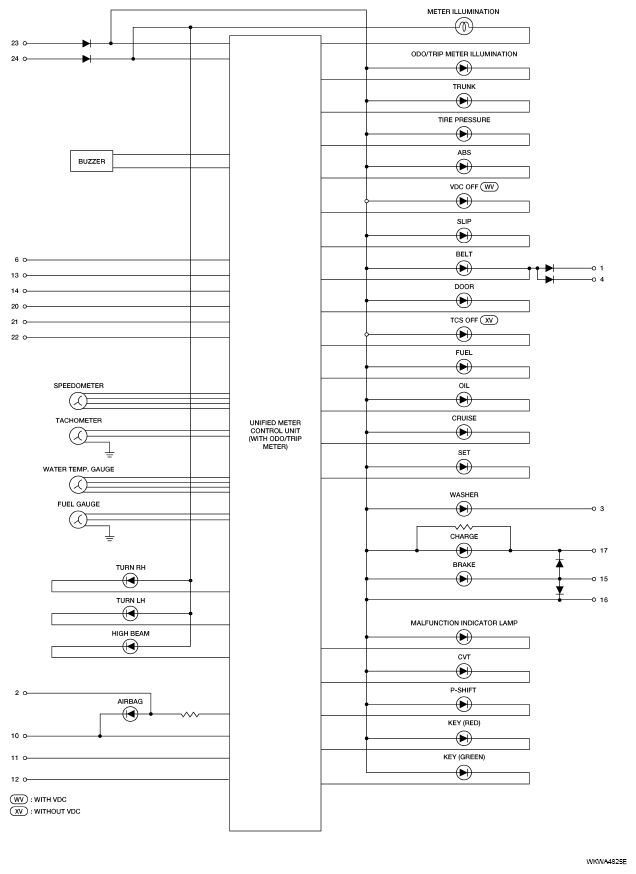
Fig 1: Combination Meter - Internal Circuit Diagram
G04917974Courtesy of NISSAN MOTOR CO., U.S.A.