LEMON Manuals: Even more car manuals for everyone: 1960-2025
Home >> Nissan-Datsun >> 2004 >> Sentra SE-R >> Repair and Diagnosis >> External Pages >> Different car >> Section 2076 (Body, Lock & Security System) >> Intelligent Key System >> Schematic
April 5, 2026: LEMON Manuals is launched! Read the announcement.

Intelligent Key System: Schematic

WARNING: This page is about a different car, the 2008 Nissan Maxima. However, it is still accessible from the selected car via links, so may be relevant.
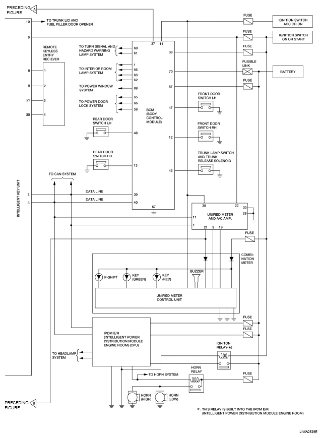
Fig 1: CAN Communication Schematic (1 Of 2)
G04916770Courtesy of NISSAN MOTOR CO., U.S.A.
Fig 2: CAN Communication Schematic (2 Of 2)
G04916771Courtesy of NISSAN MOTOR CO., U.S.A.