LEMON Manuals: Even more car manuals for everyone: 1960-2025
Home >> Nissan-Datsun >> 2004 >> Sentra SE-R >> Repair and Diagnosis >> External Pages >> Different car >> Section 2238 (Audio, Visual, Navigation System (BOSE Audio With Navigation)) >> Wiring Diagram >> BOSE Audio System >> Wiring Diagram - With Navigation System
April 5, 2026: LEMON Manuals is launched! Read the announcement.

Wiring Diagram - With Navigation System

WARNING: This page is about a different car, the 2012 Nissan Pathfinder. However, it is still accessible from the selected car via links, so may be relevant.
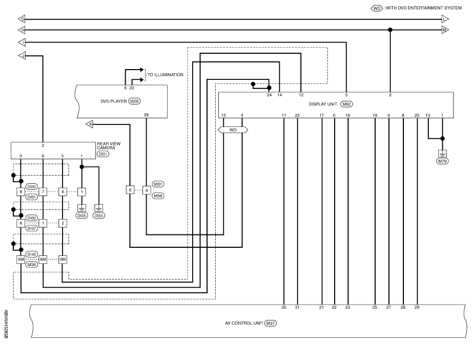
Fig 1: Bose Audio System (With Navigation System) Wiring Diagram (1 Of 5)
G08169964Courtesy of NISSAN NORTH AMERICA, INC.
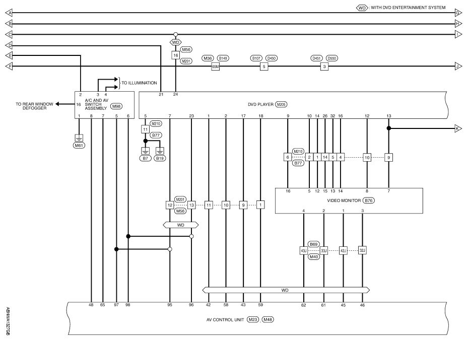
Fig 2: Bose Audio System (With Navigation System) Wiring Diagram (2 Of 5)
G08169965Courtesy of NISSAN NORTH AMERICA, INC.
Fig 3: Bose Audio System (With Navigation System) Wiring Diagram (3 Of 5)
G08169966Courtesy of NISSAN NORTH AMERICA, INC.
Fig 4: Bose Audio System (With Navigation System) Wiring Diagram (4 Of 5)
G08169967Courtesy of NISSAN NORTH AMERICA, INC.
Fig 5: Bose Audio System (With Navigation System) Wiring Diagram (5 Of 5)
G08169968Courtesy of NISSAN NORTH AMERICA, INC.