LEMON Manuals: Even more car manuals for everyone: 1960-2025
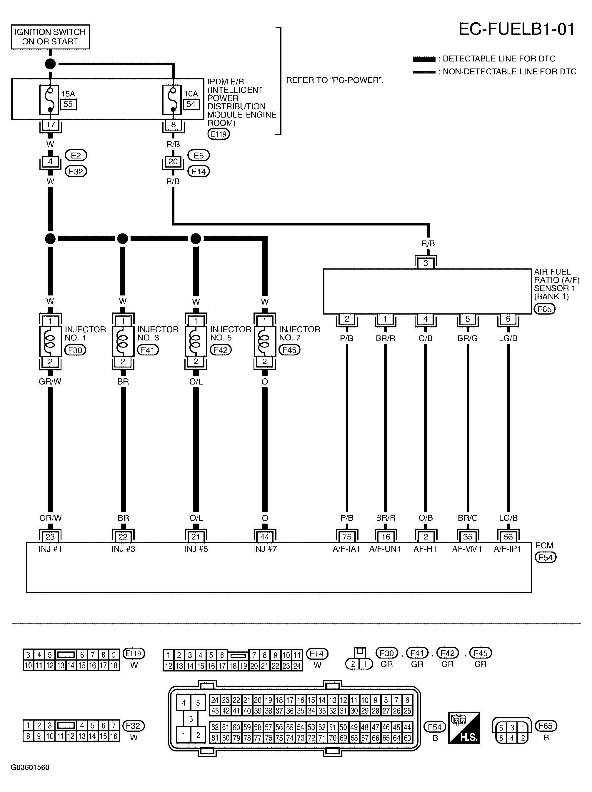
Home >> Nissan-Datsun >> 2004 >> Sentra SE-R >> Repair and Diagnosis >> External Pages >> Different car >> Section 2302 (Engine Control System - DTCS U1000 To P0308) >> DTC P0171, P0174: Fuel Injection System Function >> Wiring Diagram >> Bank 1
April 5, 2026: LEMON Manuals is launched! Read the announcement.

Bank 1

WARNING: This page is about a different car, the 2005 Nissan Titan. However, it is still accessible from the selected car via links, so may be relevant.
Fig 1: Wiring Diagram - EC-FUELB1-01
G03601560Courtesy of NISSAN MOTOR CO., U.S.A.