LEMON Manuals: Even more car manuals for everyone: 1960-2025
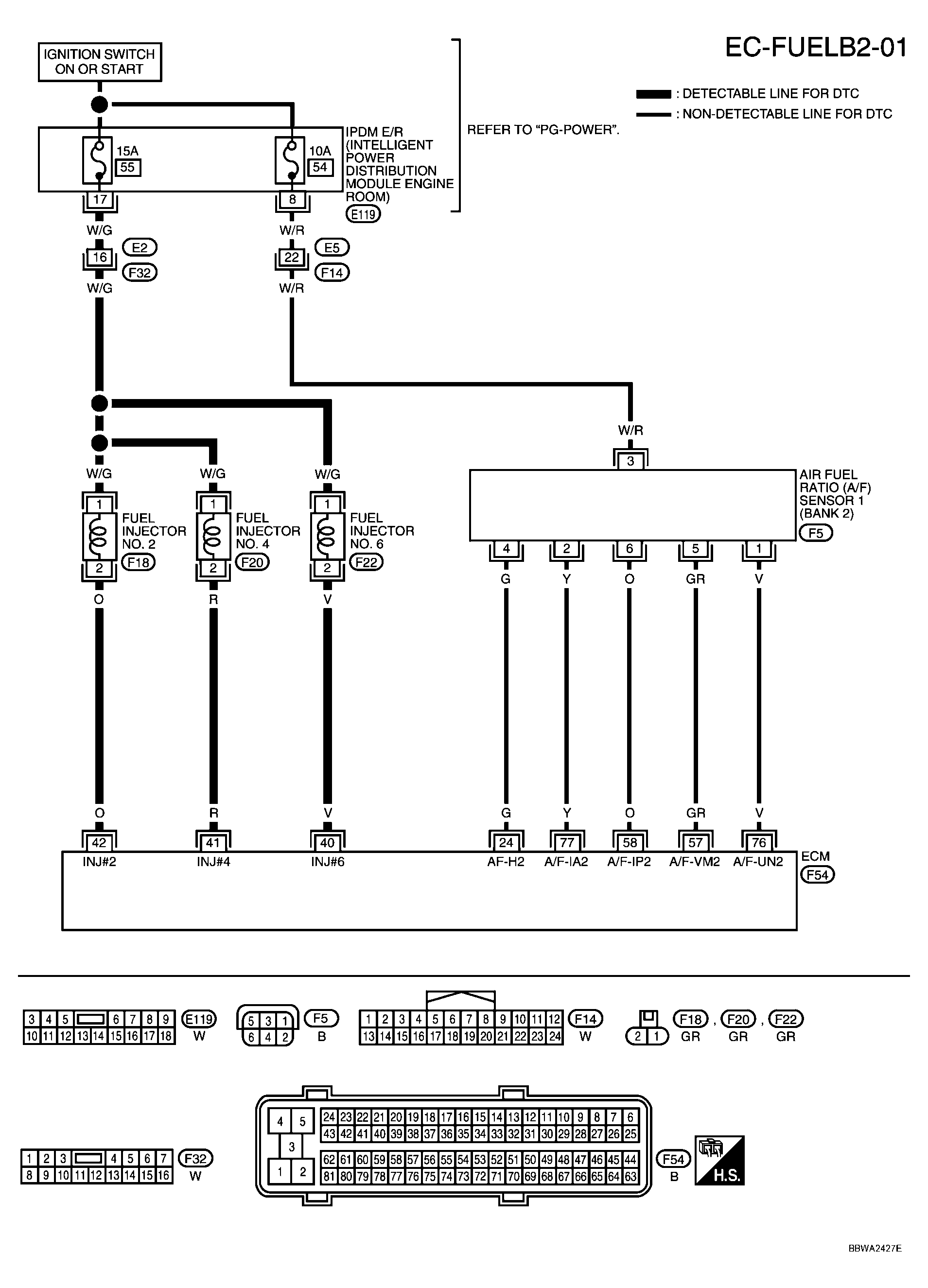
Home >> Nissan-Datsun >> 2004 >> Sentra SE-R >> Repair and Diagnosis >> External Pages >> Different car >> Section 2309 (Engine Control System - DTCS P0137 To P0448) >> DTC P0171, P0174 Fuel Injection System Function >> Wiring Diagram >> Bank 2
April 5, 2026: LEMON Manuals is launched! Read the announcement.

Bank 2

WARNING: This page is about a different car, the 2006 Nissan Xterra. However, it is still accessible from the selected car via links, so may be relevant.

For PG Power or Section, go to SYSTEM WIRING DIAGRAMS .

Fig 1: EC-FUELB2-01 - Wiring Diagram
G04202844Courtesy of NISSAN MOTOR CO., U.S.A.

Specification data are reference values and are measured between each terminal and ground. Pulse signal is measured by CONSULT-II.

CAUTION: Do not use ECM ground terminals when measuring input/output voltage. Doing so may result in damage to the ECMs transistor. Use a ground other than ECM terminals, such as the ground.
WIRE COLOR AND TERMINAL DESCRIPTION

TERMINAL NO. WIRE COLOR ITEM CONDITION DATA (DC Voltage)
24 G A/F sensor 1 heater (Bank 2) [Engine is running] 
  • Warm-up condition 
  • Idle speed
Approximately 5V(1)
G04080403Courtesy of NISSAN MOTOR CO., U.S.A.
40
41
42
V
R
O
Fuel injector No. 6
Fuel injector No. 4
Fuel injector No. 2
[Engine is running] 
  • Warm-up condition
  • Idle speed
    NOTE: The pulse cycle changes depending on RPM at idle
BATTERY VOLTAGE (11 -14V)(1)
G04080414Courtesy of NISSAN MOTOR CO., U.S.A.
[Engine is running] 
  • Warm-up condition
  • Engine speed: 2, 000 RPM
BATTERY VOLTAGE (11 -14V)(1)
G04173127Courtesy of NISSAN MOTOR CO., U.S.A.
57 GR A/F sensor 1 (Bank 2) [Engine is running] 
  • Warm-up condition 
  • Idle speed
Approximately 2.6V
58 O Approximately 2.3V
76 V Approximately 3.1V
77 Y Approximately 2.3V
(1) Average voltage for pulse signal (Actual pulse signal can be confirmed by oscilloscope.)