LEMON Manuals: Even more car manuals for everyone: 1960-2025
Home >> Nissan-Datsun >> 2004 >> Sentra SE-R >> Repair and Diagnosis >> External Pages >> Different car >> Section 2312 (Engine Control System - Component And System Testing) >> ASCD Brake Switch >> Wiring Diagram
April 5, 2026: LEMON Manuals is launched! Read the announcement.

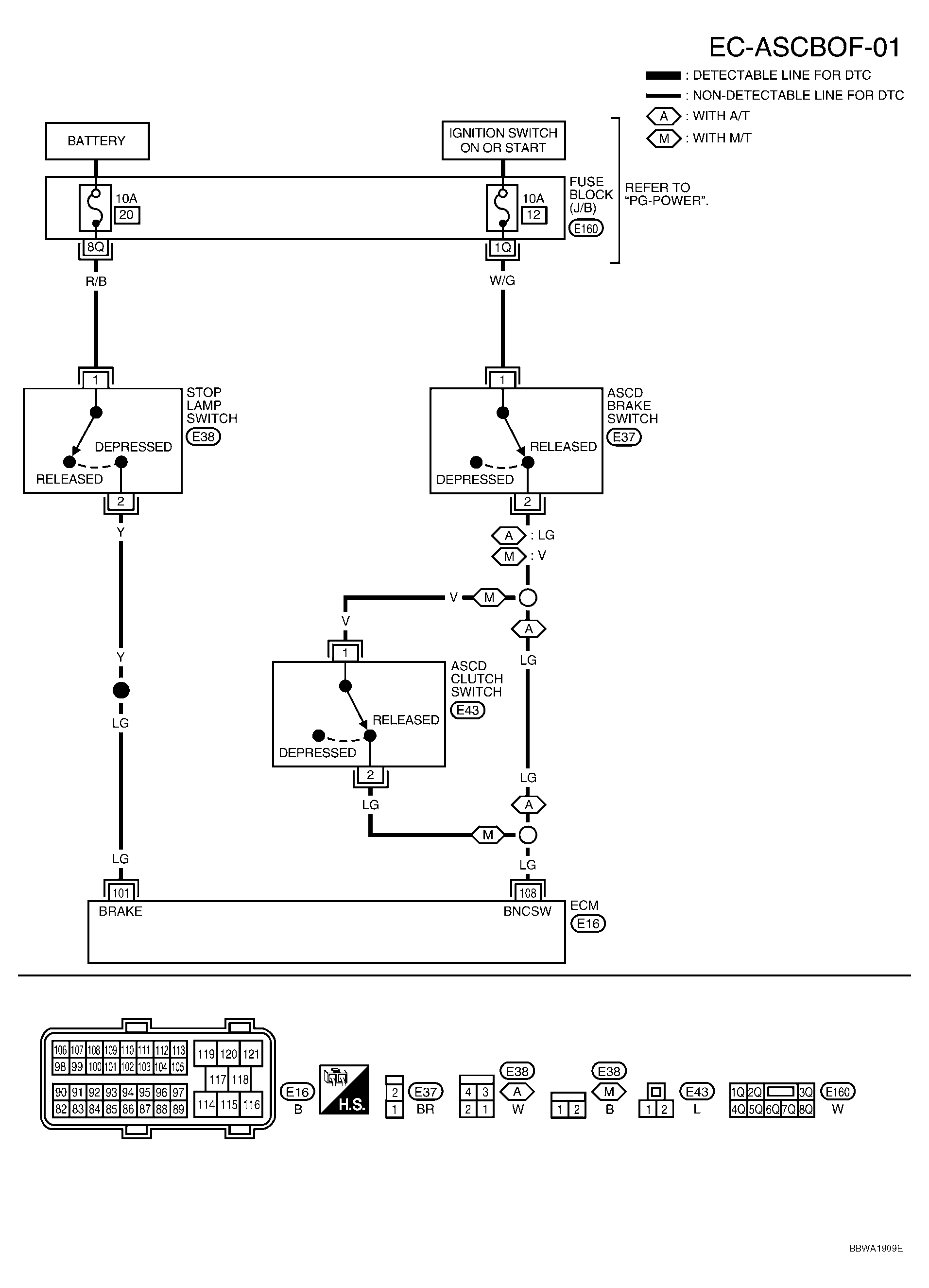
ASCD Brake Switch: Wiring Diagram

WARNING: This page is about a different car, the 2006 Nissan Xterra. However, it is still accessible from the selected car via links, so may be relevant.

For PG Power or Section, go to SYSTEM WIRING DIAGRAMS .

Fig 1: EC-ASCBOF-01 - Wiring Diagram
G04203264Courtesy of NISSAN MOTOR CO., U.S.A.

Specification data are reference values and are measured between each terminal and ground.

CAUTION: Do not use ECM ground terminals when measuring input/output voltage. Doing so may result in damage to the ECM's transistor. Use a ground other than ECM terminals, such as the ground.
ECM GROUND TERMINALS INPUT/OUTPUT VOLTAGE REFERENCE

TERMINAL NO. WIRE COLOR ITEM CONDITION DATA (DC Voltage)
101 LG Stop lamp switch [Ignition switch: OFF] 
  • Brake pedal: Fully released
Approximately 0V
[Ignition switch: OFF] 
  • Brake pedal: Slightly depressed
BATTERY VOLTAGE (11 - 14V)
108 LG ASCD brake switch [Ignition switch: ON] 
  • Brake pedal: Slightly depressed (A/T)
  • Clutch pedal and/or brake pedal: Slightly depressed (M/T)
Approximately 0V
[Ignition switch: ON] 
  • Brake pedal: Fully released (A/T)
  • Clutch pedal and brake pedal: Fully released (M/T)
BATTERY VOLTAGE (11 - 14V)