LEMON Manuals: Even more car manuals for everyone: 1960-2025
Home >> Nissan-Datsun >> 2004 >> Sentra SE-R >> Repair and Diagnosis >> External Pages >> Different car >> Section 401 (Automatic Air Conditioner) >> Air Conditioner Control >> System Description >> Switches And Their Control Function
April 5, 2026: LEMON Manuals is launched! Read the announcement.

Switches And Their Control Function

WARNING: This page is about a different car, the 2004 Infiniti M45. However, it is still accessible from the selected car via links, so may be relevant.
Fig 1: Identifying Switches & Their Functions (1 Of 2)
G00743102Courtesy of NISSAN MOTOR CO., U.S.A.
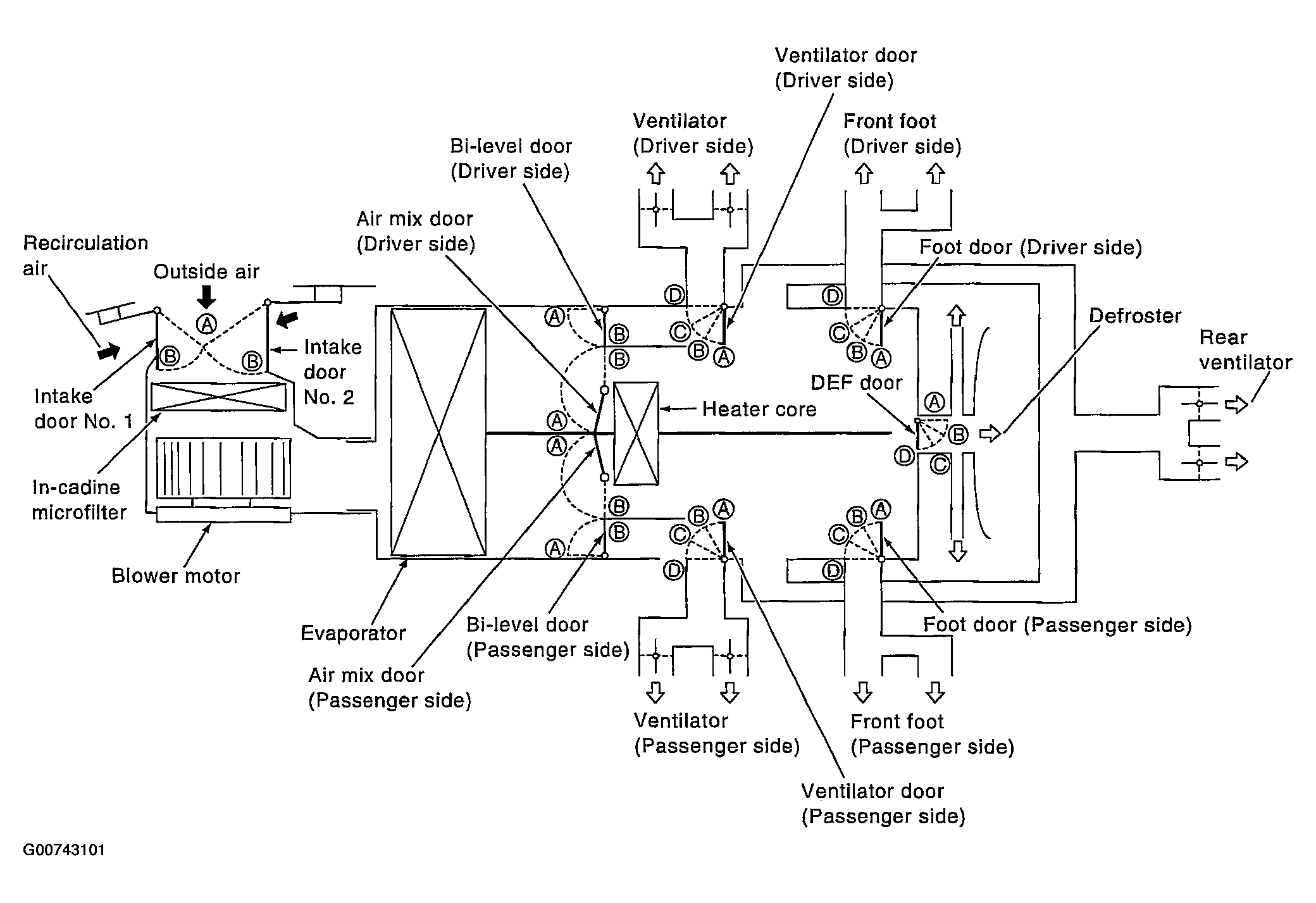
Fig 2: Identifying Switches & Their Functions (2 Of 2)
G00743101Courtesy of NISSAN MOTOR CO., U.S.A.