LEMON Manuals: Even more car manuals for everyone: 1960-2025
Home >> Nissan-Datsun >> 2004 >> Sentra SE-R >> Repair and Diagnosis >> External Pages >> Different car >> Section 412 (Engine Control System) >> Electrical Load Signal >> Wiring Diagram
April 5, 2026: LEMON Manuals is launched! Read the announcement.

Electrical Load Signal: Wiring Diagram

WARNING: This page is about a different car, the 2004 Infiniti M45. However, it is still accessible from the selected car via links, so may be relevant.
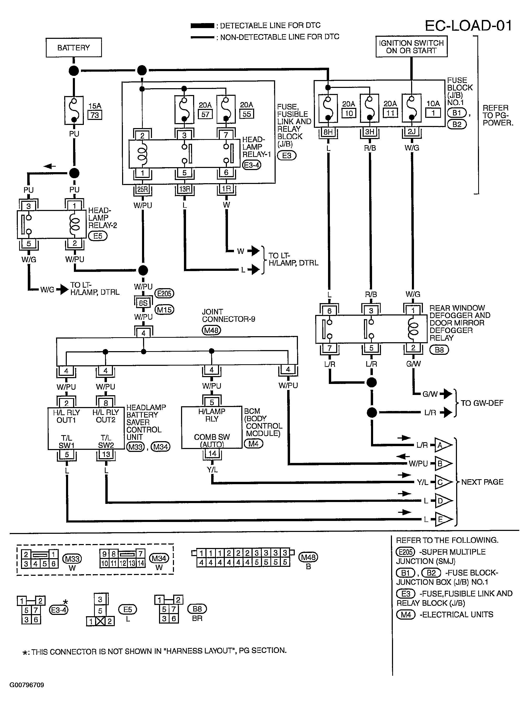
Fig 1: Circuit Diagram - Electrical Load Signal (1 Of 2) - EC-LOAD-01
G00796709Courtesy of NISSAN MOTOR CO., U.S.A.
Fig 2: Circuit Diagram - Electrical Load Signal (2 Of 2) - EC-LOAD-02
G00796710Courtesy of NISSAN MOTOR CO., U.S.A.