LEMON Manuals: Even more car manuals for everyone: 1960-2025
Home >> Nissan-Datsun >> 2004 >> Sentra SE-R >> Repair and Diagnosis >> External Pages >> Different car >> Section 424 (Engine Controls - System & Component Testing) >> ASCD Indicator >> Wiring Diagram
April 5, 2026: LEMON Manuals is launched! Read the announcement.

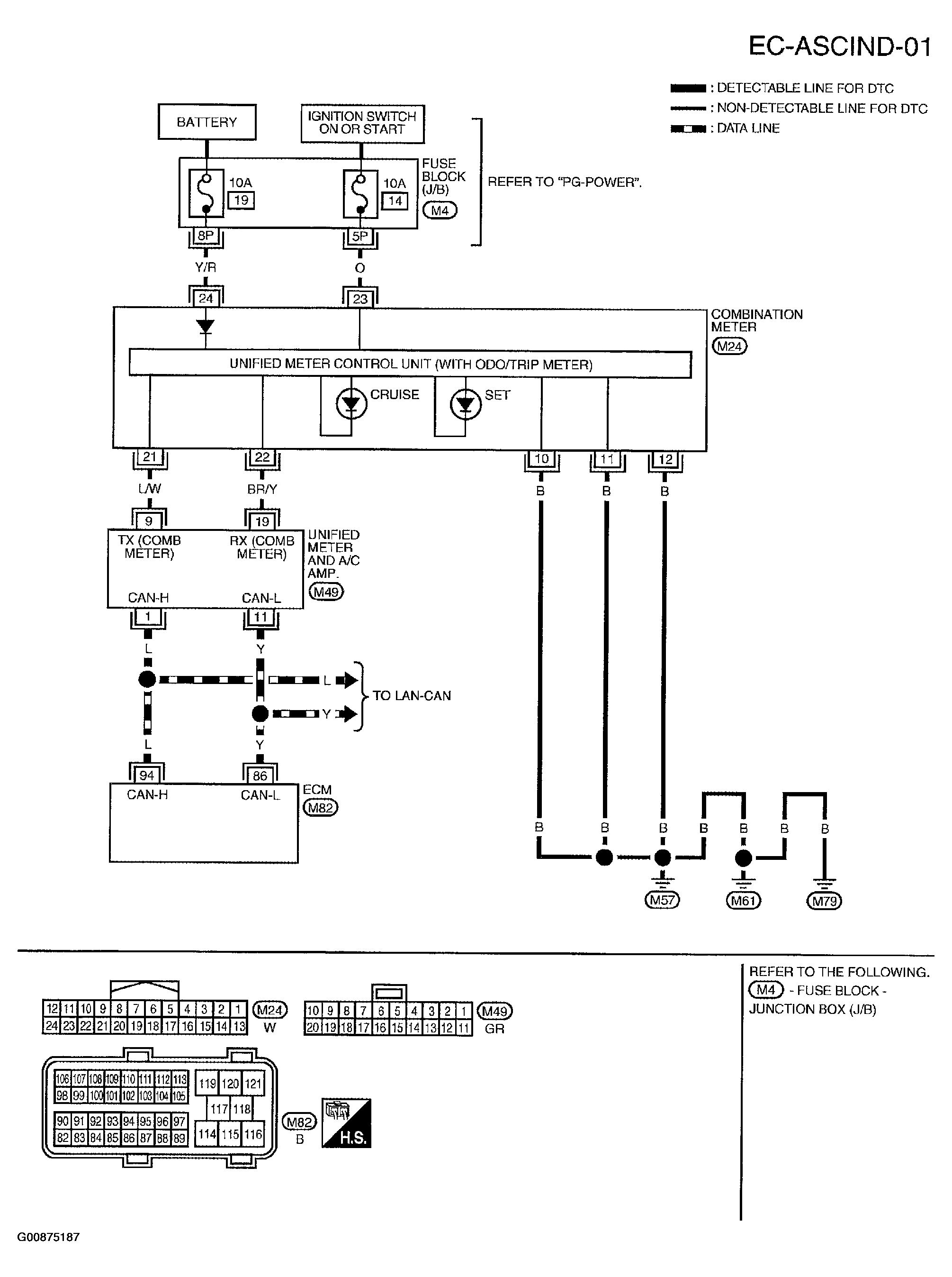
ASCD Indicator: Wiring Diagram

WARNING: This page is about a different car, the 2004 Nissan Maxima. However, it is still accessible from the selected car via links, so may be relevant.

For system wiring diagrams, see SYSTEM WIRING DIAGRAMS .

Fig 1: Wiring Diagram
G00875187Courtesy of NISSAN MOTOR CO., U.S.A.