LEMON Manuals: Even more car manuals for everyone: 1960-2025
Home >> Nissan-Datsun >> 2004 >> Sentra SE-R >> Repair and Diagnosis >> External Pages >> Different car >> Section 555 (Power Window System - Sedan) >> Power Window System >> Schematic/With Front Left And Right Power Window Anti-Pinch System
April 5, 2026: LEMON Manuals is launched! Read the announcement.

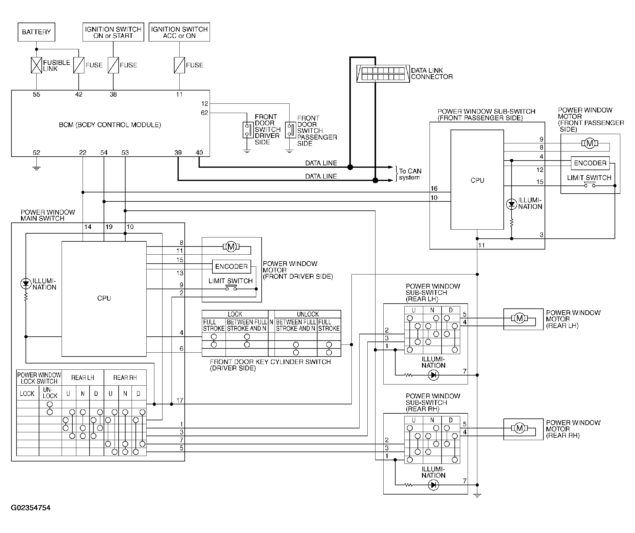
Schematic/With Front Left And Right Power Window Anti-Pinch System

WARNING: This page is about a different car, the 2005 Infiniti G35. However, it is still accessible from the selected car via links, so may be relevant.
Fig 1: Front Left And Right Power Window Anti-Pinch System - Schematic
G02354754Courtesy of NISSAN MOTOR CO., U.S.A.