LEMON Manuals: Even more car manuals for everyone: 1960-2025
Home >> Nissan-Datsun >> 2004 >> Sentra SE-R >> Repair and Diagnosis >> External Pages >> Different car >> Section 688 (Navigation System - Sedan) >> Navigation System >> Wiring Diagram -COMM-
April 5, 2026: LEMON Manuals is launched! Read the announcement.

Wiring Diagram -COMM-

WARNING: This page is about a different car, the 2003 Infiniti G35. However, it is still accessible from the selected car via links, so may be relevant.
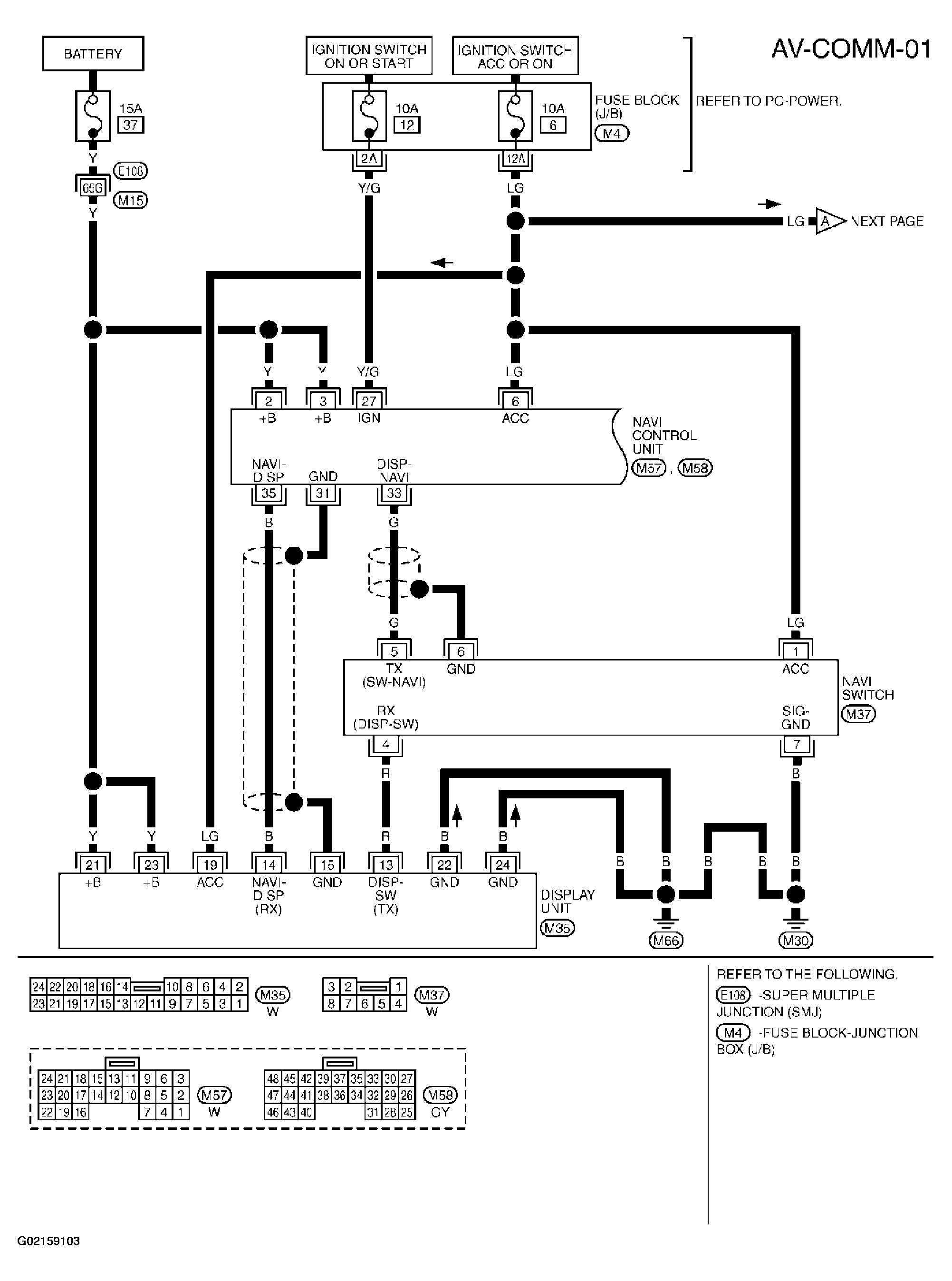
Fig 1: COMM - Wiring Diagram (1 Of 2)
G02159103Courtesy of NISSAN MOTOR CO., U.S.A.
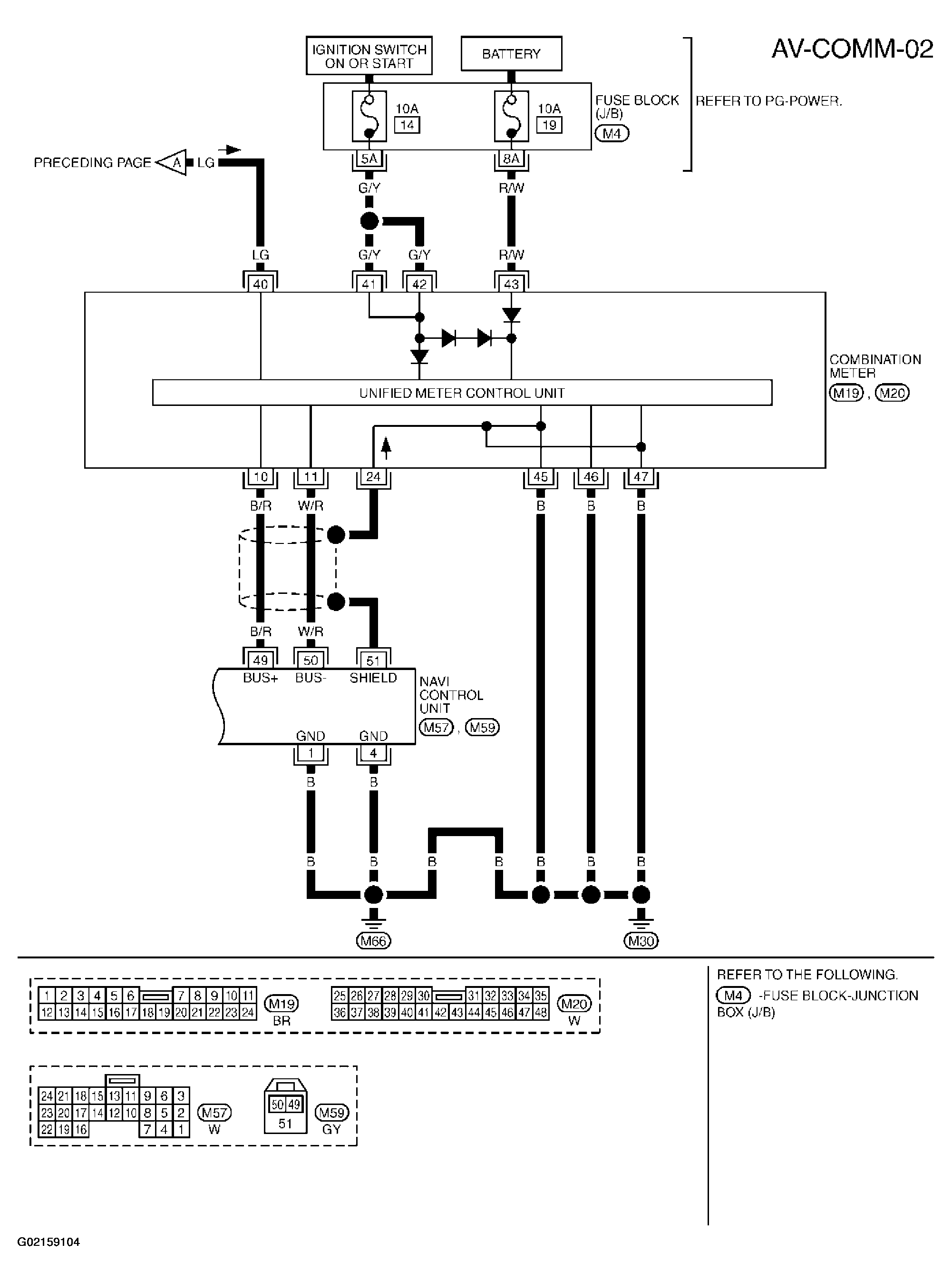
Fig 2: COMM - Wiring Diagram (2 Of 2)
G02159104Courtesy of NISSAN MOTOR CO., U.S.A.