LEMON Manuals: Even more car manuals for everyone: 1960-2025
Home >> Nissan-Datsun >> 2004 >> Sentra SE-R >> Repair and Diagnosis >> External Pages >> Different car >> Section 700 (Remote Keyless Entry System - Coupe) >> Remote Keyless Entry System >> Wiring Diagram - KEYLES-
April 5, 2026: LEMON Manuals is launched! Read the announcement.

Wiring Diagram - KEYLES-

WARNING: This page is about a different car, the 2003 Infiniti G35. However, it is still accessible from the selected car via links, so may be relevant.
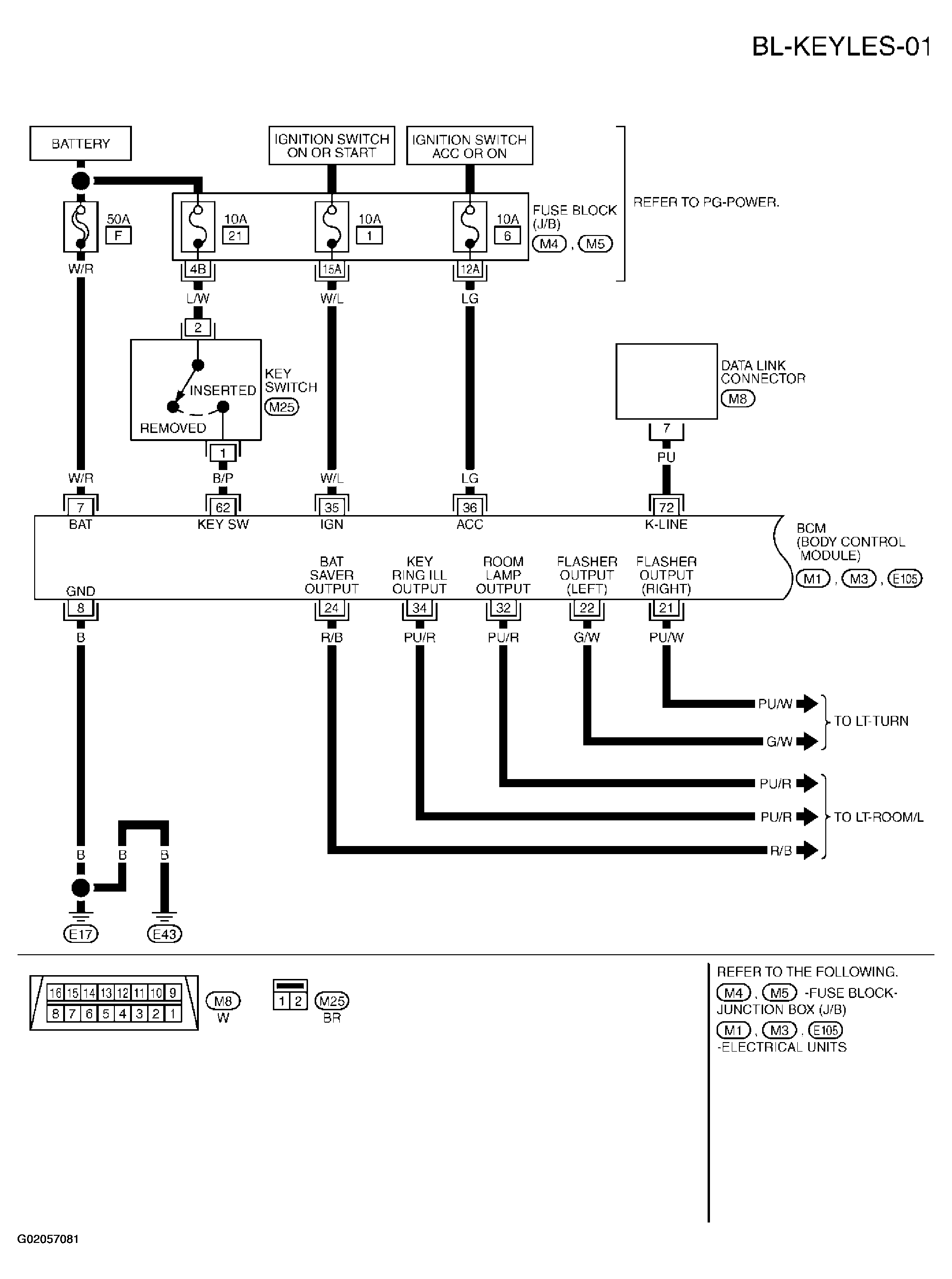
Fig 1: Wiring Diagram - Remote Keyless Entry System (1 Of 4)
G02057081Courtesy of NISSAN MOTOR CO., U.S.A.
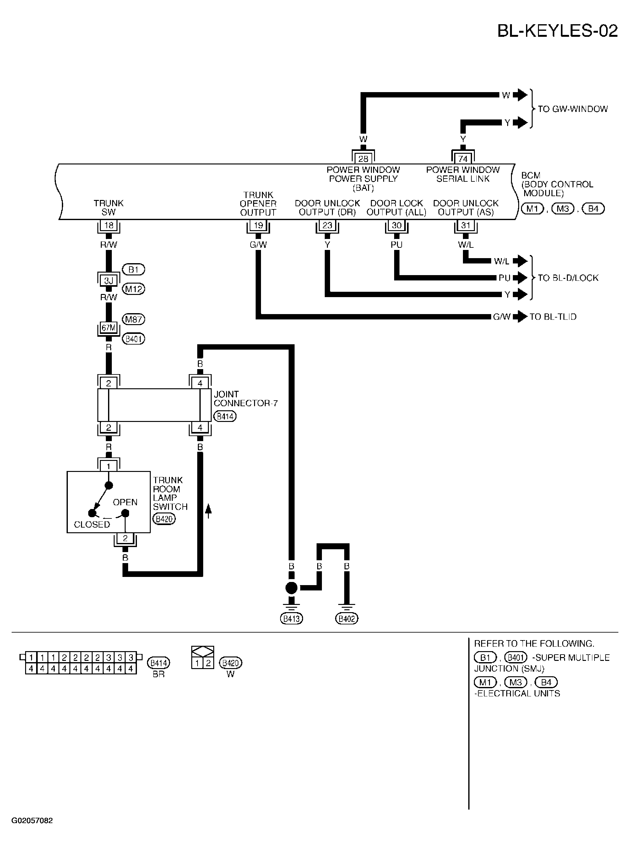
Fig 2: Wiring Diagram - Remote Keyless Entry System (2 Of 4)
G02057082Courtesy of NISSAN MOTOR CO., U.S.A.
Fig 3: Wiring Diagram - Remote Keyless Entry System (3 Of 4)
G02057083Courtesy of NISSAN MOTOR CO., U.S.A.
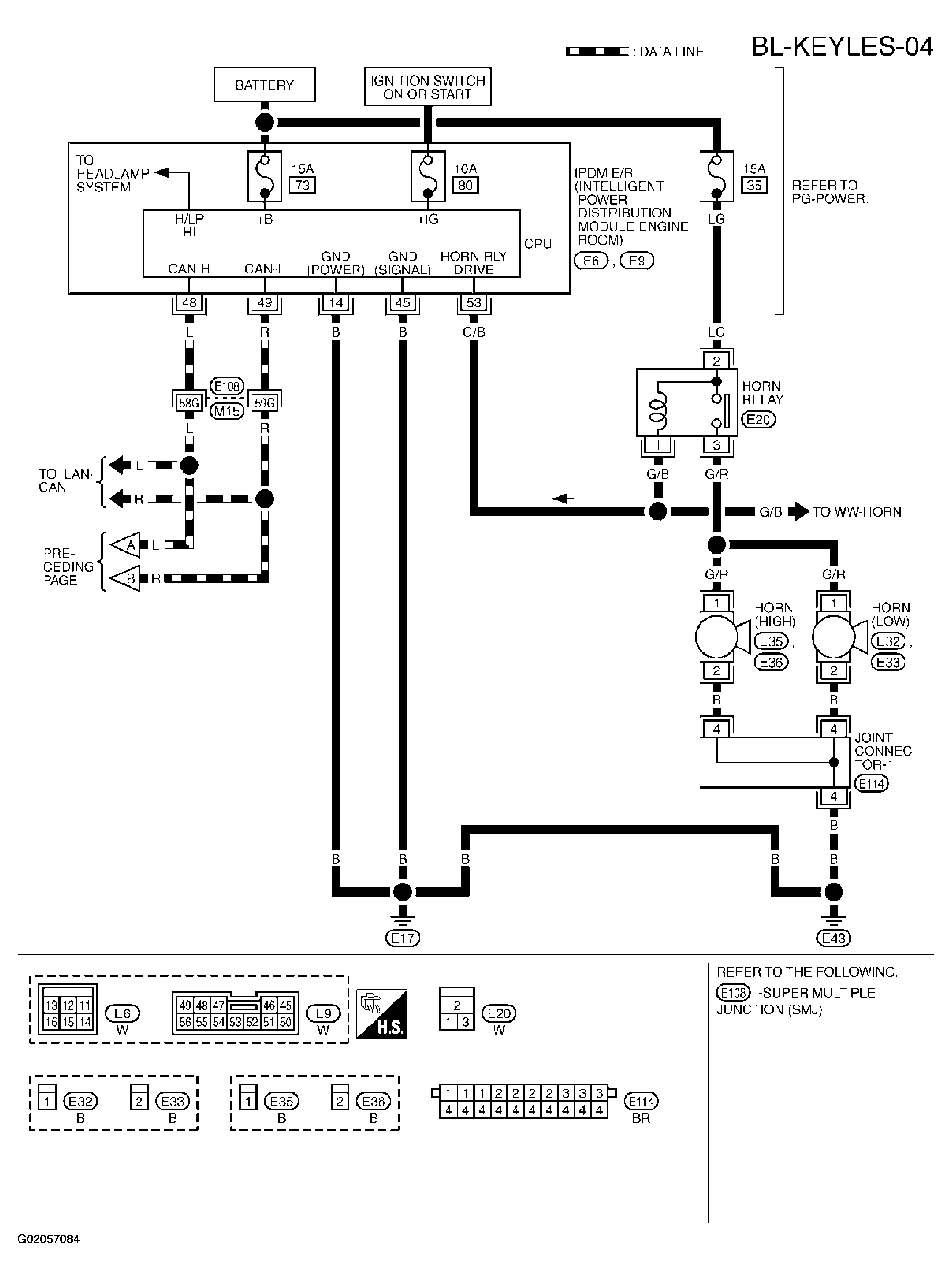
Fig 4: Wiring Diagram - Remote Keyless Entry System (4 Of 4)
G02057084Courtesy of NISSAN MOTOR CO., U.S.A.