LEMON Manuals: Even more car manuals for everyone: 1960-2025
Home >> Nissan-Datsun >> 2004 >> Sentra SE-R >> Repair and Diagnosis >> External Pages >> Different car >> Section 761 (Vehicle Information And Integrated Switch System /Without Navigation System) >> Vehicle Information And Integrated Switch System-Without Navigation System >> Schematic
April 5, 2026: LEMON Manuals is launched! Read the announcement.

Vehicle Information And Integrated Switch System-Without Navigation System: Schematic

WARNING: This page is about a different car, the 2003 Infiniti M45. However, it is still accessible from the selected car via links, so may be relevant.
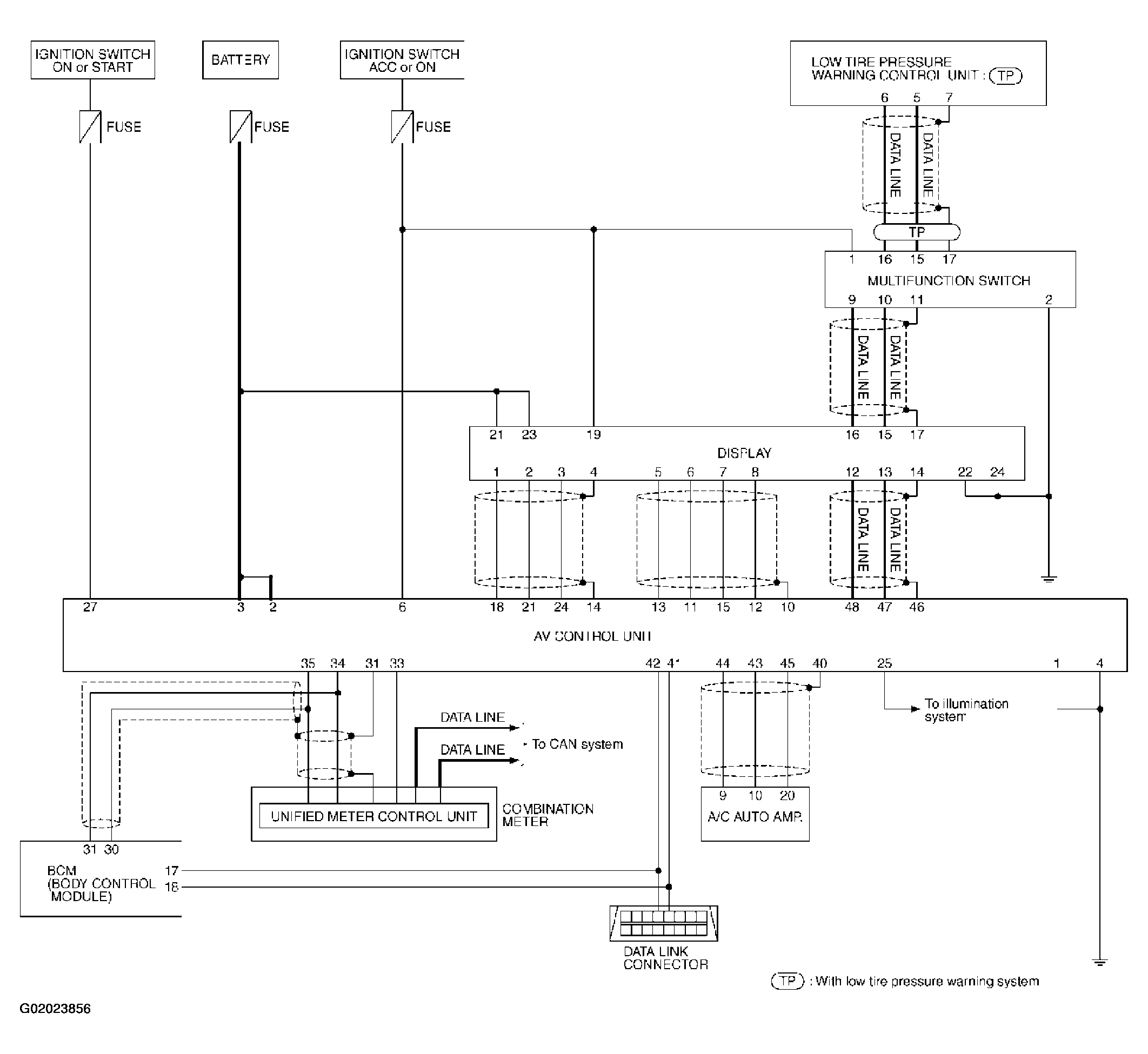
Fig 1: AV Control Unit Schematic
G02023856Courtesy of NISSAN MOTOR CO., U.S.A.


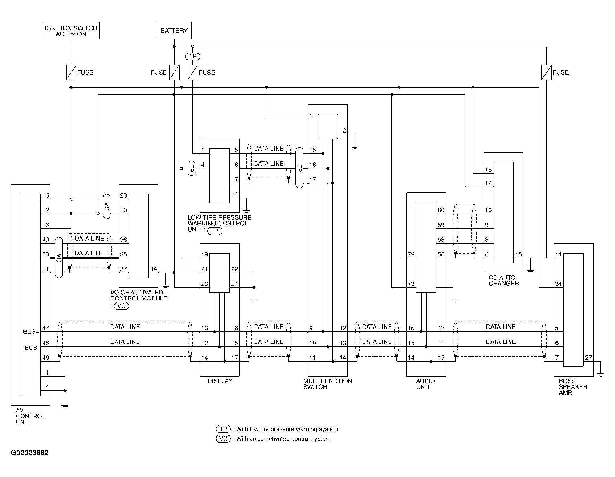
Fig 1: AV Control Unit Schematic
G02023862Courtesy of NISSAN MOTOR CO., U.S.A.