LEMON Manuals: Even more car manuals for everyone: 1960-2025
Home >> Nissan-Datsun >> 2004 >> Sentra SE-R >> Repair and Diagnosis >> External Pages >> Different car >> Section 765 (Audio) >> Audio >> Schematic
April 5, 2026: LEMON Manuals is launched! Read the announcement.

Section 765 (Audio): Audio: Schematic

WARNING: This page is about a different car, the 2003 Infiniti M45. However, it is still accessible from the selected car via links, so may be relevant.
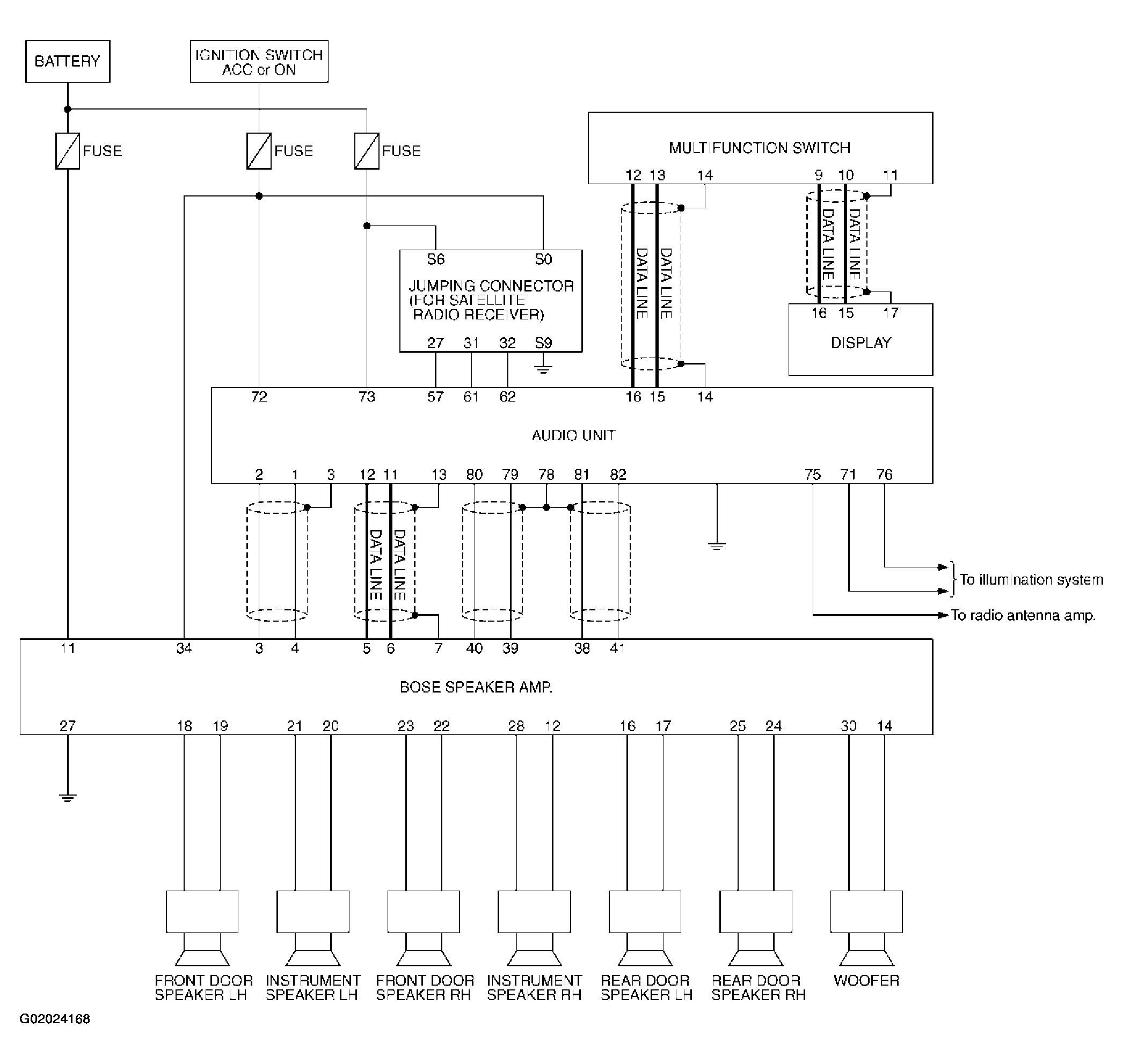
Fig 1: Audio System Schematic Diagram
G02024168Courtesy of NISSAN MOTOR CO., U.S.A.