LEMON Manuals: Even more car manuals for everyone: 1960-2025
Home >> Nissan-Datsun >> 2004 >> Sentra SE-R >> Repair and Diagnosis >> External Pages >> Different car >> Section 768 (Air Conditioning) >> Air Conditioning Unit >> Components
April 5, 2026: LEMON Manuals is launched! Read the announcement.

Air Conditioning Unit: Components

WARNING: This page is about a different car, the 2002 Lexus RX 300. However, it is still accessible from the selected car via links, so may be relevant.
Fig 1: Removing/Installing Outer Front Cowl Top Panel
G01157393Courtesy of © TOYOTA, LICENSE AGREEMENT TMS1002
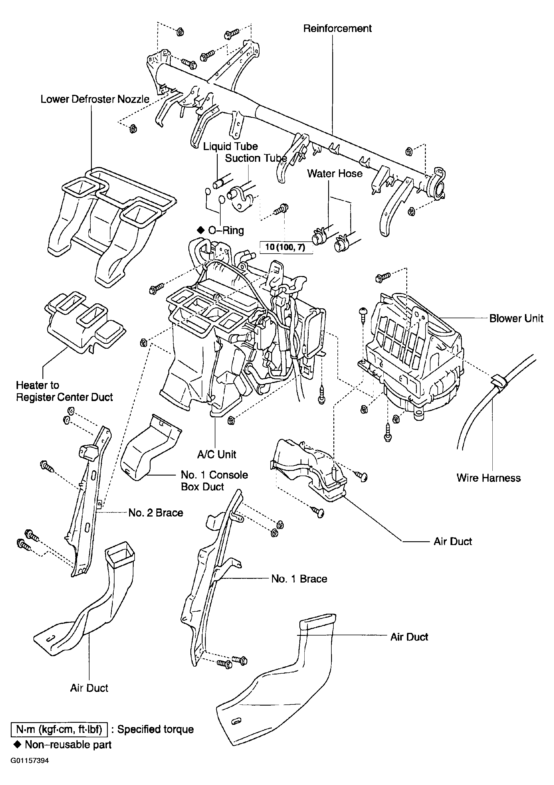
Fig 2: Exploded view of air conditioning unit components And Torque Specifications (1 Of 2)
G01157394Courtesy of © TOYOTA, LICENSE AGREEMENT TMS1002
Fig 3: Exploded view of air conditioning unit components And Torque Specifications (2 Of 2)
G01157395Courtesy of © TOYOTA, LICENSE AGREEMENT TMS1002