LEMON Manuals: Even more car manuals for everyone: 1960-2025
Home >> Nissan-Datsun >> 2004 >> Sentra SE-R >> Repair and Diagnosis >> External Pages >> Different car >> Section 776 (Abs) >> Description >> Schematic
April 5, 2026: LEMON Manuals is launched! Read the announcement.

Section 776 (Abs): Description: Schematic

WARNING: This page is about a different car, the 2002 Nissan Pathfinder. However, it is still accessible from the selected car via links, so may be relevant.
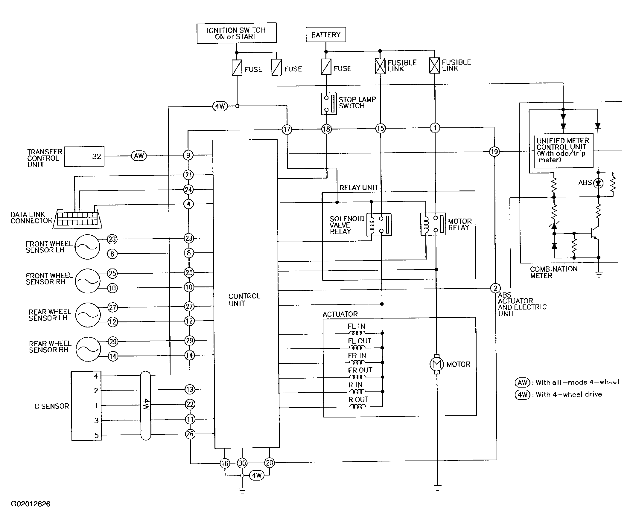
Fig 1: ABS Schematic Diagram
G02012626Courtesy of NISSAN MOTOR CO., U.S.A.