LEMON Manuals: Even more car manuals for everyone: 1960-2025
Home >> Nissan-Datsun >> 2004 >> Sentra SE-R >> Repair and Diagnosis >> External Pages >> Different car >> Section 799 (Remote Keyless Entry System) >> Remote Keyless Entry System >> Wiring Diagram - KEYLES -
April 5, 2026: LEMON Manuals is launched! Read the announcement.

Wiring Diagram - KEYLES -

WARNING: This page is about a different car, the 2003 Nissan Altima. However, it is still accessible from the selected car via links, so may be relevant.
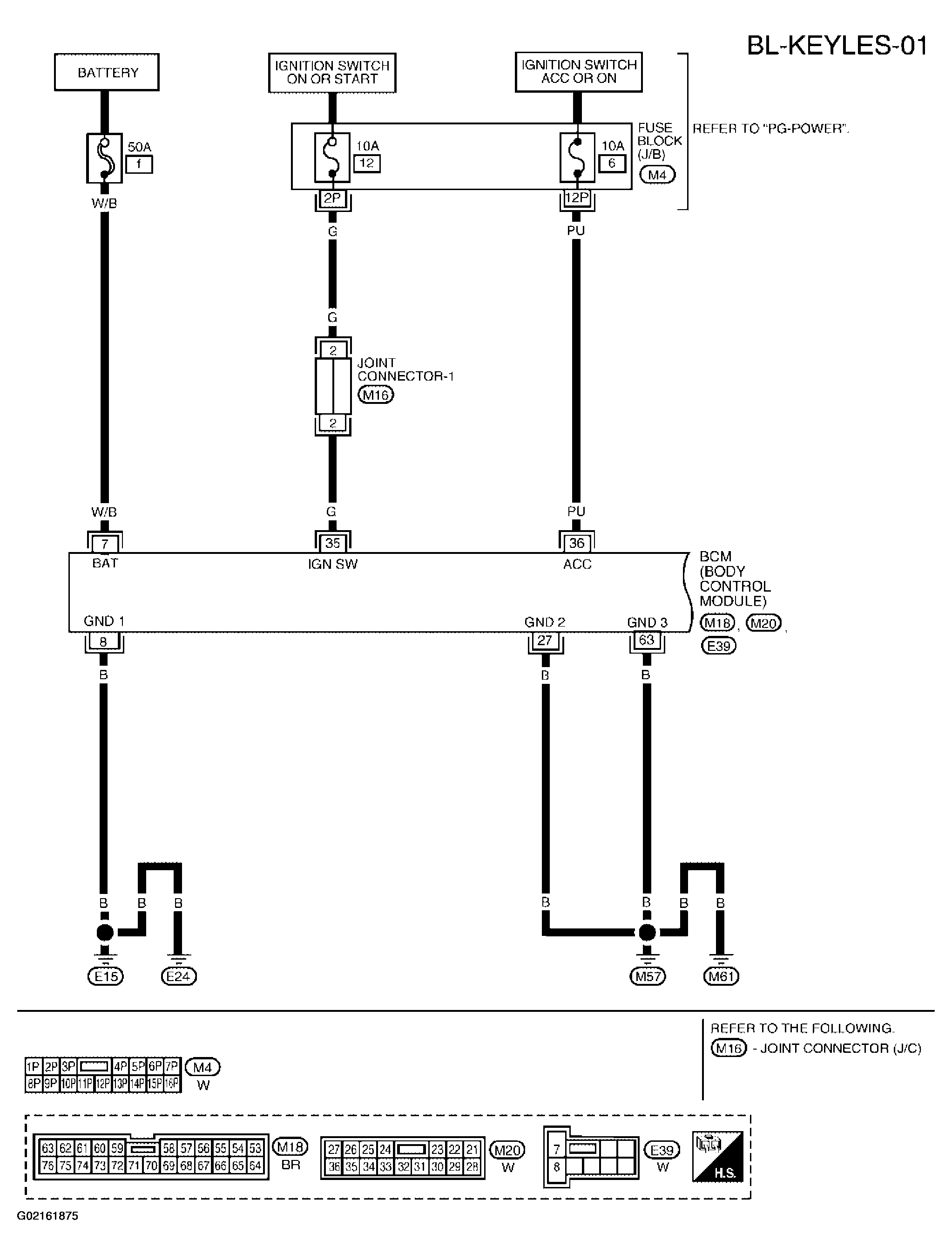
Fig 1: Wiring Diagram - KEYLES - (1 Of 4)
G02161875Courtesy of NISSAN MOTOR CO., U.S.A.
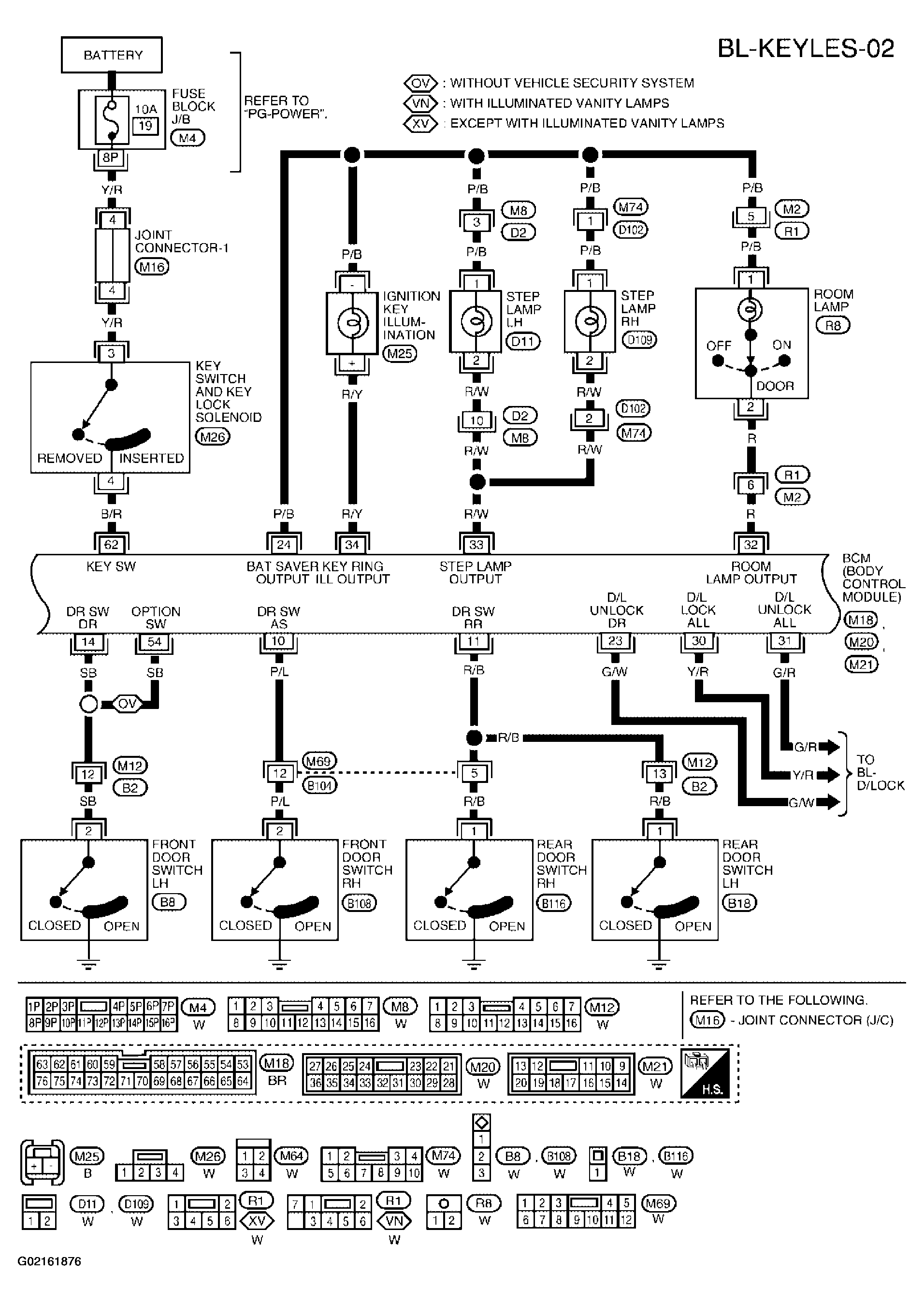
Fig 2: Wiring Diagram - KEYLES - (2 Of 4)
G02161876Courtesy of NISSAN MOTOR CO., U.S.A.
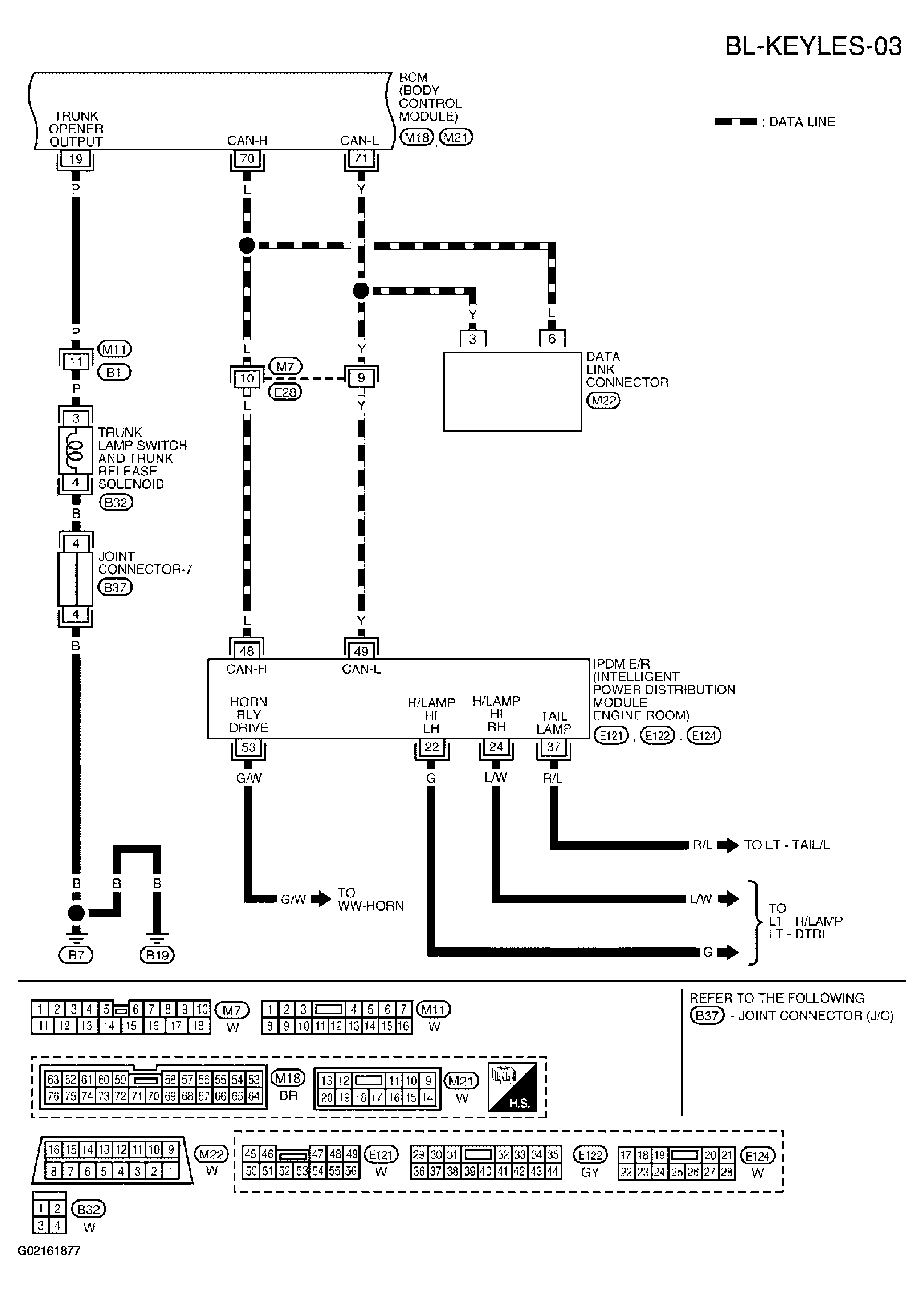
Fig 3: Wiring Diagram - KEYLES - (3 Of 4)
G02161877Courtesy of NISSAN MOTOR CO., U.S.A.
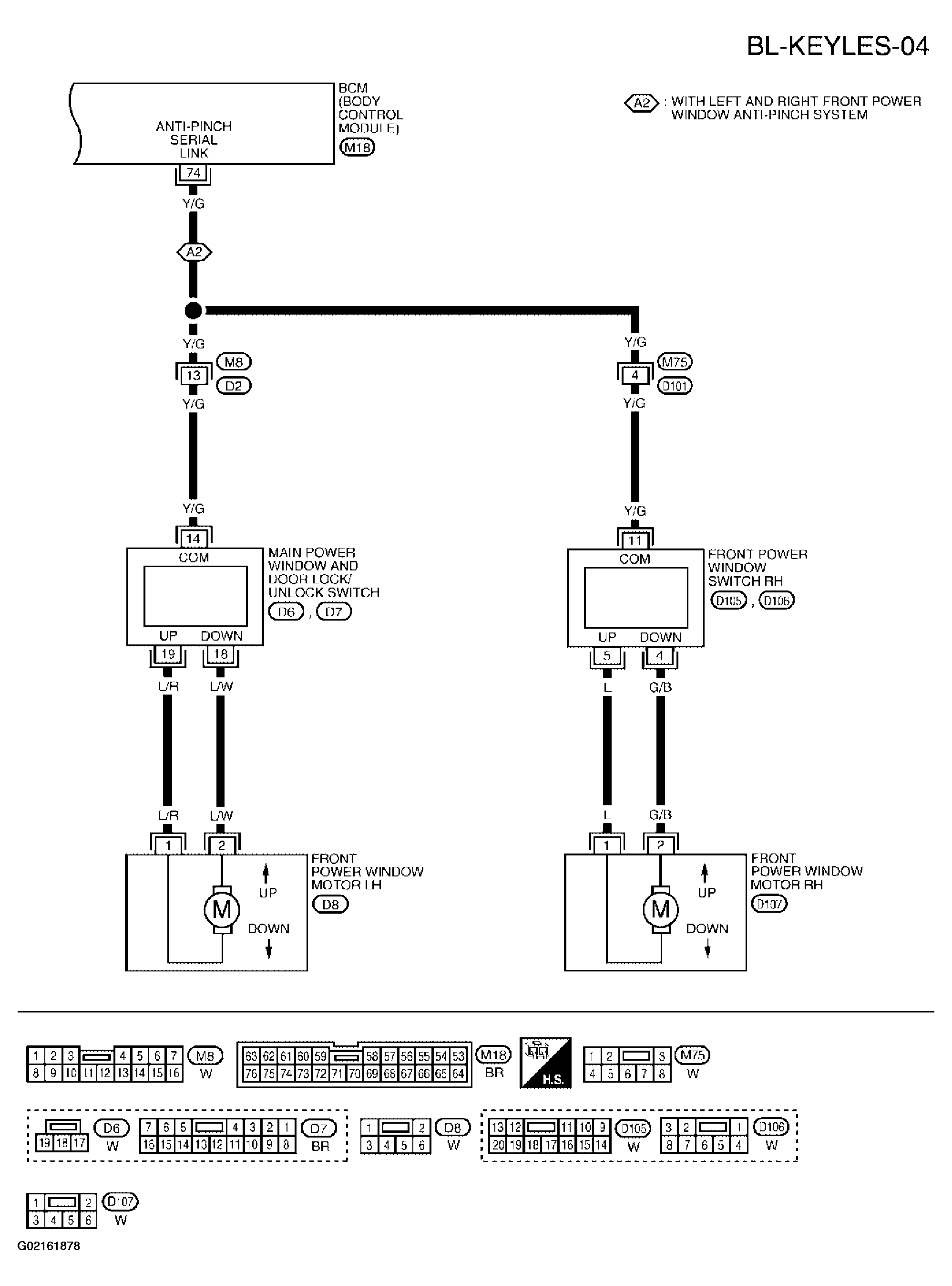
Fig 4: Wiring Diagram - KEYLES - (4 Of 4)
G02161878Courtesy of NISSAN MOTOR CO., U.S.A.