LEMON Manuals: Even more car manuals for everyone: 1960-2025
Home >> Nissan-Datsun >> 2004 >> Sentra SE-R >> Repair and Diagnosis >> External Pages >> Different car >> Section 815 (Audio System, Visual System & Telephone System) >> Audio >> Circuit Diagram >> Midline System
April 5, 2026: LEMON Manuals is launched! Read the announcement.

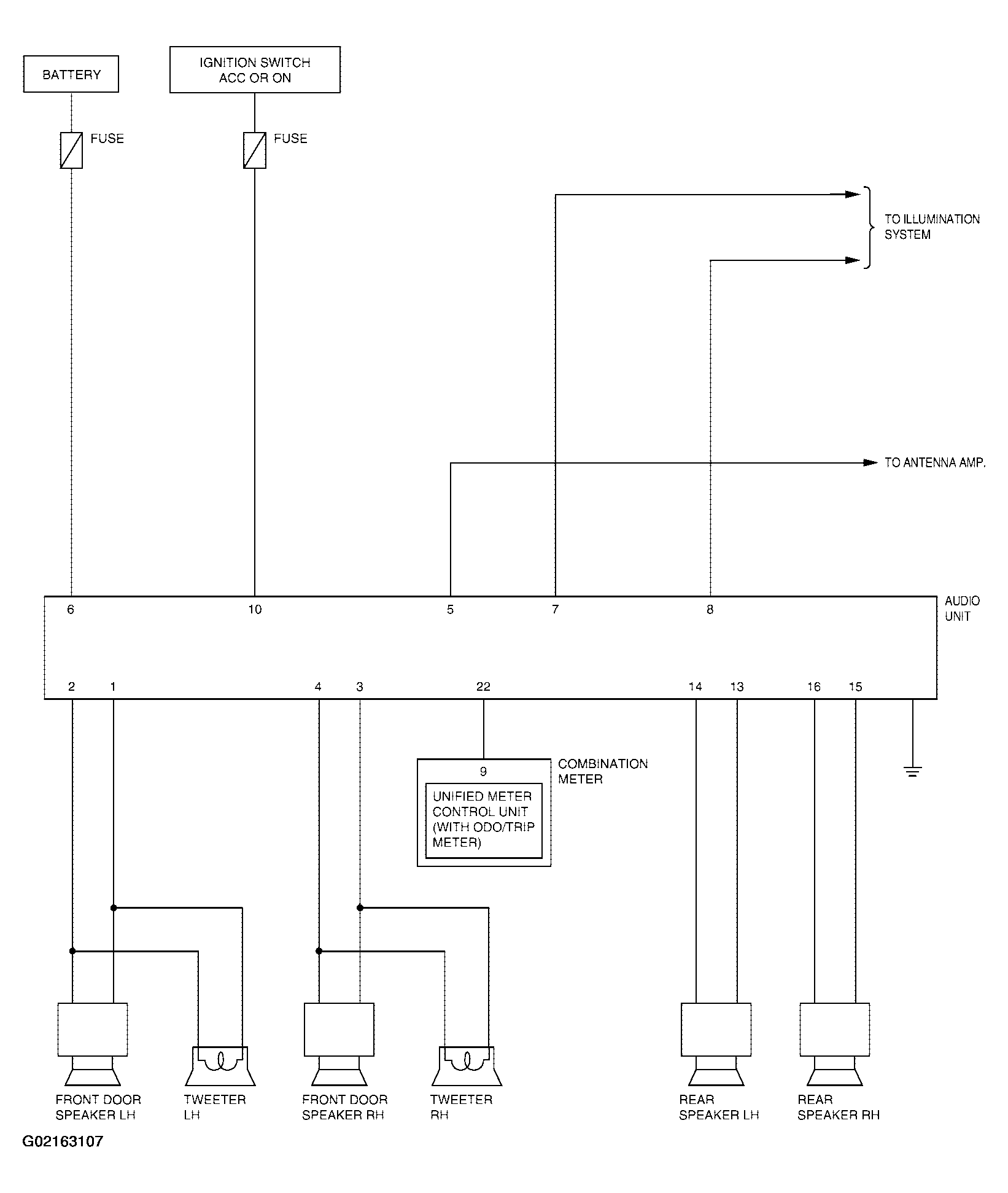
Midline System

WARNING: This page is about a different car, the 2003 Nissan Altima. However, it is still accessible from the selected car via links, so may be relevant.
Fig 1: Audio Circuit Diagram - Midline System
G02163107Courtesy of NISSAN MOTOR CO., U.S.A.