LEMON Manuals: Even more car manuals for everyone: 1960-2025
Home >> Nissan-Datsun >> 2004 >> Sentra SE-R >> Repair and Diagnosis >> External Pages >> Different car >> Section 847 (Transfer) >> Transfer Assembly >> Pre-Inspection >> Tooth Contact
April 5, 2026: LEMON Manuals is launched! Read the announcement.

Tooth Contact

WARNING: This page is about a different car, the 2003 Nissan Murano. However, it is still accessible from the selected car via links, so may be relevant.
  1. Remove the pinion sleeve assembly. Refer to PINION SLEEVE ASSEMBLY .
  2. Apply red lead to the drive gear.
    Fig 1: Applying Red Lead To Drive Gear
    G01199950Courtesy of NISSAN MOTOR CO., U.S.A.
    CAUTION: Apply red lead to both the faces of 3 to 4 gears at 4 locations evenly spaced on the drive gear.
  3. Install the pinion sleeve shims and pinion sleeve assembly.
  4. Remove the plug on the upper side of the transfer case.

    When installing plug, apply recommended sealant on screw part, and tighten it at the specified torque.

    Tightening torque 

    : 14.7 - 19.6 N.m (1.5 - 1.9 kg-m, 11 - 14 ft-lb) 

  5. Rotate the companion flange back and forth several times, and check the drive pinion gear to drive gear tooth contact by viewing from the plug hole.
    Fig 2: Rotating Companion Flange Back And Forth
    G01199951Courtesy of NISSAN MOTOR CO., U.S.A.
    Fig 3: Tooth Contact Condition Table
    G01199952Courtesy of NISSAN MOTOR CO., U.S.A.
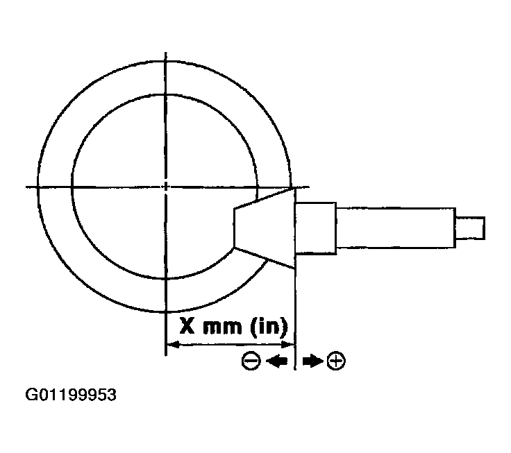
  6. If tooth contact is poorly adjusted, adjust pinion height (dimension X) in the following manner.
    Fig 4: Identifying Pinion Height (Dimension X)
    G01199953Courtesy of NISSAN MOTOR CO., U.S.A.