LEMON Manuals: Even more car manuals for everyone: 1960-2025
Home >> Nissan-Datsun >> 2004 >> Sentra SE-R >> Repair and Diagnosis >> External Pages >> Different car >> Section 859 (Remote Keyless Entry System) >> Remote Keyless Entry System >> Wiring Diagram - KEYLES-
April 5, 2026: LEMON Manuals is launched! Read the announcement.

Wiring Diagram - KEYLES-

WARNING: This page is about a different car, the 2003 Nissan Murano. However, it is still accessible from the selected car via links, so may be relevant.
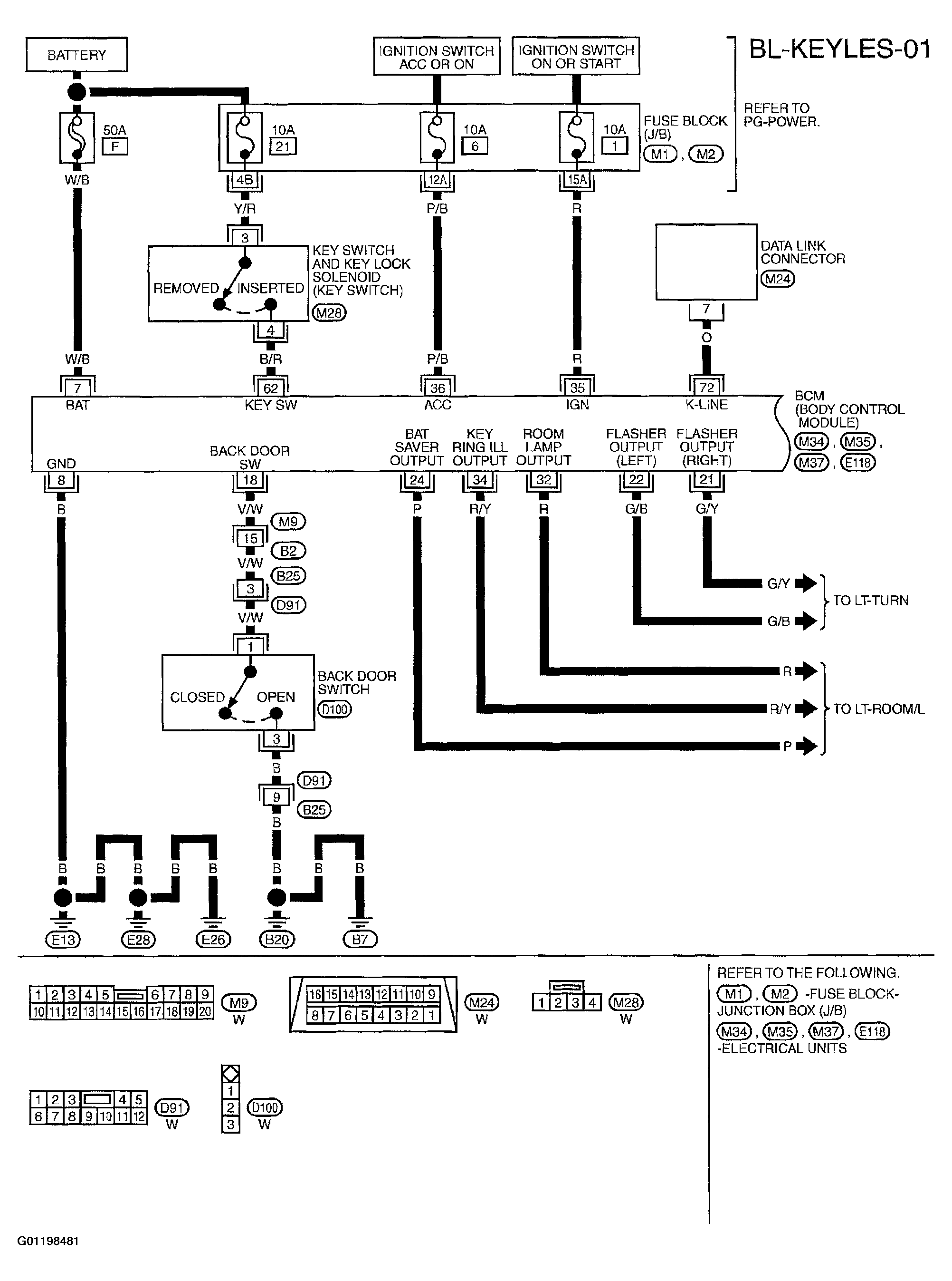
Fig 1: Displaying Wiring Diagram (BL-KEYLES-01)
G01198481Courtesy of NISSAN MOTOR CO., U.S.A.
Fig 2: Displaying Wiring Diagram (BL-KEYLES-02)
G01198482Courtesy of NISSAN MOTOR CO., U.S.A.
Fig 3: Displaying Wiring Diagram (BL-KEYLES-03)
G01198483Courtesy of NISSAN MOTOR CO., U.S.A.